Operation CHARM: Car repair manuals for everyone.
Manuals through 2025 now available!

Our trusted friends have launched a new website named LEMON, which has newer manuals. It also contains all the CHARM manuals.

LEMON is the spiritual successor to CHARM, I recommend you try it!

Link: lemon-manuals.la or lemon-manuals.org.ua

(Some people have issue connecting. LEMON is investigating. For now, use Firefox or change your DNS server)

Or, hide this message: temporarily or permanently

Front Door Window Regulator: Service and Repair

Front Door Glass and Regulator Replacement

NOTE: Put on gloves to protect your hands.

1. Remove these items:
- Door panel
- Plastic cover




2. Carefully raise the glass (A) until you can see the bolts through the oval holes in the door, then remove them. Carefully pull the glass out through the window slot. Take care not to drop the glass inside the door.




3. Disconnect the connector (A) from the regulator (B).
4. Remove the bolts (C), and loosen the bolts (D), then remove the regulator through the hole in the door.




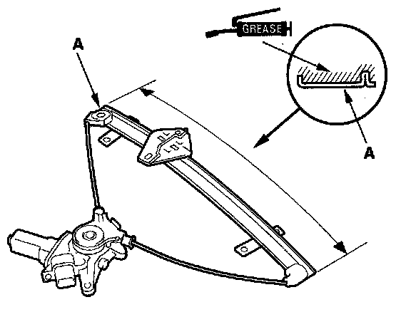
5. Apply multipurpose grease to the sliding surfaces of the regulator (A) where shown.
6. Install the glass and regulator in the reverse order of removal, and note these items:
- Roll the glass up and down to see if it moves freely without binding.
- Make sure that there is no clearance between the glass and glass run channel when the glass is closed.
- Adjust the position of the glass as necessary.
- Reset the power window control unit on the door that the panel was removed from (driver's and/or passenger's).
- When reinstalling the door panel, make sure the plastic cover is installed properly and sealed around its outside perimeter to prevent seal out water.
- Check for water leaks.
- Test-drive and check for wind noise and rattles.
- Make sure the power door locks, windows, and power mirror operate properly.