Operation CHARM: Car repair manuals for everyone.
Manuals through 2025 now available!

Our trusted friends have launched a new website named LEMON, which has newer manuals. It also contains all the CHARM manuals.

LEMON is the spiritual successor to CHARM, I recommend you try it!

Link: lemon-manuals.la or lemon-manuals.org.ua

(Some people have issue connecting. LEMON is investigating. For now, use Firefox or change your DNS server)

Or, hide this message: temporarily or permanently

Intake Manifold: Service and Repair

Engine Mechanical

Intake Manifold and Exhaust System

Intake Manifold Removal and Installation

Intake Manifold '04-05 Models:




Intake Manifold '06-08 Models:





Removal ('04-05 models)

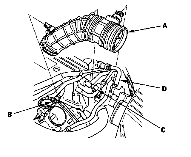
1. Disconnect the intake air temperature (IAT) sensor connector (A).





2. Disconnect the vacuum hose (B) and breather pipe (C), then remove the intake air duct (D).
3. Remove the engine cover.





4. Disconnect the evaporative emission (EVAP) canister hose (A) and brake booster vacuum hose (B).





5. Remove the engine wire harness connectors and wire harness clamps from the intake manifold.

^ Throttle actuator connector
^ Manifold absolute pressure (MAP) sensor connector

6. Remove the harness holder (A), harness bracket (B), and harness clamp (C).





7. Disconnect and plug the water bypass hoses.





8. Remove the harness clamp (A) and the harness connector (B) from the intake manifold bracket, then remove the intake manifold bracket (C).





9. Disconnect the vacuum hose.





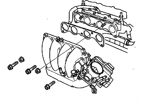
10. Remove the intake manifold.





Installation ('04-05 models)

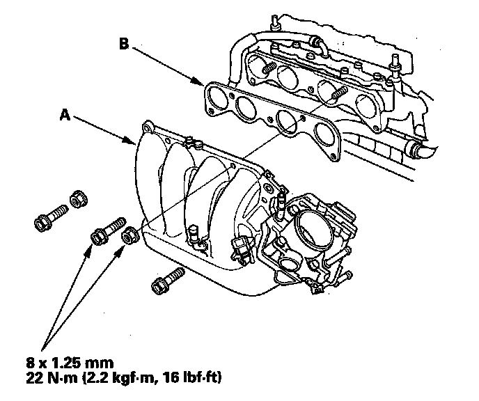
1. Install the intake manifold (A) with a new gasket (B), and tighten the bolts/nuts in a crisscross pattern in three steps, beginning with the inner bolt.





2. Install the vacuum hose.





3. Install the intake manifold bracket (A), then install the harness clamp (B), and harness connector (C) to the intake manifold bracket.





4. Install the water bypass hoses.





5. Install the harness holder (A), harness bracket (B), and harness clamp (C).





6. Reconnect the MAP sensor connector and throttle actuator connector.
7. Install the EVAP canister hose (A) and brake booster vacuum hose (B).





8. Install the engine cover.





9. Install the intake air duct (A), then connect the IAT sensor connector (B), and install the vacuum hose (C) and breather pipe (D).





10. Clean up any spilled engine coolant.
11. After installation, check that all tubes, hoses, and connectors are installed correctly.
12. Refill the radiator with engine coolant, and bleed air from the cooling system with the heater valve open.

Removal ('06-08 models)

1. Disconnect the intake air temperature (IAT) sensor connector (A).





2. Disconnect the vacuum hose (B) and breather pipe (C), then remove the intake air duct (D).
3. Remove the engine cover.





4. Disconnect the evaporative emission (EVAP) canister hose (A) and brake booster vacuum hose (B).





5. Remove the engine wire harness connectors and wire harness clamps from the intake manifold.

^ Throttle actuator connector
^ Manifold absolute pressure (MAP) sensor connector

6. Remove the harness holder (A), harness bracket (B), and harness clamp (C).





7. Disconnect and plug the water bypass hoses.





8. Remove the harness clamp (A) and the harness connector (B) from the intake manifold bracket, then remove the intake manifold bracket (C).





9. Disconnect the vacuum hose.





10. Remove the intake manifold.





Installation ('06-08 models)

1. Install the intake manifold (A) with a new gasket (B), and tighten the bolts/nuts in a crisscross pattern in three steps, beginning with the inner bolt.





2. Install the vacuum hose.





3. Install the intake manifold bracket (A), then install the harness clamp (B), and harness connector (C) to the intake manifold bracket.





4. Install the water bypass hoses.





5. Install the harness holder (A), harness bracket (B), and harness clamp (C).





6. Reconnect the MAP sensor connector and throttle actuator connector.
7. Install the EVAP canister hose (A) and brake booster vacuum hose (B).





8. Install the engine cover.





9. Install the intake air air duct (A), then connect the IAT sensor connector (B), and install the vacuum hose (C) and breather pipe (D).





10. Clean up any spilled engine coolant.
11. After installation, check that all tubes, hoses, and connectors are installed correctly.
12. Refill the radiator with engine coolant, and bleed air from the cooling system with the heater valve open.