Operation CHARM: Car repair manuals for everyone.
Manuals through 2025 now available!

Our trusted friends have launched a new website named LEMON, which has newer manuals. It also contains all the CHARM manuals.

LEMON is the spiritual successor to CHARM, I recommend you try it!

Link: lemon-manuals.la or lemon-manuals.org.ua

(Some people have issue connecting. LEMON is investigating. For now, use Firefox or change your DNS server)

Or, hide this message: temporarily or permanently

Engine Removal

Engine Removal

Special Tools Required
Universal eyelet 07AAK-SNAA120

NOTE:
^ Use fender covers to avoid damaging painted surfaces.
^ To avoid damaging the wire and terminals, unplug the wiring connectors carefully while holding the connector portion.
^ Mark all wiring and hoses to avoid misconnection. Also, be sure that they do not contact other wiring or hoses, or interfere with other parts.

1. Secure the hood in the wide open position (support rod in the lower hole).
2. Make sure you have the anti-theft codes for the audio system and the navigation system (if equipped), then write down the audio presets.
3. Relieve the fuel pressure.
4. Disconnect the negative cable from the battery first, then disconnect the positive cable.
5. Remove the battery.
6. Remove the air cleaner assembly.
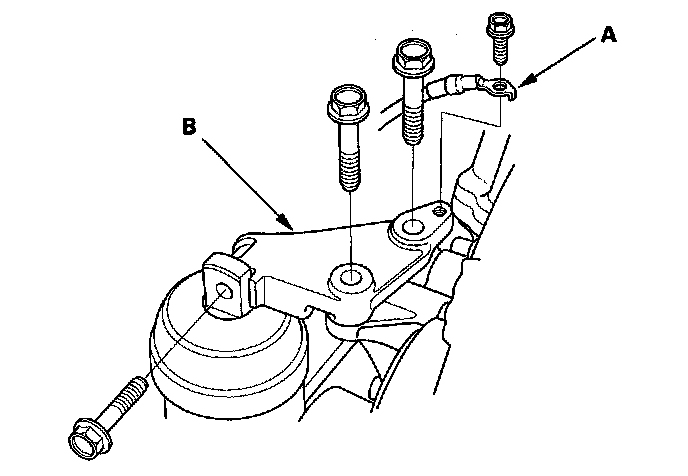
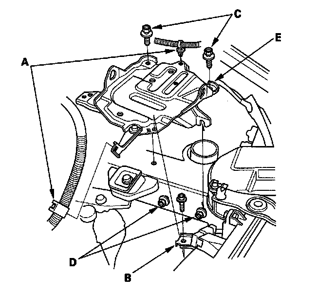
7. Remove the harness clamps (A) and harness bracket (B).





8. Remove the two bolts (C), and loosen the two bolts (D) securing the battery base, then remove the battery base (E).
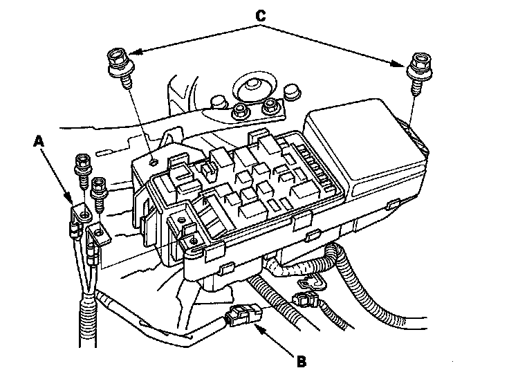
9. Remove the battery cables (A) from the under-hood fuse/relay box, then disconnect the harness connector (B).





10. Remove the two bolts (C) securing the under-hood fuse/relay box.
11. Remove the harness clamp (A) and bolt (B), then remove the strut brace (C).





12. Remove the quick-connect fitting cover (A), then disconnect the fuel feed hose (B).





13. Disconnect the evaporative emission (EVAP) canister hose (A) and brake booster vacuum hose (B).





14. Disconnect the engine control module (ECM)/powertrain control module (PCM) connectors (A) and the main wire harness connectors (B).





15. Disconnect the accelerator pedal position (APP) sensor connector (A).





16. Remove the harness clamps (B) and grommet (C), then pull the engine wire harness through the bulkhead.
17. M/T model: Remove the clutch slave cylinder and clutch line bracket mounting bolt.
18. M/T model: Remove the shift cable and select cable.
19. Disconnect the air fuel ratio (A/F) sensor connector.





20. Remove the drive belt.
21. Remove the power steering (P/S) pump (A) and the P/S hose clamp (B) without disconnecting the P/S hoses from the pump.





22. Remove the A/C compressor without disconnecting the A/C hoses.





23. Remove the radiator cap.
24. Raise the vehicle on the lift to full height.
25. Remove the front wheels.
26. Remove the splash shield.
27. Loosen the drain plug in the radiator, and drain the engine coolant.
28. Drain the transmission fluid:
29. Drain the engine oil.
30. Disconnect the stabilizer links.
31. Remove the damper forks.
32. Separate the knuckles from the lower arms.
33. Remove the driveshafts. Coat all precision-finished surfaces with clean engine oil. Tie plastic bags over the driveshaft ends.
34. A/T model: Remove the shift cable.
35. Remove exhaust pipe A.





36. Remove the nuts securing the transmission lower front mount and transmission lower rear mount.





37. Lower the vehicle on the lift.
38. A/T model: Disconnect the automatic transmission fluid (ATF) cooler hoses.
39. Disconnect the upper radiator hose (A) and heater hoses (B).





40. Clean any dirt off the quick connector (A), radiator, and lower radiator hose.





41. Pull out the lock (B) by hand, then wiggle the quick connector, and remove it from the radiator. Do not use any tools to remove the quick connector.
42. Support the engine with a jack and wood block under the oil pan. Remove the ground cable (A), then remove the upper bracket (B).





43. Install the universal eyelet (07AAK-SNAA120) then attach a chain hoist to the engine/transmission as shown.





44. M/T model: Remove the ground cable (A), then remove the transmission upper mount/bracket assembly (B) and clutch line clamp bracket (C).





45. A/T model: Remove the ground cable (A), then remove the bracket plate (B), transmission upper bracket (C), and transmission upper mount (D).





46. Disconnect the vacuum hose (A) from the vacuum line. Remove the front mount stop (B) and vacuum hose clamp bracket (C), then remove the front mount bolt (D).





47. Remove the rear mount stop (A), then remove the rear mount bolt (B).





48. Check that the engine/transmission is completely free of vacuum hoses, fuel and coolant hoses, and electrical wiring.
49. Slowly raise the engine about 150 mm (6 in.). Check once again that all hoses and electrical connectors are disconnected from the engine/transmission.
50. Raise the engine/transmission out the vehicle.
51. Remove the chain hoist from the engine/transmission.