Operation CHARM: Car repair manuals for everyone.
Manuals through 2025 now available!

Our trusted friends have launched a new website named LEMON, which has newer manuals. It also contains all the CHARM manuals.

LEMON is the spiritual successor to CHARM, I recommend you try it!

Link: lemon-manuals.la or lemon-manuals.org.ua

(Some people have issue connecting. LEMON is investigating. For now, use Firefox or change your DNS server)

Or, hide this message: temporarily or permanently

Condenser HVAC: Service and Repair

A/C Condenser Replacement

1. Make sure you have the anti-theft codes for the audio system and the navigation system (if equipped), then write down the audio presets.
2. Recover the refrigerant with a recovery/recycling/charging station.
3. Remove the front bulkhead cover.
4. Make sure the ignition switch is OFF, then remove the battery and the battery box.
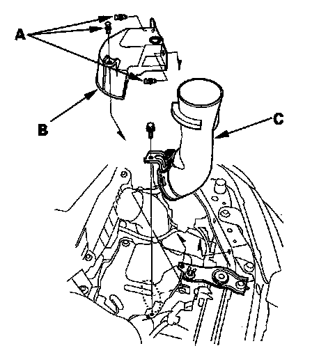
5. Remove the clips (A), then remove the intake air cover (B) and the intake air tube or duct (C).






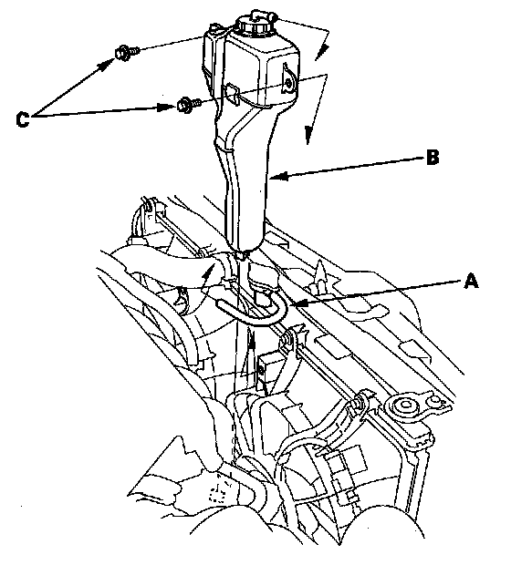
6. Remove the hose (A) from the reserve tank (B). Remove the bolts (C) and the reserve tank from the A/C condenser fan shroud.






7. Remove the bolts (A) and the radiator upper mount brackets (B).






8. Remove the bolt (A), then disconnect the receiver line (B) from the A/C condenser (C).






9. Remove the bolts (A) and the A/C condenser upper mount brackets (B).






10. Remove the bolt (A), then disconnect the discharge line (B) from the A/C condenser (C).






11. Remove the A/C condenser by lifting it up. Be careful not to damage the radiator and A/C condenser fins when removing the A/C condenser.






12. Install the A/C condenser in the reverse order of removal, and note these items:
- If you're installing a new A/C condenser, add refrigerant oil (SP-10).
- Replace the O-rings with new ones at each fitting, and apply a thin coat of refrigerant oil before installing them. Be sure to use the correct O-rings for HFC-134a (R-134a) to avoid leakage.
- Immediately after using the oil, reinstall the cap on the container, and seal it to avoid moisture absorption.
- Do not spill the refrigerant oil on the vehicle; it may damage the paint; if the refrigerant oil contacts the paint, wash it off immediately.
- Be careful not to damage the radiator or the A/C condenser fins when installing the A/C condenser.
- Charge the system.
- Do the ECM/PCM idle learn procedure.
- Enter the anti-theft codes for the audio system and the navigation system (if equipped), then enter the audio presets.