Operation CHARM: Car repair manuals for everyone.
Manuals through 2025 now available!

Our trusted friends have launched a new website named LEMON, which has newer manuals. It also contains all the CHARM manuals.

LEMON is the spiritual successor to CHARM, I recommend you try it!

Link: lemon-manuals.la or lemon-manuals.org.ua

(Some people have issue connecting. LEMON is investigating. For now, use Firefox or change your DNS server)

Or, hide this message: temporarily or permanently

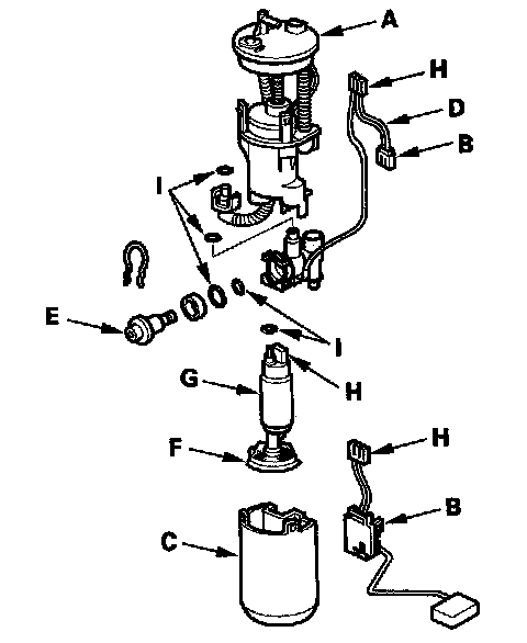
Fuel Level Sensor: Service and Repair

Fuel Pump/Fuel Gauge Sending Unit Replacement

1. Remove the fuel tank unit.
2. Remove the fuel filter set (A).






3. Remove the fuel gauge sending unit (B), the case (C), the wire harness (D), and the fuel pressure regulator (E).
4. When connecting the fuel pump assembly, make sure the connection is secure and the suction filter (F) is firmly connected to the fuel pump (G).

5. Check these items before installing the fuel tank unit:

- When connecting the wire harness, make sure the connection is secure and the connectors (H) are firmly locked into place.
- When installing the fuel gauge sending unit, make sure the connection is secure and the connector is firmly locked into place. Be careful not to bend or twist it excessively.

6. Install the parts in the reverse order of removal with new O-rings (I). When installing the fuel tank unit, align the marks on the unit and the fuel tank.