Operation CHARM: Car repair manuals for everyone.
Manuals through 2025 now available!

Our trusted friends have launched a new website named LEMON, which has newer manuals. It also contains all the CHARM manuals.

LEMON is the spiritual successor to CHARM, I recommend you try it!

Link: lemon-manuals.la or lemon-manuals.org.ua

(Some people have issue connecting. LEMON is investigating. For now, use Firefox or change your DNS server)

Or, hide this message: temporarily or permanently

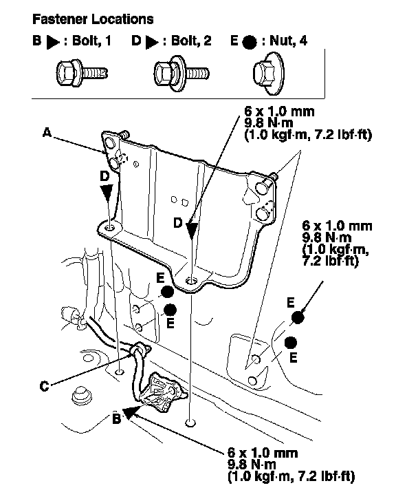
Structural Brace: Service and Repair




Rear Wheelhouse Gusset Replacement

NOTE:

- Put on gloves to protect your hands.

- Take care not to scratch the body and related parts.

1. Remove these items:
- Rear side trim panel Interior Trim Removal/Installation - Rear Side Area

- Third row seat Third Row Seat Removal/Installation

2. Pull the carpet back as needed.

3. Remove the rear wheelhouse gusset (A).
-1 Remove the ground bolt (B) and release the harness clip (C).
-2 Remove the bolts (D).
-3 From outside the vehicle, remove the nuts (E).

4. Install the gusset in the reverse order of removal.