Operation CHARM: Car repair manuals for everyone.
Manuals through 2025 now available!

Our trusted friends have launched a new website named LEMON, which has newer manuals. It also contains all the CHARM manuals.

LEMON is the spiritual successor to CHARM, I recommend you try it!

Link: lemon-manuals.la or lemon-manuals.org.ua

(Some people have issue connecting. LEMON is investigating. For now, use Firefox or change your DNS server)

Or, hide this message: temporarily or permanently

Part 1




Fuel and Emissions System Description

Electronic Control System

The functions of the fuel and emission control systems are managed by the powertrain control module (PCM).

Self-diagnosis

The PCM detects a signal failure from a sensor or from another control unit and stores a Temporary DTC or a DTC. Depending on the failure, a DTC is stored in either the first or the second drive cycle (for DTC P0457, the DTC is set in the beginning of the third drive cycle). When a DTC is stored, the PCM turns on the malfunction indicator lamp (MIL) by sending a signal to the gauge via F-CAN.

- One Drive Cycle Detection Method
When an abnormality occurs in the signal from a sensor or from another control unit, the PCM stores a DTC for the failure and turns on the MIL immediately.

- Two Drive Cycle Detection Method
When an abnormality occurs in the signal from a sensor or from another control unit in the first drive cycle, the PCM stores a Temporary DTC for the failure. The MIL does not come on at this time. If the failure continues in the second drive cycle, the PCM stores a DTC and turns on the MIL.

Fail-safe Function

When an abnormality occurs in the signal from a sensor or from another control unit, the PCM ignores that signal and substitutes a pre-programmed value that allows the engine to continue running. This causes a DTC to be stored and the MIL to come on.

MIL Bulb Check and Readiness Code Condition

When the ignition switch is turned to ON (II), the PCM turns on the MIL via the F-CAN circuit for about 15 to 20 seconds to check the bulb condition. If any readiness codes are not set to complete, the MIL flashes five times. If all readiness codes are set to complete, the MIL goes off.

Self Shut Down (SSD) Mode

After the ignition switch is turned to LOCK (0), the PCM stays on (up to 40 minutes). If the PCM connector is disconnected during this time, the PCM may be damaged. To cancel this mode, disconnect the negative cable from the battery or jump the SCS line with the HDS after the ignition switch is turned to LOCK (0).

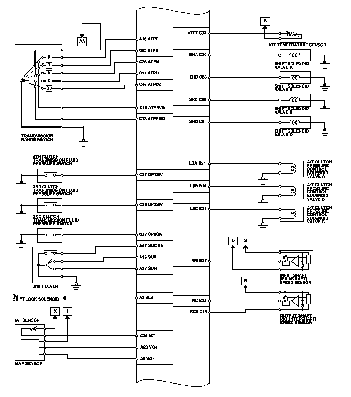
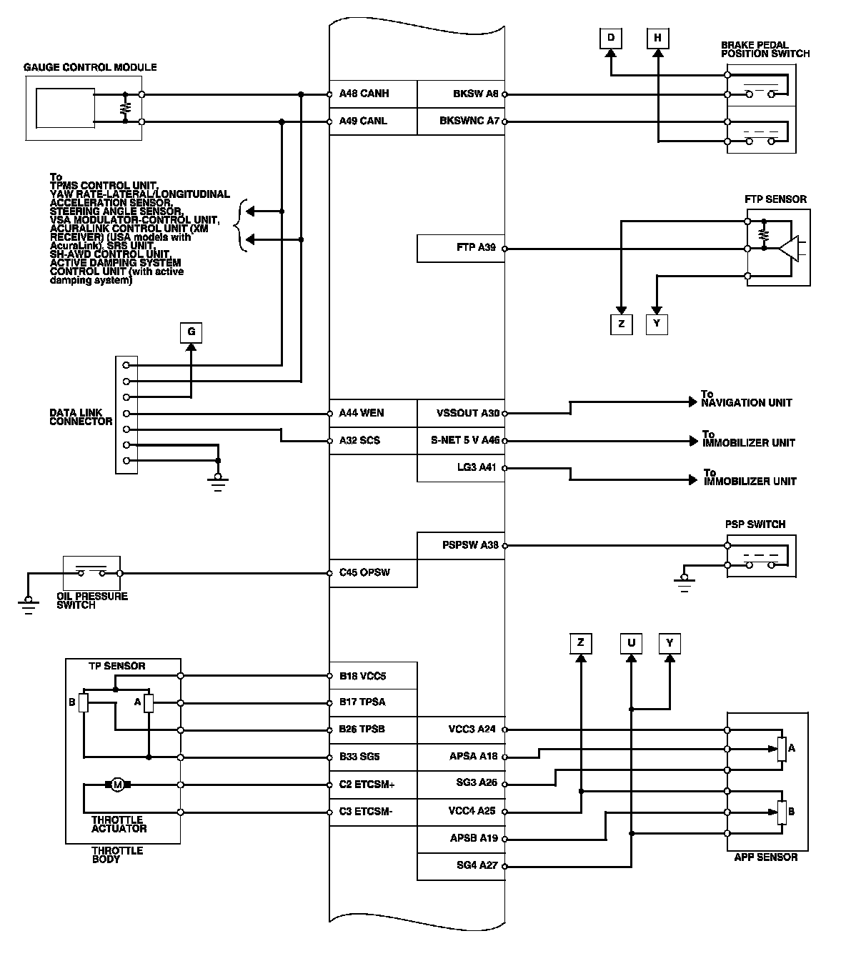
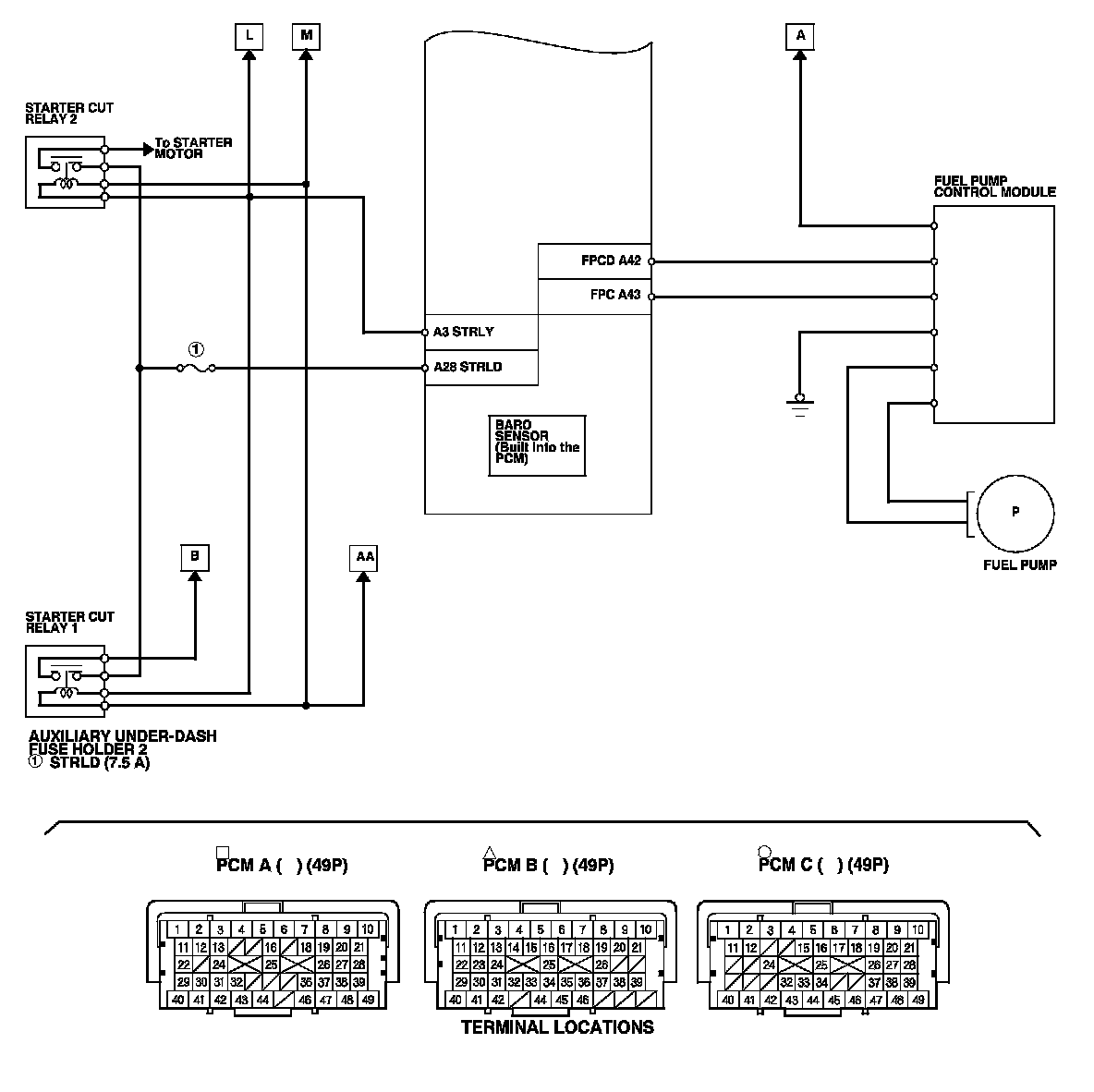
PCM Electrical Connections





PCM Electrical Connections (cont'd)









PCM Electrical Connections (cont'd)









PCM Electrical Connections (cont'd)





Vacuum Hose Routing





Vacuum Distribution





PCM Inputs and Outputs at Connector A (square) (49P)





NOTE: Standard battery voltage is about 12 V.





PCM Inputs and Outputs at Connector A (square) (49P)





NOTE: Standard battery voltage is about 12 V.





PCM Inputs and Outputs at Connector A (square) (49P)





NOTE: Standard battery voltage is about 12 V.





PCM Inputs and Outputs at Connector A (square) (49P)





NOTE: Standard battery voltage is about 12 V.





PCM Inputs and Outputs at Connector A (square) (49P)





NOTE: Standard battery voltage is about 12 V.





PCM Inputs and Outputs at Connector A (square) (49P)





NOTE: Standard battery voltage is about 12 V.





PCM Inputs and Outputs at Connector B (triangle) (49P)





NOTE: Standard battery voltage is about 12 V.





PCM Inputs and Outputs at Connector B (triangle) (49P)





NOTE: Standard battery voltage is about 12 V.





PCM Inputs and Outputs at Connector B (triangle) (49P)





NOTE: Standard battery voltage is about 12 V.





PCM Inputs and Outputs at Connector B (triangle) (49P)





NOTE: Standard battery voltage is about 12 V.





PCM Inputs and Outputs at Connector B (triangle) (49P)





NOTE: Standard battery voltage is about 12 V.





PCM Inputs and Outputs at Connector C (circle) (49P)





NOTE: Standard battery voltage is about 12 V.





PCM Inputs and Outputs at Connector C (circle) (49P)





NOTE: Standard battery voltage is about 12 V.





PCM Inputs and Outputs at Connector C (circle) (49P)





NOTE: Standard battery voltage is about 12 V.





PCM Inputs and Outputs at Connector C (circle) (44P)





NOTE: Standard battery voltage is about 12 V.





PCM Inputs and Outputs at Connector C (circle) (49P)





NOTE: Standard battery voltage is about 12 V.





PCM Inputs and Outputs at Connector C (circle) (49P)





NOTE: Standard battery voltage is about 12 V.





PGM-FI System

The programmed fuel injection (PGM-FI) system is a sequential multiport fuel injection system.

Alternator Control

The alternator signals the PCM during charging.

Air Conditioning (A/C) Compressor Clutch Relay

When the PCM receives a demand for cooling from the A/C system, it delays the compressor from being energized, and enriches the mixture to assure smooth transition to the A/C mode.

Air Fuel Ratio (A/F) Sensor

The A/F sensor operates over a wide air/fuel range. The A/F sensor is installed upstream of the warm up the three way catalytic converter (WU-TWC), and sends signals to the PCM which varies the duration of fuel injection accordingly.






Barometric Pressure (BARO) Sensor

The BARO sensor is inside the PCM. It converts atmospheric pressure into a voltage signal that modifies the basic duration of the fuel injection discharge.

Camshaft Position (CMP) Sensor

The CMP sensor input is used by the PCM to determine ignition timing at start up (cranking) and when crank angle is abnormal.