Operation CHARM: Car repair manuals for everyone.
Manuals through 2025 now available!

Our trusted friends have launched a new website named LEMON, which has newer manuals. It also contains all the CHARM manuals.

LEMON is the spiritual successor to CHARM, I recommend you try it!

Link: lemon-manuals.la or lemon-manuals.org.ua

(Some people have issue connecting. LEMON is investigating. For now, use Firefox or change your DNS server)

Or, hide this message: temporarily or permanently

Condenser HVAC: Service and Repair




A/C Condenser Replacement

1. Recover the refrigerant with a recovery/recycling/charging station. A/C Refrigerant Recovery

2. Remove the front bumper. Front Bumper

3. Remove the bolts, then disconnect the discharge hose (A) from the A/C condenser.






4. Remove the bolt, then disconnect the receiver line (A) from the A/C condenser.






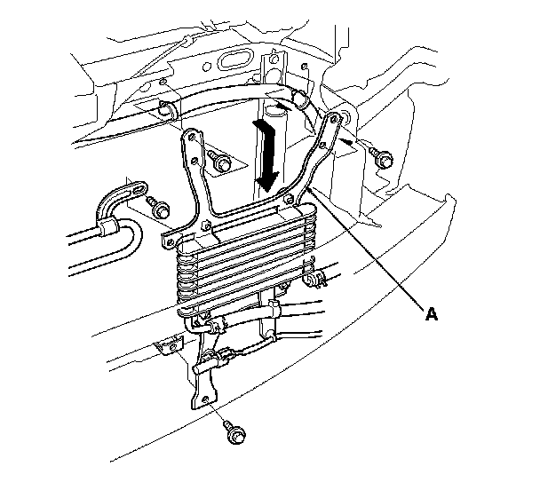
5. Remove the bolts, then pull the bracket (A) down slightly.






6. Remove the bolts and brackets (A), then remove the A/C condenser (B). Be careful not to damage the radiator and A/C condenser fins when removing the A/C condenser.

7. Install the A/C condenser in the reverse order of removal, and note these items:
- If you're installing a new A/C condenser, add refrigerant oil (SP-10). Service and Repair

- Replace the O-rings with new ones at each fitting, and apply a thin coat of refrigerant oil before installing them. Be sure to use the correct O-rings for HFC-134a (R-134a) to avoid leakage.

- Immediately after using the oil, reinstall the cap on the container, and seal it to avoid moisture absorption.

- Do not spill the refrigerant oil on the vehicle; it may damage the paint; if the refrigerant oil contacts the paint, wash it off immediately.

- Charge the system. A/C System Charging