Operation CHARM: Car repair manuals for everyone.
Manuals through 2025 now available!

Our trusted friends have launched a new website named LEMON, which has newer manuals. It also contains all the CHARM manuals.

LEMON is the spiritual successor to CHARM, I recommend you try it!

Link: lemon-manuals.la or lemon-manuals.org.ua

(Some people have issue connecting. LEMON is investigating. For now, use Firefox or change your DNS server)

Or, hide this message: temporarily or permanently

Part 1




Fuel and Emissions System Description

Electronic Control System

The functions of the fuel and emission control systems are managed by the powertrain control module (PCM).

Self-diagnosis

The PCM detects a failure of a signal from a sensor or from another control unit and stores a Temporary DTC or a DTC in erasable memory (RAM). Depending on the failure, a DTC is stored in either the first or the second drive cycle (for DTC P0457, the DTC is set in the beginning of the third drive cycle). When a DTC is stored, the PCM turns on the malfunction indicator lamp (MIL) by a signal sent to the gauge control module via F-CAN.

- One Drive Cycle Detection Method
When an abnormality occurs in the signal from a sensor or from another control unit, the PCM stores a DTC for the failure in the RAM and turns on the MIL immediately.

- Two Drive Cycle Detection Method
When an abnormality occurs in the signal from a sensor or from another control unit in the first drive cycle, the PCM stores a Temporary DTC for the failure in RAM. The MIL does not come on at this time. If the failure continues in the second drive cycle, the PCM stores a DTC in erasable memory and turns on the MIL.

Fail-safe Function

When an abnormality occurs in the signal from a sensor or from another control unit, the PCM ignores that signal and substitutes a pre-programmed value for them that allows the engine to continue running. This causes a DTC to be stored and the MIL to come on.

MIL Bulb Check and Readiness Code Condition

When the ignition switch is turned to ON (II), the PCM supplies ground to the MIL via the F-CAN circuit for about 15 to 20 seconds to check the bulb condition. If any readiness codes are not set to complete, the MIL flashes five times. If all readiness codes are set to complete, the MIL goes off.

Self Shut Down (SSD) Mode

After the ignition switch is turned to LOCK (0), the PCM stays on (up to 30 minutes). If the PCM connector is disconnected during this time, the PCM may be damaged. To cancel this mode, disconnect the negative cable from the battery or jump the SCS line with the HDS after the ignition switch is turned to LOCK (0).

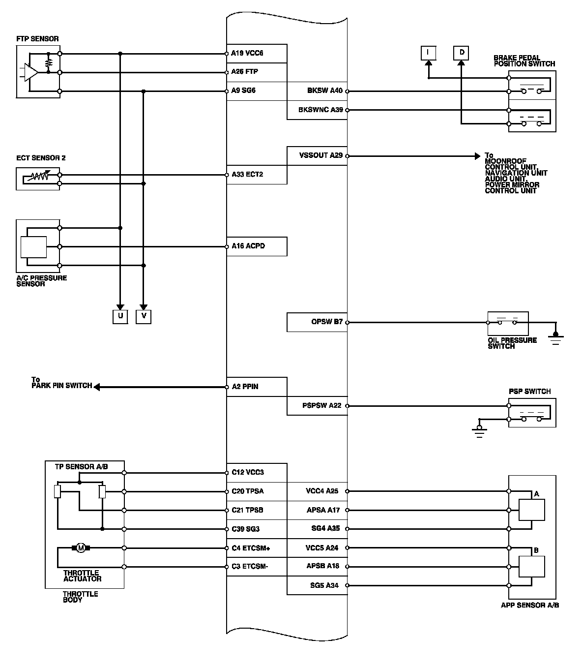
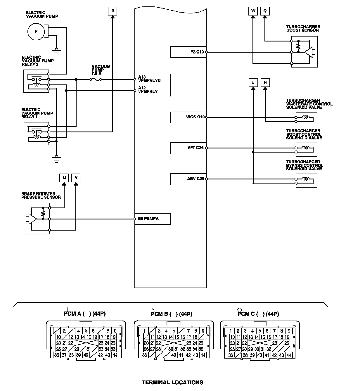
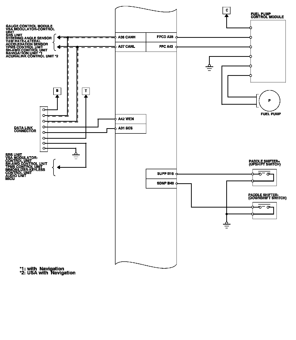
PCM Electrical Connections









PCM Electrical Connections (cont'd)









PCM Electrical Connections (cont'd)









PCM Electrical Connections (cont'd)





Vacuum/Pressure Hose Routing





Vacuum/Pressure Hose Routing (cont'd)









Vacuum/Pressure Distribution





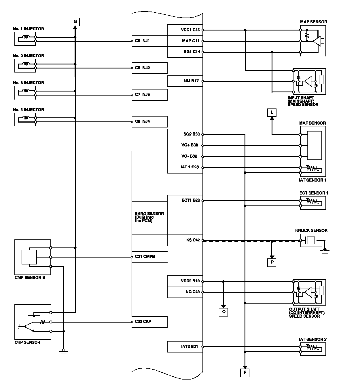
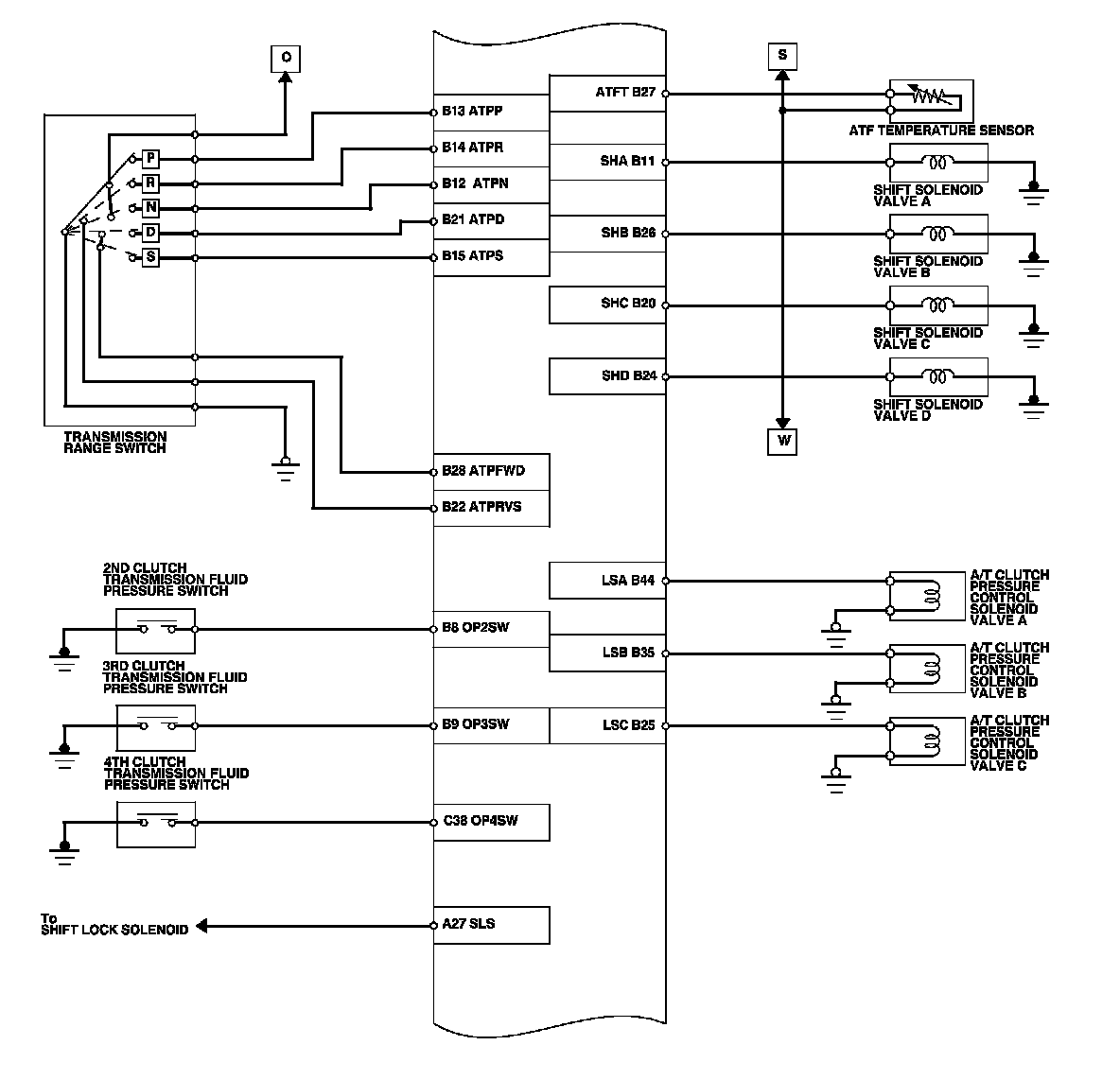
PCM Inputs and Outputs at Connector A (square) (44P)





NOTE: Standard battery voltage is about 12 V.









PCM Inputs and Outputs at Connector A (square) (44P)





NOTE: Standard battery voltage is about 12 V.





PCM Inputs and Outputs at Connector A (square) (44P)





NOTE: Standard battery voltage is about 12 V.





PCM Inputs and Outputs at Connector B (triangle) (44P)





NOTE: Standard battery voltage is about 12 V.









PCM Inputs and Outputs at Connector B (triangle) (44P)





NOTE: Standard battery voltage is about 12 V.





PCM Inputs and Outputs at Connector B (triangle) (44P)





NOTE: Standard battery voltage is about 12 V.





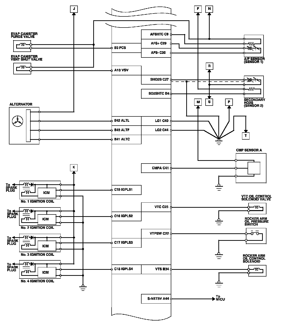
PCM Inputs and Outputs at Connector C (circle) (44P)





NOTE: Standard battery voltage is about 12 V.









PCM Inputs and Outputs at Connector C (circle) (44P)





NOTE: Standard battery voltage is about 12 V.





PCM Inputs and Outputs at Connector C (circle) (44P)





NOTE: Standard battery voltage is about 12 V.





PGM-FI System

The programmed fuel injection (PGM-FI) system is a sequential multiport fuel injection system.

Air Conditioning (A/C) Compressor Clutch Relay

When the PCM receives a demand for cooling from the A/C system, it delays the compressor from being energized, and enriches the mixture to assure smooth transition to the A/C mode.

Air Fuel Ratio (A/F) Sensor

The A/F sensor operates over a wide air/fuel range. The A/F sensor is installed upstream of the warm up three way catalytic converter (WU-TWC), and sends signals to the PCM which varies the duration of fuel injection accordingly.






Barometric Pressure (BARO) Sensor

The BARO sensor is inside the PCM. It converts atmospheric pressure into a voltage signal that modifies the basic duration of the fuel injection discharge.

Camshaft Position (CMP) Sensor B

CMP sensor B detects the position of the No. 1 cylinder as a reference for sequential fuel injection to each cylinder.






Crankshaft Position (CKP) Sensor

The CKP sensor detects crankshaft speed and is used by the PCM to determine ignition timing and timing for fuel injection of each cylinder, and engine misfire detection.






Engine Coolant Temperature (ECT) Sensors 1 and 2

ECT sensors 1 and 2 are temperature dependent resistors (thermistors). The resistance decreases as the engine coolant temperature increases.

ECT sensor 1 is on the cylinder head, and ECT sensor 2 is on the radiator.

ECT sensor 1





ECT sensor 2





Ignition Timing Control

The PCM contains the memory for basic ignition timing at various engine speeds and manifold absolute pressure. It also adjusts the timing according to engine coolant temperature and intake air temperature.

Injector Timing and Duration

The PCM contains the memory for basic discharge duration at various engine speeds and manifold pressures. The basic discharge duration, after being read out from the memory, is further modified by signals sent from various sensors to obtain the final discharge duration.

By monitoring long term fuel trim, the PCM detects long term malfunctions in the fuel system and sets a diagnostic trouble code (DTC).

Knock Sensor

The knock control system adjusts the ignition timing to minimize knock.






Manifold Absolute Pressure (MAP) Sensor

The MAP sensor converts manifold absolute pressure into electrical signals to the PCM.






Malfunction Indicator Lamp (MIL) Indication (In relation to Readiness Codes)

The vehicle has certain "readiness codes" that are part of the on-board diagnostics for the emissions systems. If the vehicle's battery has been disconnected or gone dead, if the DTCs have been cleared, or if the PCM has been reset, these codes are reset. In some states, part of the emissions testing is to make sure these codes are set to complete. If all of them are not set to complete, the vehicle may fail the test, or the test cannot be finished.

To check if the readiness codes are set to complete, turn the ignition switch to ON (II), but do not start the engine. The MIL will come on for 15-20 seconds. If it then goes off, the readiness codes are complete. If it flashes five times, one or more readiness codes are not complete. To set each code, drive the vehicle or run the engine as described in the procedures. Monitors, Trips, Drive Cycles and Readiness Codes

Mass Air Flow (MAF) Sensor/Intake Air Temperature (IAT) Sensor 1

The mass air flow (MAF) sensor/intake air temperature (IAT) sensor contains a hot wire and a thermistor. It is located in the intake air passage. The resistance of the hot wire and thermistor change due to intake air flow and air temperature. The control circuit in the MAF sensor controls the current to keep the hot wire at a set temperature. The current is converted to voltage in the control circuit, then output to the PCM.






Intake Air Temperature (IAT) Sensor 2

IAT sensor 2 is a temperature dependent resistor (thermistor). The resistance of the thermistor decreases as the intake air temperature increases.






Output Shaft (Countershaft) Speed Sensor

This sensor detects countershaft speed.






Secondary Heated Oxygen Sensor (Secondary HO2S)

The secondary HO2S detects the oxygen content in the exhaust gas downstream of the warm up three way catalytic converter (WU-TWC), and sends signals to the PCM which varies the duration of fuel injection accordingly. To stabilize its output, the sensor has an internal heater. The PCM compares the HO2S output with the A/F sensor output to determine catalyst efficiency. The secondary HO2S is located on the WU-TWC.






Electronic Throttle Control System

The throttle is electronically controlled by the electronic throttle control system. Refer to the system diagram to see a functional layout of the system.

Idle control: When the engine is idling, the PCM controls the throttle actuator to maintain the proper idle speed according to engine loads.

Acceleration control: When the accelerator pedal is pressed, the PCM opens the throttle valve depending on the accelerator pedal position (APP) sensor signal.

Cruise control: The PCM controls the throttle actuator to maintain set speed when the cruise control is operating. The throttle actuator takes the place of the cruise control actuator.

Accelerator Pedal Position (APP) Sensor

As the accelerator pedal position changes, the sensor varies the signal voltage to the PCM.






Throttle Body

The throttle body is a single-barrel side draft type. The lower portion of the throttle valve is heated by engine coolant from the cylinder head to prevent icing of the throttle plate.






Idle Control System

When the engine is cold, the A/C compressor is on, the transmission is in gear, the brake pedal is pressed, the power steering load is high, or the alternator is charging, the PCM controls current to the throttle actuator to maintain the correct idle speed.

Brake Pedal Position Switch

The brake pedal position switch signals the PCM when the brake pedal is pressed.

Power Steering Pressure (PSP) Switch

The PSP switch signals the PCM when the power steering load is high.

Fuel Supply System

Fuel Cutoff Control

During deceleration with the throttle valve closed, current to the injectors is cut off to improve fuel economy at engine speeds over 850 rpm. Fuel cutoff control also occurs when the engine speed exceeds 6,900 rpm, regardless of the position of the throttle valve, to protect the engine from over-revving. When the vehicle is stopped, the PCM cuts the fuel at engine speeds over 5,000 rpm. Engine speed of fuel cut is lower on a cold engine.

Fuel Pump Control

When the ignition is turned on, the PCM grounds PGM-FI main relay 2 (FUEL PUMP) which feeds current to the fuel pump (fuel pump control module) for 2 seconds to pressurize the fuel system. With the engine running, the PCM grounds PGM-FI main relay 2 (FUEL PUMP) and feeds current to the fuel pump (fuel pump control module). When the engine is not running and the ignition is ON (II), the PCM cuts ground to PGM-FI main relay 2 (FUEL PUMP) which cuts current to the fuel pump (fuel pump control module).

PGM-FI Main Relay 1 and 2

PGM-FI main relay 1 is energized whenever the ignition switch is ON (II) to supply battery voltage to the PCM, power to the injectors, and power for PGM-FI main relay 2 (FUEL PUMP). PGM-FI main relay 2 (FUEL PUMP) is energized to supply power to the fuel pump (fuel pump control module) for 2 seconds when the ignition switch is turned to ON (II), and when the engine is cranking or running.

Transfer Fuel Pump

The fuel in the right side of the fuel tank is drawn over to the left side by the transfer fuel pump.

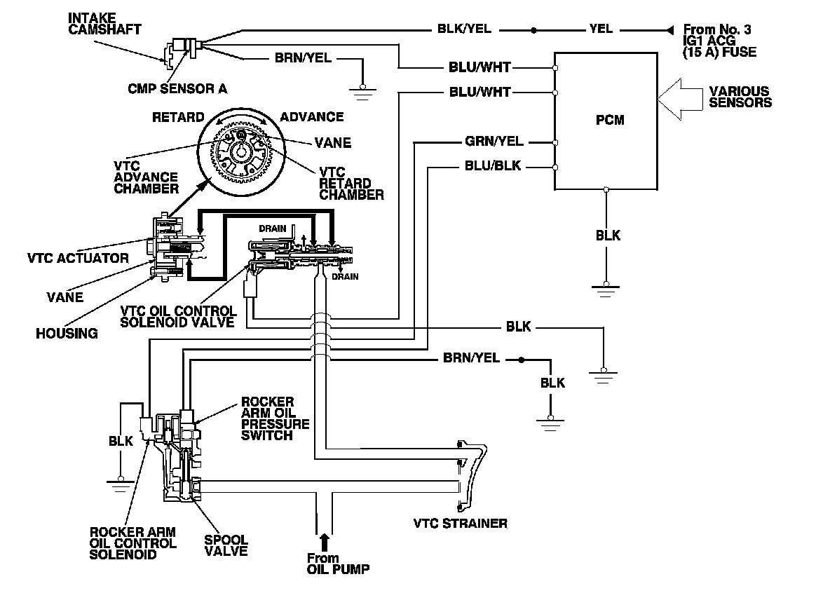
VTEC/VTC

- The i-VTEC has a variable valve timing control (VTC) mechanism on the intake camshaft in addition to the usual VTEC.
This mechanism improves fuel efficiency and reduces exhaust emissions at all levels of engine speed, vehicle speed, and engine load.

- The VTEC mechanism changes the valve lift and timing by using more than one cam profile.

- The VTC changes the phase of the intake camshaft via oil pressure. It changes the intake valve timing continuously.









VTC System

- The VTC system makes continuous intake valve timing changes based on operating conditions.

- Intake valve timing is optimized to allow the engine to produce maximum power.

- Cam angle is advanced to obtain EGR effect and reduce pumping loss. The intake valve is closed quickly to reduce the entry of the air/fuel mixture into the intake port and improve the charging effect.

- The system reduces the cam advance at idle, stabilizes combustion, and reduces engine speed.

- If a malfunction occurs, the VTC system control is disabled and the valve timing is fixed at the fully retarded position.





VTEC System

- The VTEC system changes the one side of the intake side cam profile to correspond to the engine speed. It maximizes torque at low engine speed and output at high engine speed.

- The low lift cam is used by one side of the intake valves at a low engine speed. At high engine speed, both intake valves uses the high lift cam.





VTEC/VTC

System Diagram





Camshaft Position (CMP) Sensor A

CMP sensor A detects camshaft angle position for the VTC system.