Operation CHARM: Car repair manuals for everyone.
Manuals through 2025 now available!

Our trusted friends have launched a new website named LEMON, which has newer manuals. It also contains all the CHARM manuals.

LEMON is the spiritual successor to CHARM, I recommend you try it!

Link: lemon-manuals.la or lemon-manuals.org.ua

(Some people have issue connecting. LEMON is investigating. For now, use Firefox or change your DNS server)

Or, hide this message: temporarily or permanently

Part 2




Fuel and Emissions System Description

Catalytic Converter System

Warm Up Three Way Catalytic Converter (WU-TWC) and Three Way Catalytic Converter (TWC)

The WU-TWC/TWC converts hydrocarbons (HC), carbon monoxide (CO), and oxides of nitrogen (NOx) in the exhaust gas to carbon dioxide (CO2), nitrogen (N2), and water vapor.

WU-TWC (ATTACHED TO THE TURBOCHARGER)





TWC (UNDER THE FLOOR)





Positive Crankcase Ventilation (PCV) System

The PCV valve prevents blow-by gasses from escaping into the atmosphere by venting them into the intake manifold. The PCV valve opens at idle, low load, and decelerating with the throttle valve fully closed.






Evaporative Emission (EVAP) Control System

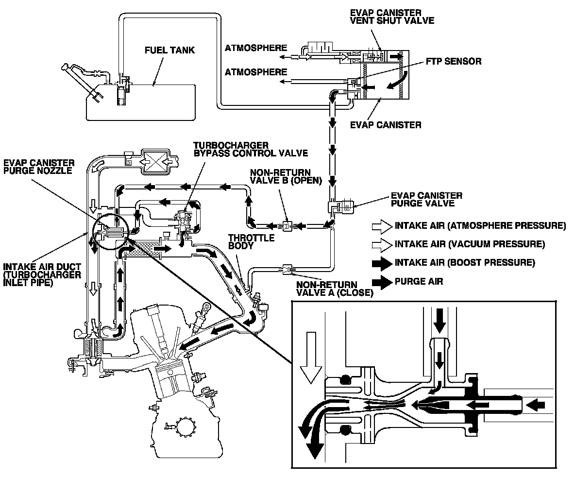
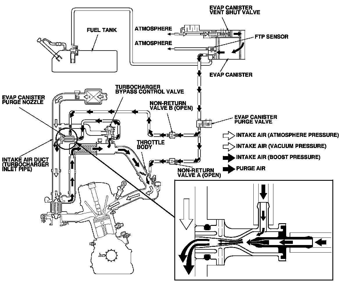
Refer to the system diagram to see the functional layout of the system.

EVAP Canister

The EVAP canister temporarily stores fuel vapor from the fuel tank until it can be purged back into the engine and burned (refer to the system diagram to see the functional layout of the system).

EVAP Canister Purge Valve

When the engine coolant temperature is below 140 °F (60 °C), the PCM turns off the EVAP canister purge valve which cuts vacuum to the EVAP canister.






Fuel Tank Pressure (FTP) Sensor

The FTP sensor converts fuel tank absolute pressure into an electrical input to the PCM.






EVAP Canister Vent Shut Valve

The EVAP canister vent shut valve is on the EVAP canister.

The EVAP canister vent shut valve controls the venting of the EVAP canister.






Fuel Cap Warning Message

The PCM detects a loose or missing fuel fill cap as an evaporative system leak and alerts the driver by showing a warning message in the gauge display.

First drive cycle

The first time a leak is detected a "TIGHTEN FUEL CAP" (multi-information display model) ("CHECK FUEL CAP" (information display model)) message in the gauge display (A). To scroll to another message, press the select/reset button. The "TIGHTEN FUEL CAP"/"CHECK FUEL CAP" message appears each time you restart the engine until the system turns the message off. Turn the engine off then replace or tighten the fuel fill cap until it clicks at least once.

Multi-information display model





Information display model





To make the message go off (with the HDS)

Procedure

1. Tighten the fuel fill cap until it clicks.

2. Clear the Temporary DTC with the HDS.

3. Verify there is no leak by doing the EVAP FUNCTION TEST in the INSPECTION MENU with the HDS.

To make the message go off (without the HDS)

Procedure

4. Tighten the fuel fill cap until it clicks.

5. Start the engine, then turn the ignition switch to LOCK (0).

6. Repeat step 5 two more times.

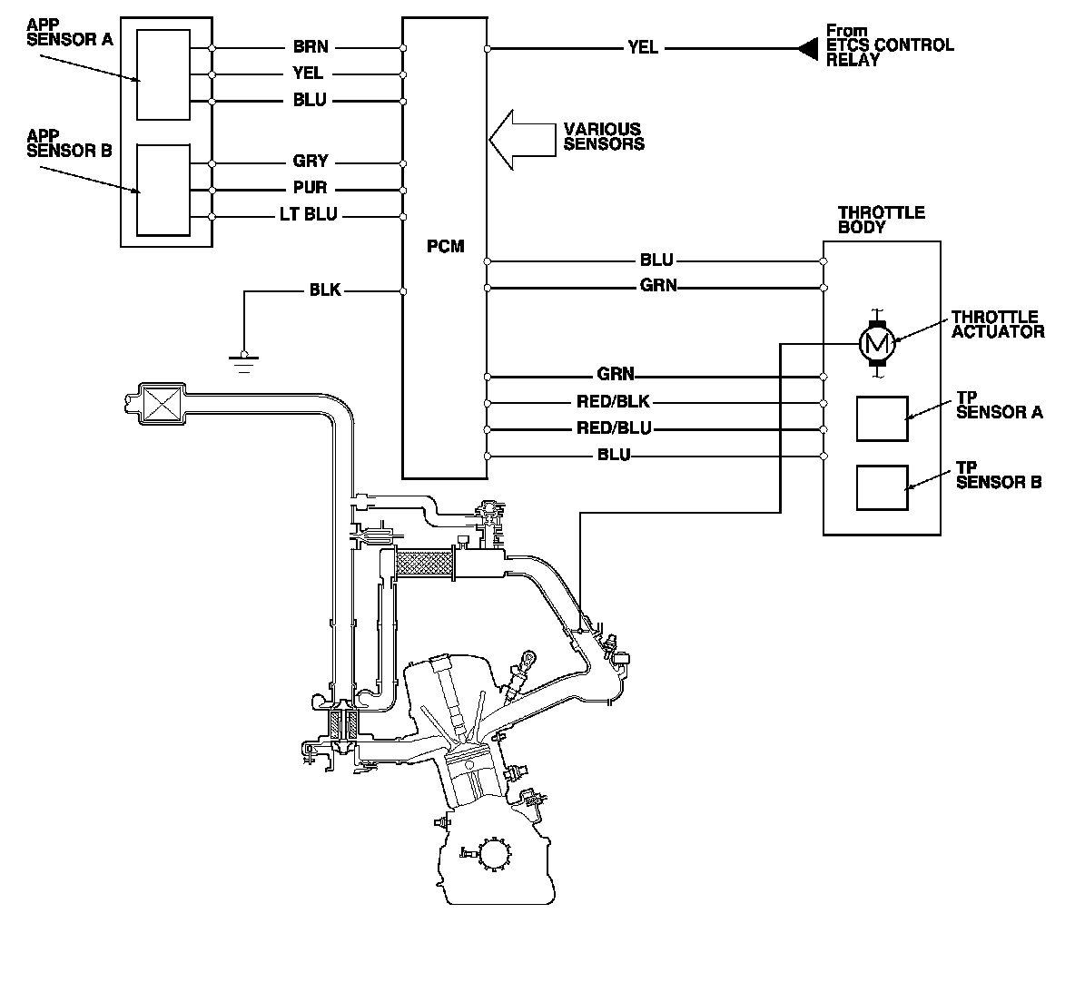
Electronic Throttle Control System Diagram

The electronic throttle control system consists of the throttle actuator, throttle position (TP) sensor A/B, accelerator pedal position (APP) sensor A/B, the electronic throttle control system (ETCS) control relay, and the PCM.






Evaporative Emissions (EVAP) Control System Diagram

The EVAP control system minimizes the fuel vapor escaping to the atmosphere. Vapor from the fuel tank is temporarily stored in the EVAP canister until it can be purged from the canister into the engine and burned. The purge amount and timing is duty controlled by the PCM by operating the EVAP canister purge valve. This system is operated whenever the engine coolant temperature is above 140 °F (60 °C). For this turbo engine model, there are two different purge flow passages, because the intake manifold pressure can be positive (boost pressure) or negative (vacuum pressure).

Purge to the throttle body

When the engine is under a low load condition, the pressure inside the intake manifold is negative (vacuum pressure). The vacuum pressure of the intake manifold opens non-return valve A and closes non-return valve B. Under this condition, the purge air flows from the EVAP canister through the EVAP canister purge valve and non-return valve A, into the throttle body.






Purge to the intake air duct (turbocharger inlet pipe)

When the engine load increases, the pressure after the turbocharger changes to positive pressure due to turbocharger operation. The boost pressure at the throttle body closes non-return valve A, and due to the boost pressure at the charge air cooler, some part of the compressed air flows through the passage from the air bypass valve base to the intake air duct (turbocharger inlet pipe). When the speed of that compressed air increases at the EVAP canister purge nozzle, it draws the purge air from the EVAP canister side. The non-return valve B opens by this vacuum pressure, and the purge air flows from the EVAP canister through the EVAP canister purge valve and non-return valve B, into the intake air duct (turbocharger inlet pipe).






Purge to the both intake air duct (turbocharger inlet pipe) and the throttle body

When the engine is under a mid load condition, the pressure after the turbocharger is positive due to the turbocharger operation, but the pressure at the intake manifold is negative because the throttle valve is nearly closed. Under this condition, both non-return valves A and B open and the purge air flows from the EVAP canister through the EVAP canister purge valve and non-return valves A and B, into the throttle body and the intake air duct (turbocharger inlet pipe).






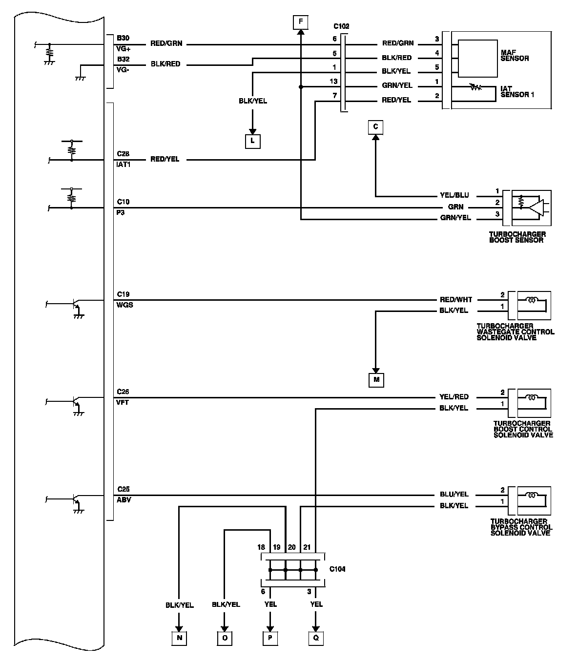
Turbocharger Control System

Refer to the system diagram to see a functional layout of the system.

Turbocharger Boost Sensor

This sensor converts charge air cooler pressure into an electrical signal that is received by the PCM.






Turbocharger Wastegate Control Solenoid Valve

This solenoid valve controls pressure to the turbocharger wastegate control actuator. The solenoid itself is controlled by the PCM. The following information describes the ports on the valve and where the pressure flows when the solenoid switches the valve on and off.






Turbocharger Bypass Control Solenoid Valve

This solenoid valve controls pressure to the turbocharger bypass control valve. The solenoid itself is controlled by the PCM. The following information describes the ports on the valve and where the pressure flows when the solenoid switches the valve on and off.






Turbocharger Boost Control Solenoid Valve

This solenoid valve controls pressure to the turbocharger boost control valve. The solenoid itself is controlled by the PCM. The following information describes the ports on the valve and where the pressure flows when the solenoid switches the valve on and off.






Turbocharger Control System Diagram

The turbocharger control system controls the boost pressure and the response of the turbocharger. The PCM controls the turbocharger wastegate control solenoid valve (duty controlled), the turbocharger bypass control solenoid valve (on/off controlled), and the turbocharger boost control valve (duty controlled). The boost pressure is monitored by the turbocharger boost sensor.






Turbocharger Wastegate Control System

This system controls the wastegate control solenoid to prevent the turbo from exceeding maximum boost pressure. This system is duty controlled by the PCM. The descriptions A and B are the two conditions of duty. Condition A (maximum duty) and condition B (minimum duty). At other times, the turbocharger wastegate control solenoid controls both the passages from the intake air duct (turbocharger inlet connecting tube), and the intake air duct (turbocharger outlet pipe) to the turbocharger wastegate control actuator.

Condition A (maximum duty):

When the turbocharger boost sensor signal is lower than the upper limit, the PCM turns on (maximum duty) the turbocharger wastegate control solenoid valve, and opens the passage between the intake air duct (turbocharger inlet connecting tube) and the turbocharger wastegate control actuator and closes the passage from the intake air duct (turbocharger outlet pipe) and the turbocharger wastegate control actuator. The pressure at the turbocharger wastegate control actuator is released to the intake air duct (turbocharger inlet connecting tube), and the spring in the turbocharger wastegate control actuator closes the turbocharger wastegate control valve. In this condition, all of the exhaust gas flows to the turbine. This increases the rpm of the turbine, increasing boost pressure.






Condition B (minimum duty):

When the turbocharger boost sensor signal reaches the upper limit, the PCM turns off (minimum duty) the turbocharger wastegate control solenoid valve, and opens the passage between the intake air duct (turbocharger outlet pipe) and the turbocharger wastegate control actuator and closes the passage from the intake air duct (turbocharger inlet connecting tube) and the turbocharger wastegate control actuator. The boost pressure from the intake air duct (turbocharger outlet pipe) pushes the turbocharger wastegate control actuator and opens the turbocharger wastegate control valve. In this condition, only a portion of the exhaust gas flows through the bypass passage bypassing the turbocharger wastegate control valve, and the amount of exhaust gas to the turbocharger decreases. This decreases the rpm of the turbine decreasing boost pressure.






Turbocharger Bypass Control System

This system improves the boost response of acceleration immediately after deceleration. This system also protects the turbocharger from the negative effects of compressor surge during high boost. The descriptions A and B are the two conditions of the turbocharger bypass control solenoid valve on and off. Condition A (on) and condition B (off).

Condition A (Solenoid Valve ON):

When the vehicle is in cruise or accelerating, the PCM turns on the turbocharger bypass control solenoid valve, and opens the passage between the charge air cooler and the turbocharger bypass control valve and closes the passage between the intake manifold and the turbocharger bypass control valve. The boost pressure from the charge air cooler pushes the turbocharger bypass control valve, and closes the passage between the charge air cooler and the intake air duct (turbocharger inlet pipe). By doing this, all compressed air is routed to the intake manifold.






Condition B (Solenoid Valve OFF):

During the deceleration with the throttle valve closed, the PCM turns off the turbocharger bypass control solenoid valve and opens the passage between the intake manifold and the turbocharger bypass control valve and closes the passage between the charge air cooler and the turbocharger bypass control valve. The vacuum pressure from the intake manifold pulls the turbocharger bypass control valve and opens the passage between the charge air cooler and the intake air duct (turbocharger inlet pipe). By doing this, the compressed air flows from the charge air cooler to the intake air duct (turbocharger inlet pipe) to keep the turbine spinning. This improves the acceleration response of the turbocharger after deceleration.






Turbocharger Boost Control System

This system controls the exhaust gas passage to the turbine by changing the variable flap angle. The variable flap is moved by the turbocharger boost control actuator, and it is duty controlled by the PCM depending on the driving condition.






When the variable flap is fully closed, all exhaust gas flows to the inner scroll of the turbocharger. Under this condition, the exhaust gas speed is accelerated, and the turbocharger response is improved. When the variable flap is fully opened, the exhaust gas flows through both the outer and the inner scroll of the turbocharger. Under this condition, the exhaust gas is efficiently used to improve the maximum boost. Because of this system, the turbocharger functions both as a quick responding small size turbocharger, and high capacity turbocharger.

The description A and B are the two conditions of duty. Condition A (maximum duty) and condition B (minimum duty). At other times, the turbocharger boost controls both the passages from the intake air duct (turbocharger inlet connecting tube), and the intake air duct (turbocharger outlet pipe) to the turbocharger boost control actuator.

Condition A (maximum duty):

Under a low engine speed/low load condition (with only a small amount of exhaust gas), the PCM turns on (maximum duty) the turbocharger boost control solenoid valve and opens the passage between the intake air duct (turbocharger inlet connecting tube) and the turbocharger boost control actuator and closes the passage between the intake air duct (turbocharger outlet pipe) and the turbocharger boost control actuator. The pressure at the turbocharger boost control actuator is released to the intake air duct (turbocharger inlet connecting tube), and the spring inside the turbocharger boost control actuator closes the variable flap. With the variable flap closed, the exhaust gas flows at high speed through the inner scroll of the turbocharger improving the turbo response.






Condition B (minimum duty):

Under a mid or high load conditions (with large amount of exhaust gas), the PCM turns off (minimum duty) the turbocharger boost control solenoid valve and opens the passage between the intake air duct (turbocharger outlet pipe) and the turbocharger boost control actuator and closes the passage between the intake air duct (turbocharger inlet connecting tube) and the turbocharger boost control actuator. The boost pressure from intake air duct (turbocharger outlet pipe) pushes the turbocharger boost control actuator which opens the variable flap. With the variable flap opened, the exhaust gas flows through both the inner and the outer scroll for efficient turbo operation at mid and high engine speed.






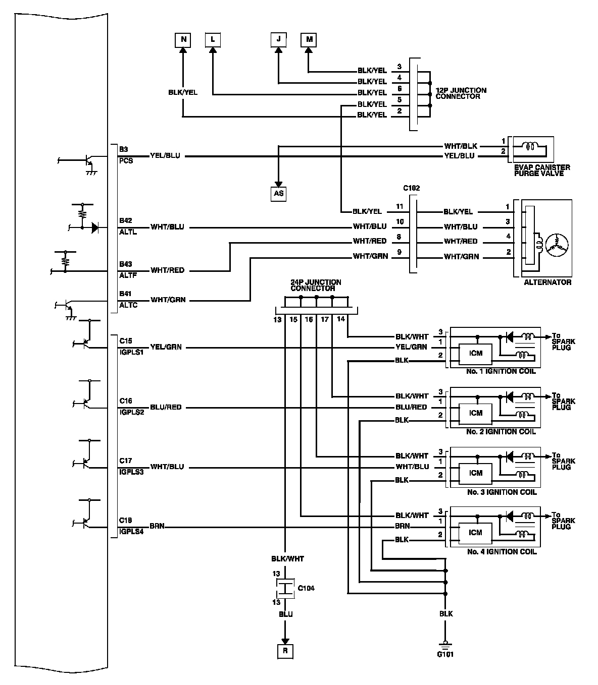
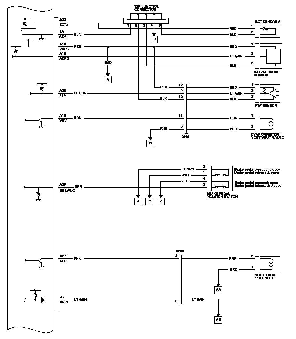
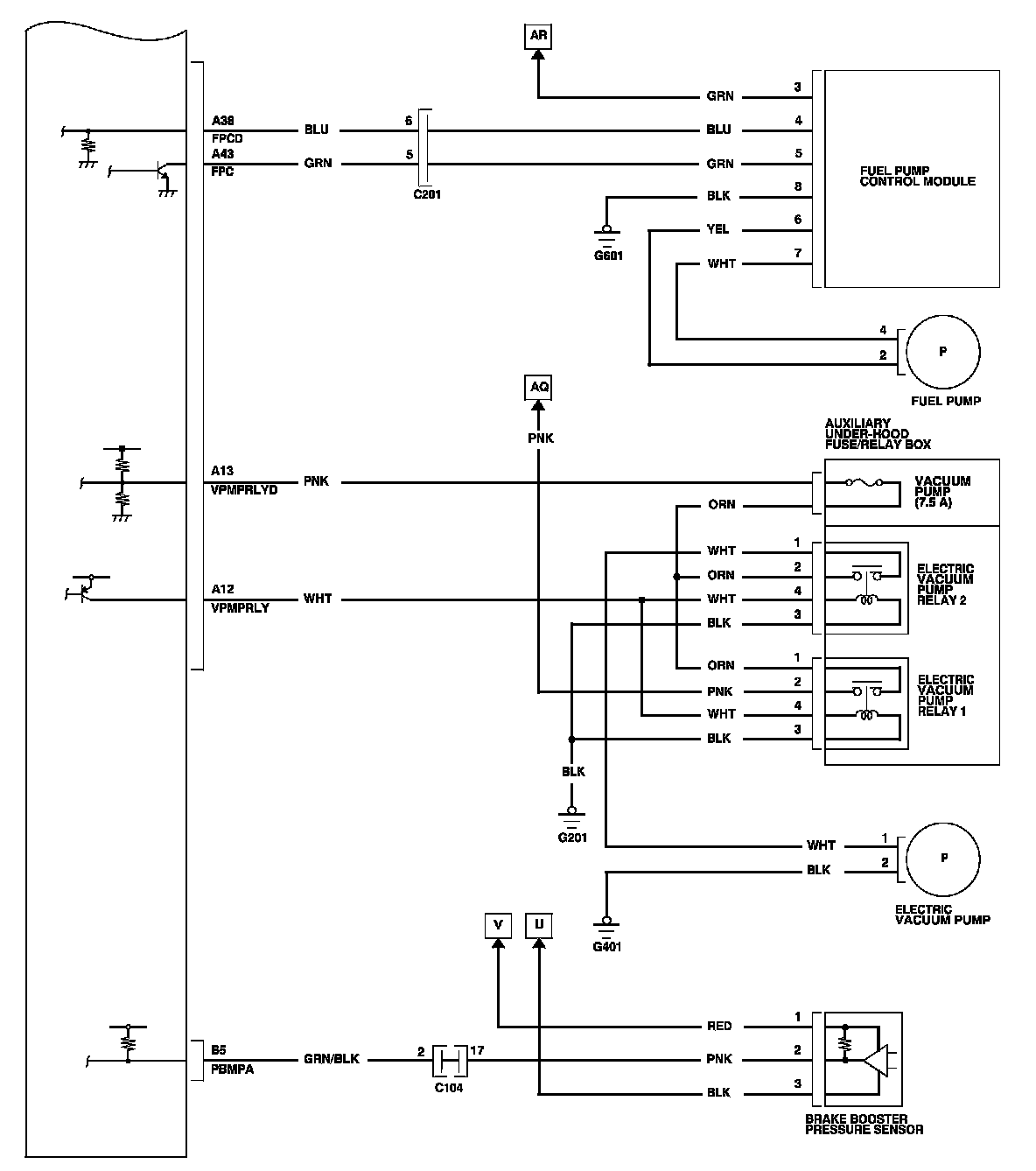
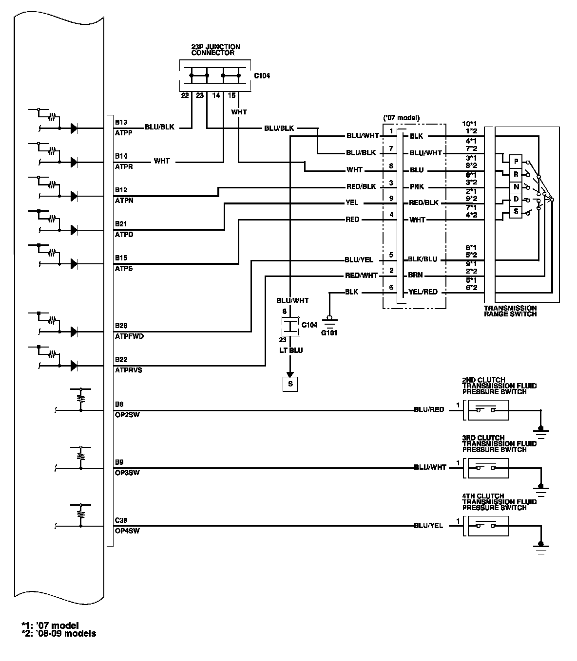
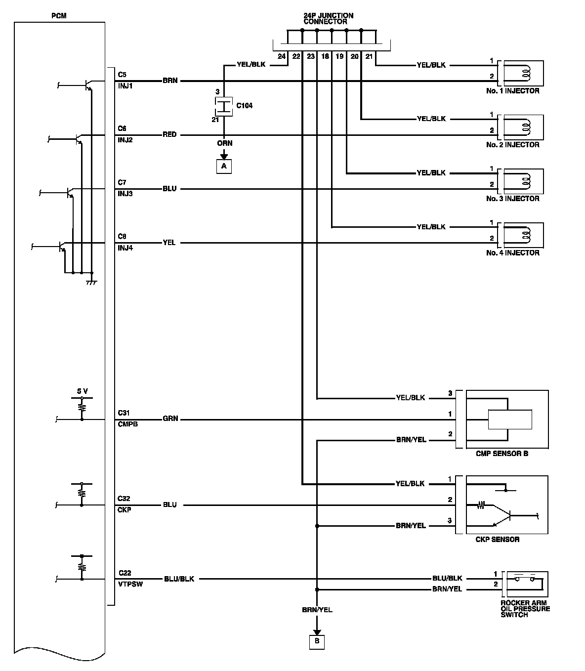
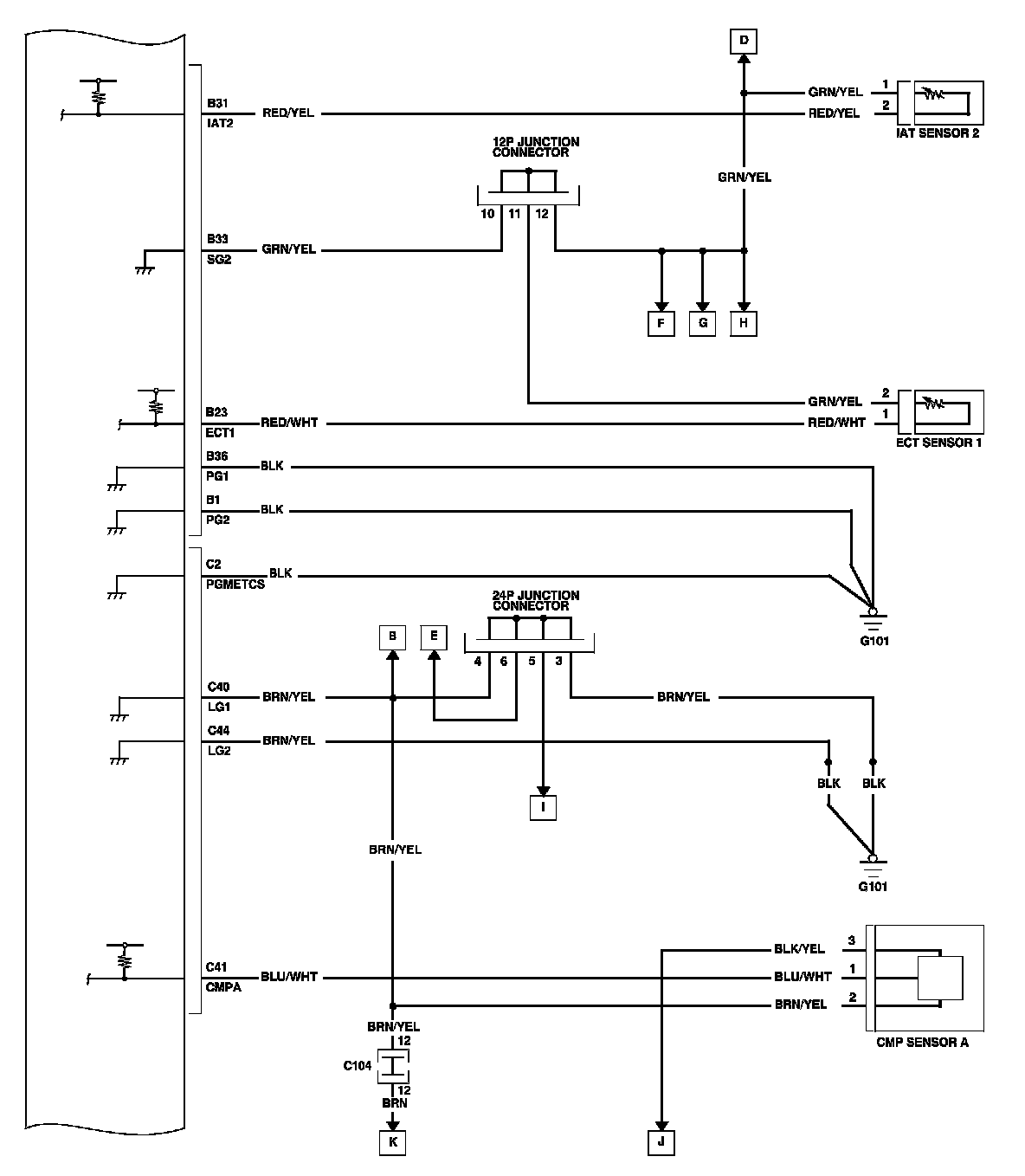
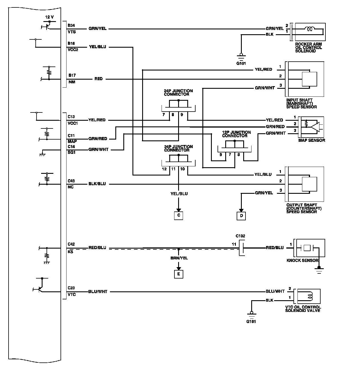
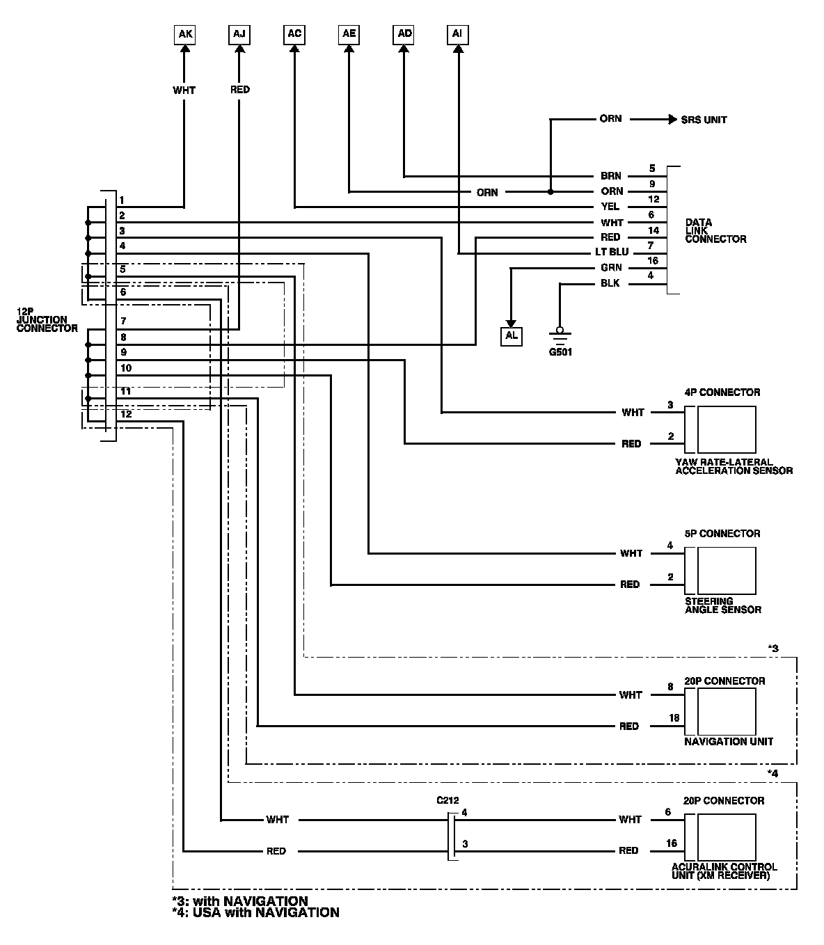
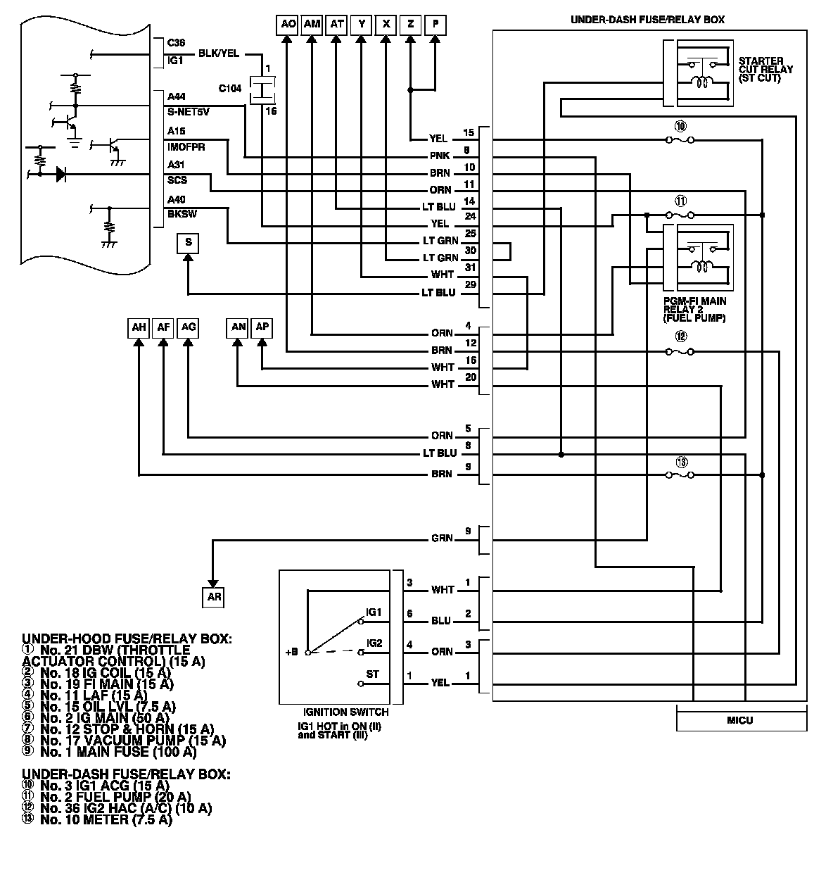
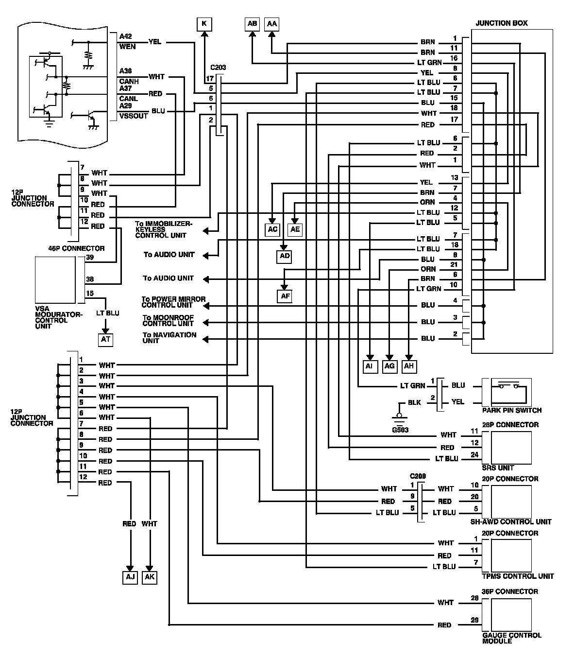
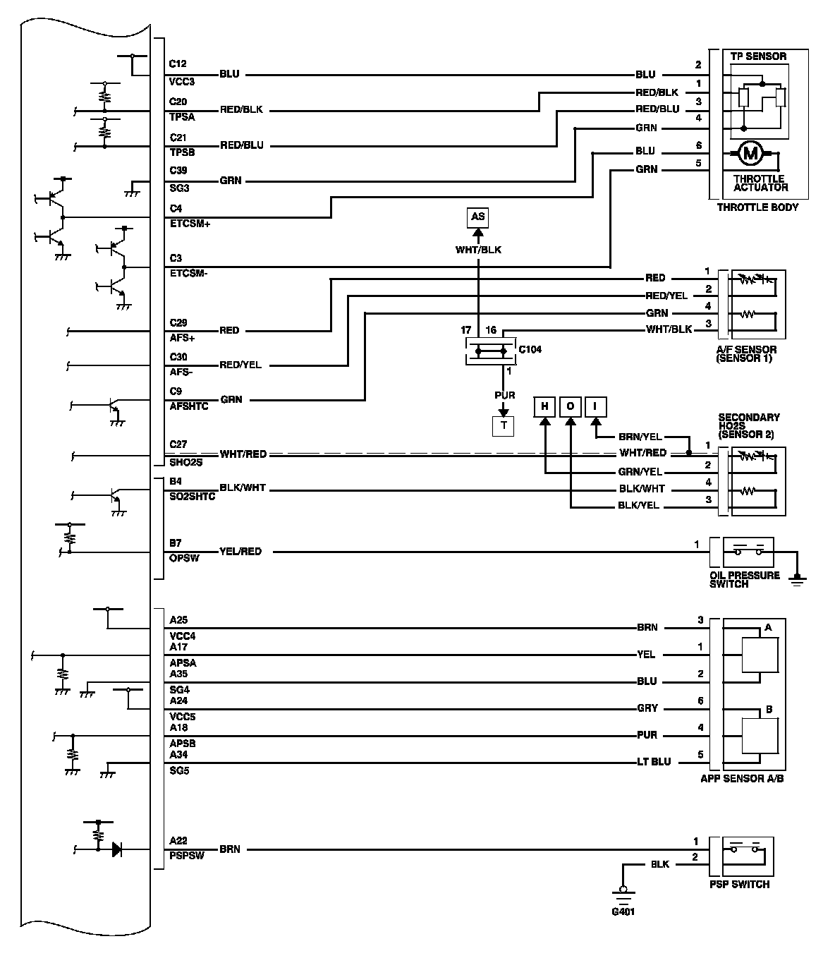
PCM Circuit Diagram









PCM Circuit Diagram (cont'd)









PCM Circuit Diagram (cont'd)









PCM Circuit Diagram (cont'd)









PCM Circuit Diagram (cont'd)









PCM Circuit Diagram (cont'd)









PCM Circuit Diagram (cont'd)