Engine Control Module: Service and Repair
PCM Replacement
Special Tools Required
- Honda diagnostic system (HDS) tablet tester
- Honda interface module (HIM) and an iN workstation with HDS and CM update software
- HDS pocket tester
- GNA600 and an iN workstation with HDS and CM update software
Use any one of these update tools.
1. Connect the HDS to the data link connector (DLC) (A) located under the driver's side of the dashboard.
2. Turn the ignition switch to ON (II).
3. Make sure the HDS communicates with the PCM and other vehicles system. If it doesn't, go to the DLC circuit troubleshooting. Testing and Inspection If you are returning from DLC circuit troubleshooting, skip steps 4 through 9, 18 through 23, and 26 through 28, and do parts procedures after replacing the PCM (USA, Canada models);
- Replace the engine oil Service and Repair and the engine oil filter. Service and Repair
- Replace the ATF. ATF Replacement
- Clean the throttle body. Procedures
4. USA, Canada models: Select the PGM-FI system with the HDS.
5. USA, Canada models: Select the INSPECTION MENU with the HDS.
6. USA, Canada models: Select the ETCS TEST, then select the TP POSITION CHECK, and follow the screen prompts.
NOTE: If the TP POSITION CHECK indicates FAILED, continue with this procedure.
7. USA, Canada models: Select the REPLACE PCM MENU, then select READ DATA, and follow the screen prompts.
NOTE:
- Doing this step copies (READS) the engine oil life data from the original PCM so you can later download (WRITES) it into the new PCM.
- If READ DATA indicates FAILED, continue with this procedure.
8. USA, Canada models: Select the A/T system with the HDS.
9. USA, Canada models: Select the REPLACE TCM/PCM MENU, then select READ DATA, and follow the screen prompts.
NOTE:
- Doing this step copies (READS) the ATF life data from the original PCM so you can later download (WRITES) it into the new PCM.
- If READ DATA indicates FAILED, continue with this procedure.
10. Turn the ignition switch to LOCK (0).
11. Jump the SCS line with the HDS.
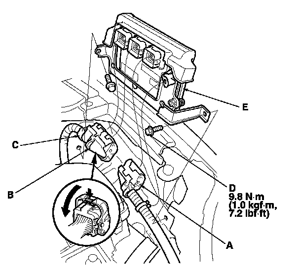
12. Disconnect PCM connectors A, B, and C.
NOTE: PCM connectors A, B, and C have symbols (A=(square), B=(triangle) , C=(circle)) embossed on them for identification.
13. Remove the bolt (D), and remove the PCM assembly (E).
14. Remove the cover (A), and the bracket (B) from the PCM (C).
15. Install the parts in the reverse order of removal.
16. Turn the ignition switch to ON (II).
17. Manually input the VIN to the PCM with the HDS.
NOTE: DTC P0630 "VIN Not Programmed or Mismatch" may be stored because the VIN has not been programmed into the PCM; ignore it, and continue this procedure.
18. USA, Canada models: If the READ DATA (engine oil life) failed in step 7, go to step 22. Otherwise, go to step 19.
19. USA, Canada models: Select the PGM-FI system with the HDS.
20. USA, Canada models: Select the REPLACE PCM MENU, then select WRITE DATA, and follow the screen prompts.
NOTE: If the WRITE DATA indicates FAILED, continue with this procedure.
21. USA, Canada models: If the READ DATA (ATF life) failed in step 9, go to step 24. Otherwise, go to step 22.
22. USA, Canada models: Select the A/T system with the HDS.
23. USA, Canada models: Select the REPLACE TCM/PCM MENU, then select WRITE DATA, and follow the screen prompts.
NOTE: If the WRITE DATA indicates FAILED, continue with this procedure.
24. Select IMMOBI system with the HDS.
25. Enter the immobilizer code with the PCM replacement procedure in the HDS; it allows you to start the engine.
26. USA, Canada models: If the TP POSITION CHECK failed in step 6, clean the throttle body, Procedures then go to step 27.
27. USA, Canada models: If the READ DATA failed in step 7 or the WRITE DATA failed in step 20, replace the engine oil Service and Repair and engine oil filter, Service and Repair then go to step 28.
28. USA, Canada models: If the READ DATA failed in step 9, or the WRITE DATA failed in step 23, replace the ATF, ATF Replacement then go to step 29.
29. Select PGM-FI system and reset the PCM with the HDS.
30. Update the PCM if it does not have the latest software. PCM Update
31. Do the PCM idle learn procedure. PCM Idle Learn Procedure
32. Do the CKP pattern learn procedure. Initial Inspection and Diagnostic Overview