Operation CHARM: Car repair manuals for everyone.
Manuals through 2025 now available!

Our trusted friends have launched a new website named LEMON, which has newer manuals. It also contains all the CHARM manuals.

LEMON is the spiritual successor to CHARM, I recommend you try it!

Link: lemon-manuals.la or lemon-manuals.org.ua

(Some people have issue connecting. LEMON is investigating. For now, use Firefox or change your DNS server)

Or, hide this message: temporarily or permanently

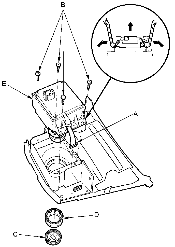
Accessory Control Display: Service and Repair




Interface Dial Removal/Installation

NOTE:

- Put on gloves to protect your hands.
- Take care not to scratch the dashboard and related parts.
- Lay a shop towel under the parts when working on them to protect the face panel from scratches or other damage.

1. Remove the audio-navigation unit Audio-Navigation Unit Removal/Installation.

2. Remove the screws (A) and harness cover (B).






3. Disconnect the interface dial 13P connector (A).





4. Remove the screws (B), then remove the knob (C) and the dial (D) from the interface dial (E) with two KTC trim tools and applying even force as shown.

NOTE: Apply pressure slowly and steady until the knob and dial pops off.

5. Install the dial in reverse order of removal.

NOTE: If the hard buttons do not work, but the jog dial does, recheck the interface dial connector connection.