Operation CHARM: Car repair manuals for everyone.
Manuals through 2025 now available!

Our trusted friends have launched a new website named LEMON, which has newer manuals. It also contains all the CHARM manuals.

LEMON is the spiritual successor to CHARM, I recommend you try it!

Link: lemon-manuals.la or lemon-manuals.org.ua

(Some people have issue connecting. LEMON is investigating. For now, use Firefox or change your DNS server)

Or, hide this message: temporarily or permanently

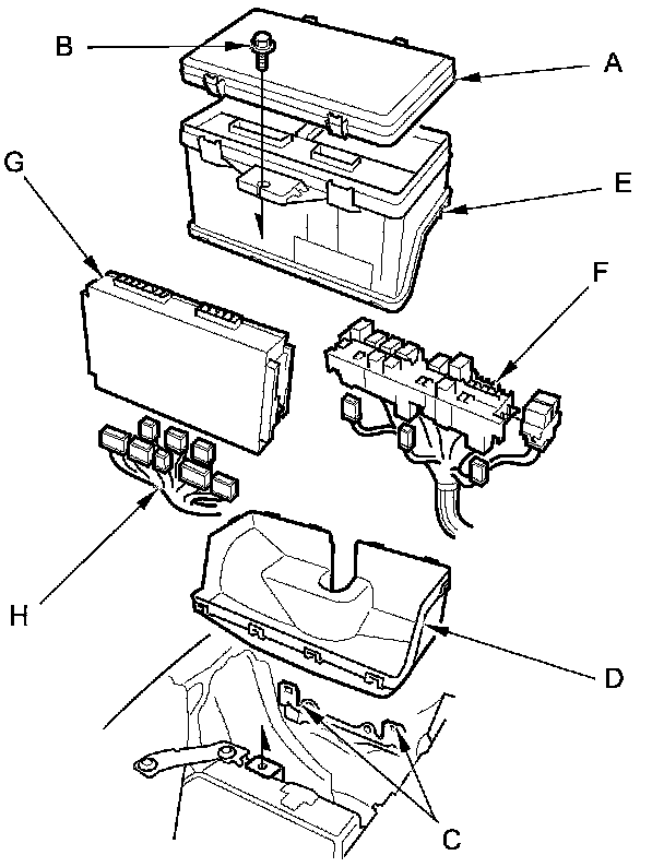
Under-Hood Fuse/Relay Box Removal and Installation




Under-Hood Fuse/Relay Box Removal and Installation

Removal

1. Do the battery terminal disconnection procedure, and wait for at least 3 minutes.

2. Remove the cover (A) of the under-hood fuse/relay box, and carefully remove the relays by prying under the base of the relay.

NOTE: Do not use pliers. Pliers will damage the relays, which could cause the engine to stall or not start or cause other functions to fail.






3. Remove the bolt (B) and release the tabs (C), then remove the bottom cover (D) from the under-hood fuse/relay box (E).

4. Remove the relay block part (F) from the under-hood fuse/relay box.

5. Remove the relay control module part (G) from the under-hood fuse/relay box, then disconnect the connectors (H) from the relay control module.

Installation

1. Install the relay control module and relays, then connect the connectors to the under-hood fuse/relay box.

2. Install the cover to the bottom of the under-hood fuse/relay box.

3. Install the under-hood fuse/relay box and the removed parts in the reverse order of removal.

4. Do the battery terminal reconnection procedure.

5. Confirm that all systems work properly.