Operation CHARM: Car repair manuals for everyone.
Manuals through 2025 now available!

Our trusted friends have launched a new website named LEMON, which has newer manuals. It also contains all the CHARM manuals.

LEMON is the spiritual successor to CHARM, I recommend you try it!

Link: lemon-manuals.la or lemon-manuals.org.ua

(Some people have issue connecting. LEMON is investigating. For now, use Firefox or change your DNS server)

Or, hide this message: temporarily or permanently

Initial Inspection and Diagnostic Overview




How to Troubleshoot the Fuel and Emissions Systems

Intermittent Failures

The term intermittent failure means a system may have had a failure, but it checks OK now. If the malfunction indicator lamp (MIL) on the dash does not come on, check for poor connections or loose terminals at all connectors related to the circuit that you are troubleshooting. If the MIL was on but then went out, the original problem may have been intermittent.

Service Information

Periodically, new PCM software or new service procedures may become available. Always check online for the latest software or service information related to the DTCs or symptoms you are troubleshooting.

Opens and Shorts

Open and short are common electrical terms. An open is a break in a wire or at a connection. A short is an accidental connection of a wire to ground or to another wire. In simple terms, this usually means something won't work at all. With complex electronics (such as PCMs) this can sometimes mean something works, but not the way it's supposed to.

How to Use the HDS (Honda Diagnostic System)

If the MIL (malfunction indicator lamp) has come on

1. Start the engine, and check the MIL (A).

NOTE: If the ignition switch is turned to ON (II), and the engine is not started, the MIL stays on for 15-20 seconds Monitors, Trips, Drive Cycles and Readiness Codes.






2. If the MIL stays on, connect the HDS to the data link connector (DLC) (A) located under the driver's side of the dashboard.





3. Turn the ignition switch to ON (II).

4. Make sure the HDS communicates with the PCM and other vehicle systems. If it doesn't, go to the DLC circuit troubleshooting Testing and Inspection.

5. Check the diagnostic trouble code (DTC) and note it. Also check the freeze data and/or on-board snapshot data, and download any data found. Then refer to the indicated DTC's troubleshooting, and begin the appropriate troubleshooting procedure.

NOTE:

- Freeze data indicates the engine conditions when the first system malfunction, misfire, or fuel trim malfunction that activated the MIL was detected.
- The HDS can read the DTC, freeze data, on-board snapshot, current data, and other powertrain control module (PCM) data.
- For specific operations, refer to the user's manual that came with the HDS.

6. If no DTCs are found, go to MIL troubleshooting MIL Circuit Troubleshooting.

If the MIL did not stay on

If the MIL did not stay on but there is a driveability problem, do the symptom troubleshooting.

If you can't duplicate the DTC

Some of the troubleshooting requires you to reset the PCM and try to duplicate the DTC. If the problem is intermittent and you can't duplicate the code, do not continue through the procedure. To do so will only result in confusion and possibly, a needlessly replaced PCM.

HDS Clear Command

The PCM stores various specific data to backup the system even if there is no electrical power such as when the battery negative terminal is disconnected. Stored data based on failed parts should be cleared by using the CLEAR COMMAND of the HDS, if parts are replaced.

The HDS has three kinds of clear commands to meet this purpose. They are DTC clear, PCM reset, and CKP pattern clear. DTC clear command erases all stored DTC codes, freeze data, on-board snapshot, and readiness codes. This must be done with the HDS after reproducing the DTC during troubleshooting.

The PCM reset command erases all stored DTCs, freeze data, on-board snapshot, readiness codes, and all specific data to correct the system except CKP pattern. If the CKP pattern data in the PCM was cleared, you must do the CKP pattern learn procedure. The CKP pattern clear command erases only CKP pattern data. This command is for repair of a misfire or the CKP sensor.

Scan Tool Clear Command

If you are using a generic scan tool to clear commands, be aware that there is only one setting for clearing the PCM, and it clears all commands at the same time (CKP pattern learn, idle learn, readiness codes, freeze data, on-board snapshot, and DTCs). After you clear all commands, you then need to do these procedures, in this order: PCM idle learn procedure PCM Idle Learn Procedure; CKP pattern learn procedure; test-drive to set readiness codes to complete Monitors, Trips, Drive Cycles and Readiness Codes.

DTC Clear

1. Clear the DTC with the HDS while the engine is stopped.

2. Turn the ignition switch to LOCK (0).

3. Turn the ignition switch to ON (II), and wait 30 seconds.

4. Turn the ignition switch to LOCK (0), and disconnect the HDS from the DLC.

PCM Reset

1. Reset the PCM with the HDS while the engine is stopped.

2. Turn the ignition switch to LOCK (0).

3. Turn the ignition switch to ON (II), and wait 30 seconds.

4. Turn the ignition switch to LOCK (0), and disconnect the HDS from the DLC.

5. Do the PCM idle learn procedure PCM Idle Learn Procedure.

CKP Pattern Clear/CKP Pattern Learn

Clear/Learn Procedure (with the HDS)

1. Connect the HDS to the data link connector (DLC) (A) located under the driver's side of the dashboard.





2. Turn the ignition switch to ON (II).

3. Make sure the HDS communicates with the PCM and other vehicle systems. If it doesn't, go to the DLC circuit troubleshooting Testing and Inspection.

4. Select CRANK PATTERN in the ADJUSTMENT MENU with the HDS.

5. Select CRANK PATTERN CLEAR, and clear the CKP pattern.

6. Select CRANK PATTERN LEARNING with the HDS, and follow the screen prompts.

Learn Procedure (without the HDS)

1. Start the engine. Hold the engine speed at 3,000 rpm without load (in P or N) until the radiator fan comes on.

2. Test-drive the vehicle on a level road: Decelerate (with the throttle fully closed) from an engine speed of 2,500 rpm down to 1,000 rpm with the transmission in D.

3. Repeat step 2 several times.

4. Turn the ignition switch to LOCK (0).

5. Turn the ignition switch to ON (II), and wait 30 seconds.

How to End a Troubleshooting Session (required after any troubleshooting)

1. Reset the PCM with the HDS.

2. Do the PCM idle learn procedure PCM Idle Learn Procedure.

3. Turn the ignition switch to LOCK (0).

4. Disconnect the HDS from the DLC.

NOTE: The PCM is part of the immobilizer system. If you replace the PCM, you must use the HDS to instruct the new PCM and the immobilizer-keyless control unit to recognize each other's unique serial code.

How to Troubleshoot Circuits at the PCM Connectors

NOTE: The PCM overwrites data and monitors the EVAP system for about 45 minutes after the ignition switch is turned to LOCK (0). Jumping the SCS line after turning the ignition switch to LOCK (0) cancels this function. Disconnecting the PCM during this function, without jumping the SCS line first, can damage the PCM.

1. Jump the SCS line with the HDS.

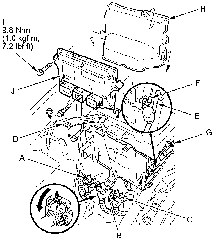
2. Remove the auxiliary under-hood fuse/relay box (A) from the stay (B), then remove the bolt (C).






3. Remove the bracket (D), then free the A/C discharge line (E) from the clip (F) and remove the A/C suction line mounting bracket bolt (G).





4. Remove the cover (H), then disconnect PCM connectors A, B, and C.

NOTE: PCM connectors A, B, and C have symbols (A=(square), B=(triangle), C=(circle)) embossed on them for identification.

5. When diagnosis/troubleshooting is done at the PCM connector, use the terminal test port (A) above the terminal you need to check.






6. Connect one side of the patch cord terminals (A) to a commercially available digital multimeter (B), and connect the other side of the terminals (C) to a commercially available banana jack (Pomona Electronics Tool No. 3563 or equivalent) (D).





7. Gently insert the pin probe (male) at the terminal test port from the terminal side. Do not force the tips into the terminals.

NOTICE
- For accurate results, always use the pin probe (male).
- To prevent damage to the connector terminals, do not insert test equipment probes, paper clips, or other substitutes. Damaged terminals cause a poor connection and an incorrect measurement.
- Do not puncture the insulation on a wire. Punctures can cause poor or intermittent electrical connections.



Substituting the PCM

Special Tools Required

- Honda Diagnostic System (HDS) tablet tester
- Honda Interface Module (HIM) and an iN workstation with the latest HDS software version
- HDS pocket tester
- GNA600 and an iN workstation with the latest HDS software version
- MVCI unit with the latest control module (CM) update software installed
Any one of the above updating tools can be used.

NOTE: Use this procedure when you have to substitute a known-good PCM during troubleshooting procedures.

1. Connect the HDS to the data link connector (DLC) (A) located under the driver's side of the dashboard.





2. Turn the ignition switch to ON (II).

3. Make sure the HDS communicates with the PCM and other vehicle systems. If it doesn't, go to the DLC circuit troubleshooting Testing and Inspection. If you are returning from DLC circuit troubleshooting, skip steps 4 and 5, then clean the throttle body Procedures after substituting the PCM.

4. Select the INSPECTION MENU with the HDS.

5. Select the ETCS TEST, then select the TP POSITION CHECK, and follow the screen prompts.

NOTE: If the TP POSITION CHECK indicates FAILED, continue this procedure.

6. Turn the ignition switch to LOCK (0).

7. Jump the SCS line with the HDS.

8. Remove the auxiliary under-hood fuse/relay box (A) from the stay (B), then remove the bolt (C).






9. Remove the bracket (D), then free the A/C discharge line (E) from the clip (F) and remove the A/C suction line mounting bracket bolt (G).





10. Remove the cover (H), then disconnect PCM connectors A, B, and C.

NOTE: PCM connectors A, B, and C have symbols (A=(square), B=(triangle), C=(circle)) embossed on them for identification.

11. Remove the bolts (I) and the PCM (J).

12. Install a known-good PCM in the reverse order of removal.

13. Turn the ignition switch to ON (II).

NOTE: DTC P0630 (VIN Not Programmed or Mismatch) may be stored because the VIN has not been programmed into the PCM; ignore it, and continue this procedure.

14. Manually input the VIN to the PCM with the HDS.

15. Select the IMMOBI SYSTEM with the HDS.

16. Enter the immobilizer PCM code that you got from the iN, and use the PCM replacement procedure in the IMMOBI MENU of the HDS; it allows you to start the engine.

17. Reset the PCM with the HDS.

18. If the TP POSITION CHECK failed in step 5, clean the throttle body Procedures.

19. Update the PCM if it does not have the latest software PCM Update.

20. Do the PCM idle learn procedure PCM Idle Learn Procedure.

21. Do the CKP pattern clear/CKP pattern learn procedure.

OBD Status

The OBD status shows the current system status of each DTC and all of the parameters. This function is used to see if the repair was successfully completed. The results of diagnostic tests for the DTC are displayed as:

- PASSED: The on board diagnosis is successfully finished.
- FAILED: The on board diagnosis has finished but failed.
- EXECUTING: The vehicle is in enable criteria conditions for the DTC and the on board diagnosis is running.
- NOT COMPLETED: The on board diagnosis was running but is out of the enable conditions of the DTC.
- OUT OF CONDITION: The vehicle has stayed out of the enable conditions of the DTC.