Operation CHARM: Car repair manuals for everyone.
Manuals through 2025 now available!

Our trusted friends have launched a new website named LEMON, which has newer manuals. It also contains all the CHARM manuals.

LEMON is the spiritual successor to CHARM, I recommend you try it!

Link: lemon-manuals.la or lemon-manuals.org.ua

(Some people have issue connecting. LEMON is investigating. For now, use Firefox or change your DNS server)

Or, hide this message: temporarily or permanently

Engine Control Module: Service and Repair




PCM Replacement

Special Tools Required

- Honda Diagnostic System (HDS) tablet tester
- Honda Interface Module (HIM) and an iN workstation with the latest HDS software version
- HDS pocket tester
- GNA600 and an iN workstation with the latest HDS software version
- MVCI unit with the latest control module (CM) update software installed
Any one of the above updating tools can be used.

NOTE:

- Make sure the HDS/iN workstation has the latest HDS software version.
- If you are replacing the PCM after substituting a known-good PCM, reinstall the original PCM, then do this procedure.
- During the procedure, if any READ DATA, WRITE DATA, or other data checks fail, note the failure, then continue.

1. Connect the HDS to the data link connector (DLC) (A) located under the driver's side of the dashboard.





2. Turn the ignition switch to ON (II).

3. Make sure the HDS communicates with the PCM and other vehicle systems. If it doesn't, go to the DLC circuit troubleshooting Testing and Inspection. If you are returning from DLC circuit troubleshooting, skip steps 4 through 9, 18 through 24, and 27 through 29, and do this after replacing the PCM;

- Replace the engine oil Service and Repair and the engine oil filter Service and Repair.
- Replace the ATF ATF Replacement.
- Clean the throttle body Procedures.

4. Select the PGM-FI system with the HDS.

5. Select the INSPECTION MENU with the HDS.

6. Select the ETCS TEST, then select the TP POSITION CHECK, and follow the screen prompts.

NOTE: If the TP POSITION CHECK indicates FAILED, continue with this procedure.

7. Select the REPLACE PCM MENU, then select READ DATA and follow the screen prompts.

NOTE:

- Doing this step copies (READS) the engine oil life data from the original PCM so you can later download (WRITES) it into the new PCM.
- If the READ DATA indicates FAILED, continue with this procedure.

8. Select the A/T system with the HDS.

9. Select the REPLACE TCM/PCM MENU, then select READ DATA and follow the screen prompts.

NOTE:

- Doing this step copies (READS) the ATF life data from the original PCM so you can later download (WRITES) it into the new PCM.
- If the READ DATA indicates FAILED, continue with this procedure.

10. Turn the ignition switch to LOCK (0).

11. Jump the SCS line with the HDS.

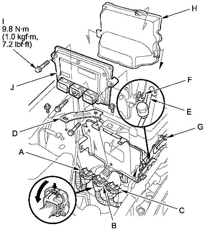
12. Remove the auxiliary under-hood fuse/relay box (A) from the stay (B), then remove the bolt (C).






13. Remove the bracket (D), then free the A/C discharge line (E) from the clip (F) and remove the A/C suction line mounting bracket bolt (G).






14. Remove the cover (H), then disconnect PCM connectors A, B, and C.

NOTE: PCM connectors A, B, and C have symbols (A=(square), B=(triangle), C=(circle)) embossed on them for identification.

15. Remove the bolts (I), then remove the PCM (J).

16. Install the parts in the reverse order of removal.

17. Turn the ignition switch to ON (II).

18. Manually input the VIN to the PCM with the HDS.

NOTE: DTC P0630 VIN Not Programmed or Mismatch may be stored because the VIN has not been programmed into the PCM; ignore it, and continue this procedure.

19. If the READ DATA (engine oil life) failed in step 7, go to step 22. Otherwise, go to step 20.

20. Select the PGM-FI system with the HDS.

21. Select the REPLACE PCM MENU, then select WRITE DATA and follow the screen prompts.

NOTE: If the WRITE DATA indicates FAILED, continue with this procedure.

22. If the READ DATA (ATF life) failed in step 9, go to step 25. Otherwise go to step 23.

23. Select the A/T SYSTEM with the HDS.

24. Select the REPLACE TCM/PCM MENU, then select WRITE DATA and follow the screen prompts.

NOTE: If the WRITE DATA indicates FAILED, continue with this procedure.

25. Select IMMOBI SYSTEM with the HDS.

26. Enter the immobilizer PCM code that you got from the iN, and use the PCM replacement procedure in the IMMOBI MENU of the HDS; it allows you to start the engine.

27. If the TP POSITION CHECK failed in step 6, clean the throttle body Procedures, then go to step 28.

28. If the READ DATA failed in step 7 or the WRITE DATA failed in step 21, replace the engine oil Service and Repair and engine oil filter Service and Repair, then go to step 29.

29. If the READ DATA failed in step 9 or the WRITE DATA failed in step 24, replace the ATF ATF Replacement, then go to step 30.

30. Select PGM-FI system and reset the PCM with the HDS.

31. Update the PCM if it does not have the latest software PCM Update.

32. Do the PCM idle learn procedure PCM Idle Learn Procedure.

33. Do the CKP pattern clear/CKP pattern learn procedure.