Operation CHARM: Car repair manuals for everyone.
Manuals through 2025 now available!

Our trusted friends have launched a new website named LEMON, which has newer manuals. It also contains all the CHARM manuals.

LEMON is the spiritual successor to CHARM, I recommend you try it!

Link: lemon-manuals.la or lemon-manuals.org.ua

(Some people have issue connecting. LEMON is investigating. For now, use Firefox or change your DNS server)

Or, hide this message: temporarily or permanently

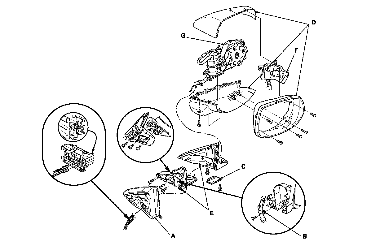
Power Mirror Motor: Service and Repair




Power Mirror Actuator Replacement

Removal

1. Remove the mirror holder. Mirror Holder Replacement

2. Remove the mirror from the door. Power Mirror Replacement

3. Disconnect the connector(s) from the power mirror.

4. Record the power mirror 13P connector terminal locations and wire colors.

5. Disassemble the power mirror 13P connector, and remove all terminals from it.

6. Remove the gasket (A).

7. Remove the screw and harness clip (B).

8. Remove the cover (C) and screws, then separate the mirror housings (D) from the bracket.

9. Remove the screws, and separate the brackets (E).

10. Remove the side turn signal light (F) and disconnect the 2P connector from the light.

11. Remove the screws and disassemble the mirror housing, then remove the mirror actuator (G).






Installation

1. Route the wire harness of a new actuator through the hole in the bracket.

2. Reassemble the mirror in the reverse order of removal. Apply the LOCTITE to the screws (A) and tighten them to 4 N-m (0.4 kgf-m, 3 lbf-ft).






3. Insert the new actuator terminals into the 13P connector in the original arrangement.

4. Apply EPT sealer to the intersection of the wire harness and the 13P connector.

5. Install the mirror holder.
NOTE: Be careful not to break the mirror when reinstalling it to the actuator.

6. Reinstall the mirror assembly on the door.

7. Operate the power mirror to ensure correct operation.