Operation CHARM: Car repair manuals for everyone.
Manuals through 2025 now available!

Our trusted friends have launched a new website named LEMON, which has newer manuals. It also contains all the CHARM manuals.

LEMON is the spiritual successor to CHARM, I recommend you try it!

Link: lemon-manuals.la or lemon-manuals.org.ua

(Some people have issue connecting. LEMON is investigating. For now, use Firefox or change your DNS server)

Or, hide this message: temporarily or permanently

Heater Core Case: Service and Repair




Heater Unit/Core Replacement

SRS components are located in this area. Review the SRS component locations Locations, and the precautions and procedures Service and Repair before doing repairs or service.

1. Do the battery terminal disconnection procedure Procedures.

2. Disconnect the front receiver line and front suction line from the front evaporator core Service and Repair.

3. When the engine is cool, drain the engine coolant from the radiator Service and Repair.

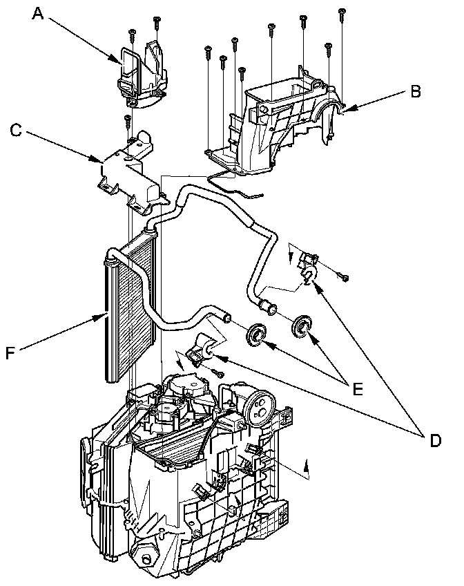
4. Front under the hood, remove the clamp (A). Slide the hose clamps (B) back. Then disconnect the inlet heater hose (C) and the outlet heater hose (D) from the heater unit. Note the layout of the hose.
Engine coolant will run out when the hoses are disconnected; drain it into a clean drip pan. Be sure not to let coolant spill on the electrical parts or the painted surfaces. If any coolant spills, rinse it off immediately.






5. Remove the mounting nuts from the heater unit. Take care not to damage or bend the fuel lines or brake lines, etc.





6. Remove the dashboard Dashboard Replacement.

7. Disconnect the connector (A) from the front blower motor. Remove the wire harness clips (B).






8. Disconnect the connector (A) from the headlight leveling control unit, then remove the harness clip (B).






9. Disconnect the connectors (A) from the front mode control motor, the passenger's air mix control motor, the recirculation control motor, and the front power transistor. Remove the wire harness clips (B).






10. Disconnect the connectors (A) from the driver's air mix control motor and the front evaporator temperature sensor. Remove the wire harness clips (B) and the wire harness (C).






11. Turn over the carpet. Remove the wire harness clips (A), the rear heater duct mounting clips (B), and the rear heater duct (C).






12. Remove the mounting nuts. Slide the blower-heater unit (A), then remove the drain hose (B) and blower-heater unit.






13. Remove the self-tapping screws and the passenger's heater duct (A). Remove the self-tapping screws and the expansion valve cover (B). Remove the self-tapping screw and the front heater core cover (C). Remove the self-tapping screws, the heater pipe brackets (D), the grommets (E), and carefully pull out the front heater core (F).





14. Install the front heater core, and the front evaporator core in the reverse order of removal.

15. Install the heater unit in the reverse order of removal, and note these items:

- Do not interchange the inlet and outlet heater hoses, and install the hose clamps securely.
- Refill the cooling system with engine coolant Service and Repair.
- Make sure that there is no coolant leakage.
- Make sure that there is no air leakage.
- Refer to the front evaporator core replacement Service and Repair.

16. Do the battery terminal reconnection procedure Procedures.

17. After installation, operate the heater unit in various functions to confirm that it works properly.

18. Run the self-diagnostic function to confirm that there are no problems in the system Initial Inspection and Diagnostic Overview.