Operation CHARM: Car repair manuals for everyone.
Manuals through 2025 now available!

Our trusted friends have launched a new website named LEMON, which has newer manuals. It also contains all the CHARM manuals.

LEMON is the spiritual successor to CHARM, I recommend you try it!

Link: lemon-manuals.la or lemon-manuals.org.ua

(Some people have issue connecting. LEMON is investigating. For now, use Firefox or change your DNS server)

Or, hide this message: temporarily or permanently

Engine Installation




Engine Installation

Special Tools Required

- Engine Support Hanger, A and Reds AAR-T1256
- Engine Hanger Balance Bar VSB02C000019
- 2008 V6 Attachment Arm SIL02C000033
- Subframe Adapter VSB02C000016
*: Available through the Acura Tool and Equipment Program, 888-424-6857.

1. Install the engine mount brackets and the accessory brackets and tighten their bolts to the specified torque.






2. Position the engine/transmission under the vehicle. Be sure that they are properly aligned. Carefully lower the vehicle until the engine/transmission are properly positioned in the engine compartment. Make sure the vehicle is not resting on any part of the engine/transmission. Support the engine/transmission with a chain hoist (A) and carefully raise the engine/transmission into place.

NOTE: Reinstall the mounting bolts/support nuts in the sequence given in the following steps. Failure to follow this sequence may cause excessive noise and vibration, and reduce engine mount life.






3. Install the new mounting bolts into the upper half of the side engine mount bracket. Tighten the bolts to the specified torque.






4. Tighten the new upper transmission mount bracket mounting bolts to the specified torque.

NOTE: If bolt (A) was removed by mistake during removal, the upper transmission mount bracket must be replaced as an assembly.

M/T model





A/T model





5. Install the engine hanger balance bar (VSB02C000019). Attach the front arm (A) to the front cylinder head with a 10 mm (0.39 in) spacer (B) and a 10 x 1.25 mm bolt (C). Remove the rear arm from the engine hanger balance bar, then install the 2008 V6 attachment arm (SIL02C000033). Attach the 2008 V6 attachment arm to the rear cylinder head with a 10 mm (0.39 in) spacer (D) and an 8 x 1.25 mm bolt (E).





6. Install the engine support hanger (AAR-T1256) onto the vehicle as shown, and attach the hook to the slotted hole in the engine hanger balance bar. Tighten the wing nut (F) by hand, and lift and support the engine/transmission.

NOTE:

- Be careful when working around the windshield.
- AAR-T1256 two sets required for stacking additional cross section bar.

7. Remove the chain hoist, then raise the vehicle on the lift.

8. Attach the subframe adapter (VSB02C000016) to the subframe by looping the belt (A) over the front of the front subframe (B), then secure the belt with its stop (C).





9. Line up the slots in the subframe adapter arms with the bolt holes on the jack base, then securely attach them with four bolts, then raise the front subframe up to the body.

10. Loosely install the new subframe mounting bolts (four) (A), the 12 x 1.25 mm bolts (two) (B), the new 12 x 1.25 mm (two) (C), and the stiffeners (D).






11. Align the front subframe with the subframe alignment pin.

12. Remove the transmission jack and the front subframe adapter.

13. Tighten the bolts securing the subframe middle mount.






14. Tighten the lower transmission mount nuts (A).





15. A/T model: Install the ground cable (B).

16. Lower the vehicle on the lift.

17. Remove the engine support hanger, the engine hanger balance bar, and the 2008 V6 attachment arm.

18. M/T model: Install the front engine mount Front Engine Mount Removal/Installation.

19. A/T model: Tighten the new front engine mount bolt (A), then install the front engine mount stop (B) and connect the vacuum hose (C).






20. M/T model: Tighten the new rear engine mount bolt.






21. A/T model: Tighten the new rear engine mount bolt (A), then install the rear engine mount stop (B) using new nuts (C).






22. Loosen the mounting bolts for the upper half of the side engine mount bracket, then retighten them in the numbered sequence shown.






23. Loosen the mounting bolts for the upper transmission mount bracket, then retighten them to the specified torque.

M/T model





A/T model





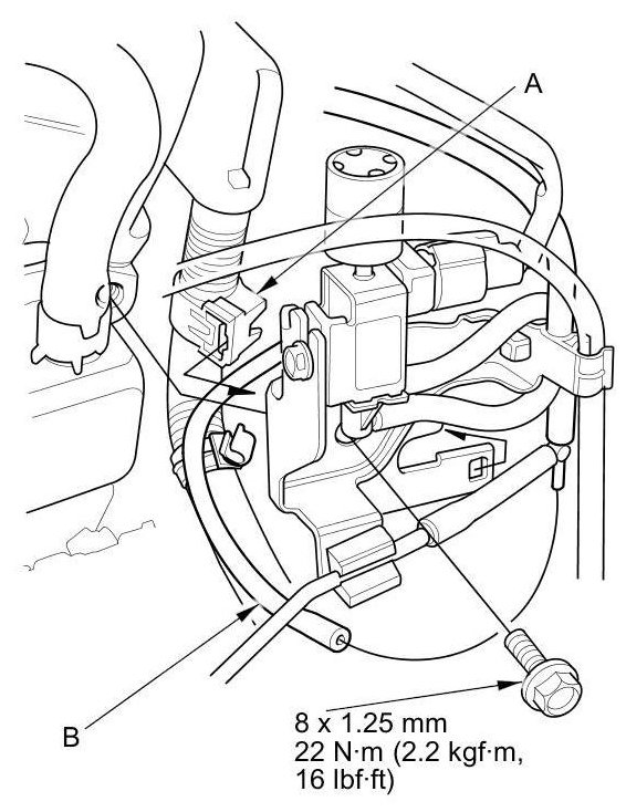
24. Install the connector bracket to the front cylinder head.






25. Install the engine mount control solenoid valve bracket to the rear cylinder head, then install the harness clamp (A).





26. A/T model: Connect the vacuum hose (B).

27. Install the A/C compressor, then install the harness clamp (A) and connect the A/C compressor clutch connector (B).





28. Install the radiator Radiator Replacement.

29. Connect the heater hoses (A).






30. Connect the upper radiator hose (A) and the lower radiator hose (B).





31. Raise the vehicle on the lift.

32. A/T model: Connect the ATF cooler hoses to the transmission.

33. With SH-AWD: Install the transfer assembly:

- Manual transmission
- Automatic transmission

34. With SH-AWD: Install the propeller shaft .

35. Install exhaust pipe A using new gaskets (B) and new self-locking nuts (C).






36. Install the front subframe stiffener (A) using new bolts (B).






37. Install a new set ring on the end of each driveshaft, then install the driveshafts Front Driveshaft Installation. Make sure each ring "clicks" into place in the differential and the intermediate shaft.

38. Connect the suspension lower arm to the knuckles.

39. Connect the tie-rod end ball joints to the knuckles.

40. Install the damper fork.

41. Install the front splash shield Front Splash Shield Replacement.

42. Install the front wheels.

43. Lower the vehicle on the lift.

44. Loosen the upper steering joint bolt (A), and slip the lower end of the steering joint (B) onto the pinion shaft (C).





45. Align the bolt hole (D) on the steering joint with the groove (E) around the pinion shaft, then loosely install the lower steering joint bolt (F). Be sure that the joint bolt is securely in the groove in the pinion shaft.

46. Remove the steering wheel holder tool (A).






47. Tighten the upper and lower steering joint bolts (A) to the specified torque.





48. Install the steering joint cover (B).

49. Install the drive belt Service and Repair.

50. Connect the EPS connectors (A).





51. A/T model: Install the shift cable Service and Repair.

52. M/T model: Install the clutch slave cylinder and the clutch line bracket mounting bolt.

53. M/T model: Install the shift cable and the select cable, then tighten the three bolts securing the shift cable holder.

54. Connect the brake booster vacuum hose (A) and the EVAP canister hose (B).






55. Connect the fuel feed hose (A), then install the quick-connect fitting cover (B) Fuel Line/Quick-Connect Fitting Installation.






56. Connect the ECM/PCM connectors (A), then install the harness clamp (B).






57. Connect the harness connectors (A), then install the harness clamp (B).






58. Install the harness clamps (A).





59. Connect the battery cable (B) to the under-hood fuse/relay box.

60. Install the strut brace Service and Repair.

61. M/T model: Connect the positive starter cable (A), then install the harness clamp (B). Make sure the crimped side of the ring terminal face away from the starter when you connect it.





62. M/T model: Install the ground cable (C).

63. A/T model: Connect the positive starter cable (A), then install the harness clamps (B). Make sure the crimped side of the ring terminal face away from the starter when you connect it.






64. Install the battery base (A), then install the harness clamp (B).





65. M/T model: Install the harness clamps (C).

66. Install the air cleaner Service and Repair.

67. Do the battery installation procedure.

68. Install the air intake duct splash separator.






69. Inspect for fuel leaks. Turn the ignition switch to ON (II), or press the engine start/stop button to select the ON mode (do not operate the starter) so the fuel pump runs for about 2 seconds and pressurizes the fuel line. Repeat this operation three times, then check for fuel leaks at any point in the fuel line.

70. Refill the engine with engine oil Service and Repair.

71. Refill the transmission with fluid:

- Manual transmission Service and Repair
- Automatic transmission ATF Replacement

72. M/T model: Check that the transmission shifts into all gears smoothly.

73. A/T model: Move the shift lever to each gear, and verify that the A/T gear position indicator follows the transmission range switch.

74. Refill the radiator with engine coolant, and bleed the air from the cooling system Service and Repair.

75. Check for fluid leaks.

76. Do the ECM/PCM reset procedure.

77. Do the CKP pattern clear/CKP pattern learn procedure.

78. Inspect the idle speed Testing and Inspection.

79. Inspect the ignition timing Testing and Inspection.

80. Install the engine compartment covers Service and Repair.

81. Check the wheel alignment Service and Repair.