Compressor HVAC: Service and Repair
A/C Compressor Replacement
NOTE: Do not install the A/C compressor into a system unless you are completely sure that the system is free of contamination. Installing the A/C compressor into a contaminated system can result in premature A/C compressor failure.
1. If the A/C compressor is marginally operable, run the engine at idle speed, and let the air conditioning work for a few minutes, then shut the engine off.
2. Recover the refrigerant with a recovery/recycling/charging station A/C Refrigerant Recovery.
3. Remove the A/C condenser fan shroud assembly Radiator And A/C Condenser Fan, Motor, And Shroud Removal And Installation.
NOTE: To avoid damage to the radiator, cover it with cardboard until reinstalling the fan.
4. Remove the alternator Removal and Replacement.
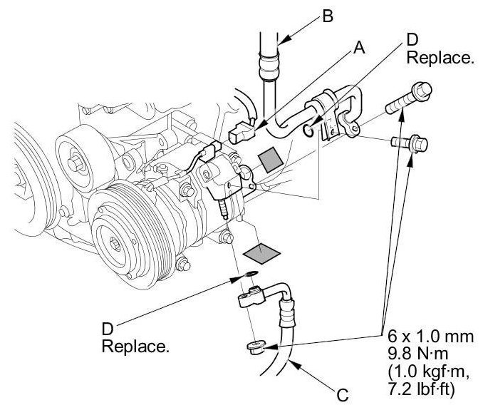
5. Disconnect the A/C compressor clutch connector (A). Remove the bolts and the nut, then disconnect the suction hose (B) and the discharge hose (C) from the A/C compressor. Remove the O-rings (D). Plug or cap the lines immediately after disconnecting them to avoid moisture and dust contamination.
6. Remove the mounting bolts and the A/C compressor (A). Be careful not to damage the radiator fins when removing the A/C compressor.
7. Install the A/C compressor in the reverse order of removal, and note these items:
- Inspect the A/C lines for any signs of contamination.
- Before installing a new A/C compressor, adjust the A/C compressor oil level Service and Repair.
- Replace the O-rings with new ones at each fitting, and apply a thin coat of refrigerant oil before installing them. Be sure to use the correct O-rings for HFC-134a (R-134a) to avoid leakage.
- Use only refrigerant oil (DENSO ND-OIL 8) for HFC-134a DENSO A/C compressors only.
- To avoid contamination, do not return the oil to the container once dispensed, and never mix it with other refrigerant oils.
- Immediately after using the oil, reinstall the cap on the container, and seal it to avoid moisture absorption.
- Do not spill the refrigerant oil on the vehicle; it may damage the paint. If the refrigerant oil contacts the paint, wash it off immediately.
- Be careful not to damage the radiator fins when installing the A/C compressor and the A/C condenser fan shroud.
- Charge the system A/C System Charging.