Operation CHARM: Car repair manuals for everyone.
Manuals through 2025 now available!

Our trusted friends have launched a new website named LEMON, which has newer manuals. It also contains all the CHARM manuals.

LEMON is the spiritual successor to CHARM, I recommend you try it!

Link: lemon-manuals.la or lemon-manuals.org.ua

(Some people have issue connecting. LEMON is investigating. For now, use Firefox or change your DNS server)

Or, hide this message: temporarily or permanently

Fuel and Emissions System Description - Electronic Control System




Fuel and Emissions System Description - Electronic Control System

Electronic Control Systems

The functions of the fuel and emission control systems are managed by the engine control module (ECM) on vehicle with manual transmissions or the powertrain control module (PCM) on vehicle with automatic transmissions.

Self-Diagnosis

The ECM/PCM detects the failure of a signal from a sensor or from another control unit and stores a Pending DTC or a Confirmed DTC. Depending on the failure, a Confirmed DTC is stored in either the first or the second drive cycle. When a Confirmed DTC is stored, the ECM/PCM turns on the malfunction indicator lamp (MIL) by a signal sent to the gauge via F-CAN.

- One Drive Cycle Detection Method
When an abnormality occurs in the signal from a sensor or from another control unit, the ECM/PCM stores a Confirmed DTC and turns on the MIL immediately.
- Two Drive Cycle Detection Method
When an abnormality occurs in the signal from a sensor or from another control unit in the first drive cycle, the ECM/PCM stores a Pending DTC. The MIL does not come on at this time. If the failure continues in the second drive cycle, the ECM/PCM stores a Confirmed DTC and turns on the MIL.

Fail-Safe Function

When an abnormality occurs in the signal from a sensor or from another control unit, the ECM/PCM ignores that signal and substitutes a pre-programmed value for them that allows the engine to continue running. This causes a Confirmed DTC to be stored and the MIL to come on.

MIL Bulb Check and Readiness Code Condition

When the ignition switch is turned to ON (II), or press the engine start/stop button to select the ON mode, the ECM/PCM turns on the MIL via the F-CAN circuit for about 15 to 20 seconds to check the bulb condition. If any readiness codes are not set to complete, the MIL flashes five times. If all readiness codes are set to complete, the MIL goes off.

Self Shut Down (SSD) Mode

After the ignition switch is turned to LOCK (0), or the engine start/stop button is pressed to select the OFF mode, the ECM/PCM stays on (about 40 minutes). If the ECM/PCM connector is disconnected during this time, the ECM/PCM may be damaged. To cancel this mode, disconnect the negative cable from the battery or jump the SCS line with the HDS after the ignition switch is turned to LOCK (0), or the engine start/stop button is pressed to select the OFF mode.

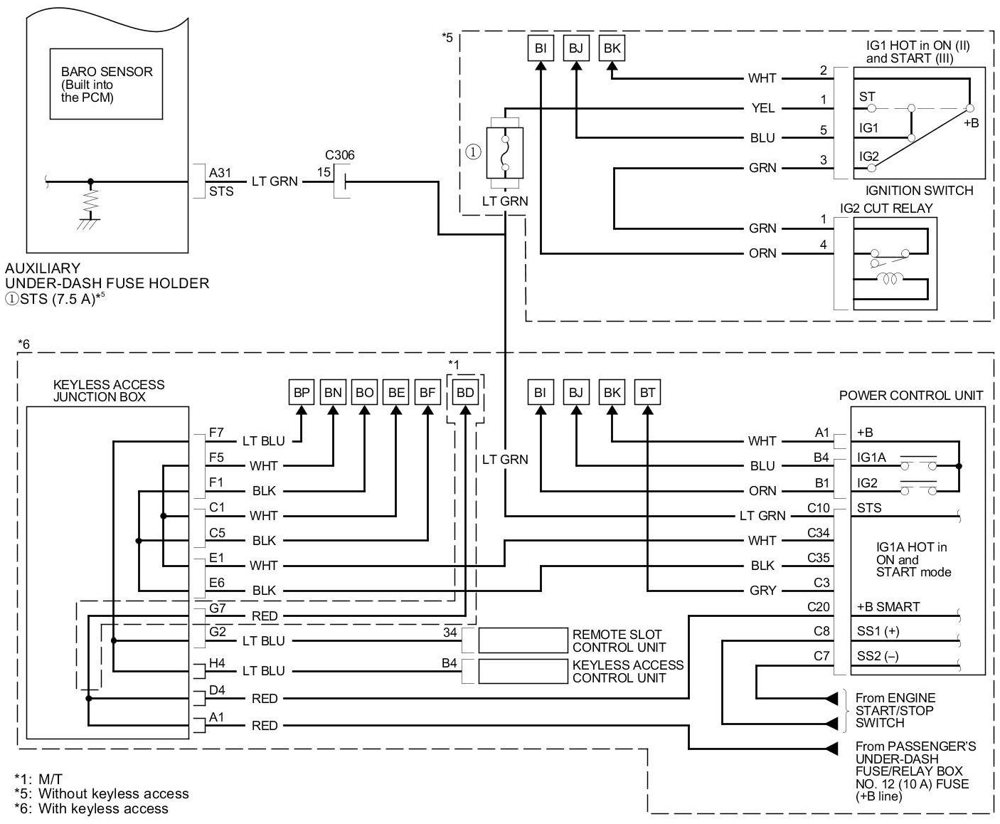
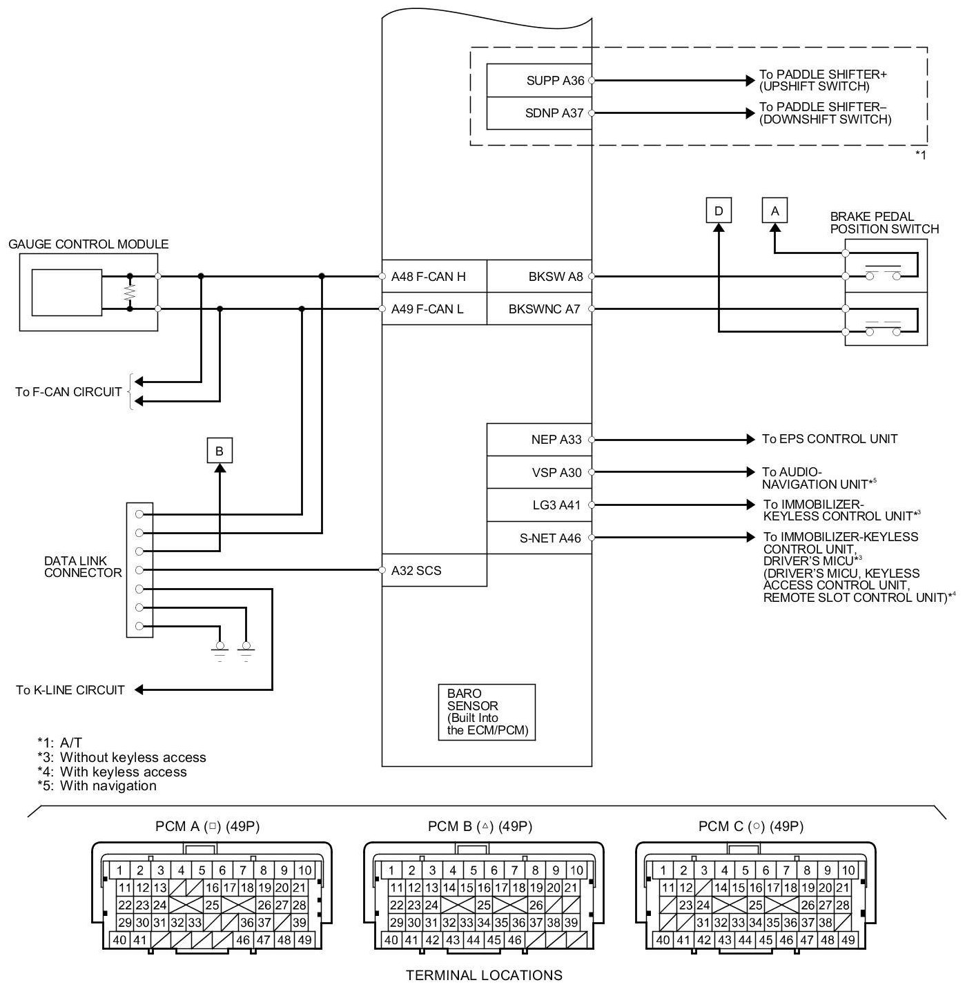
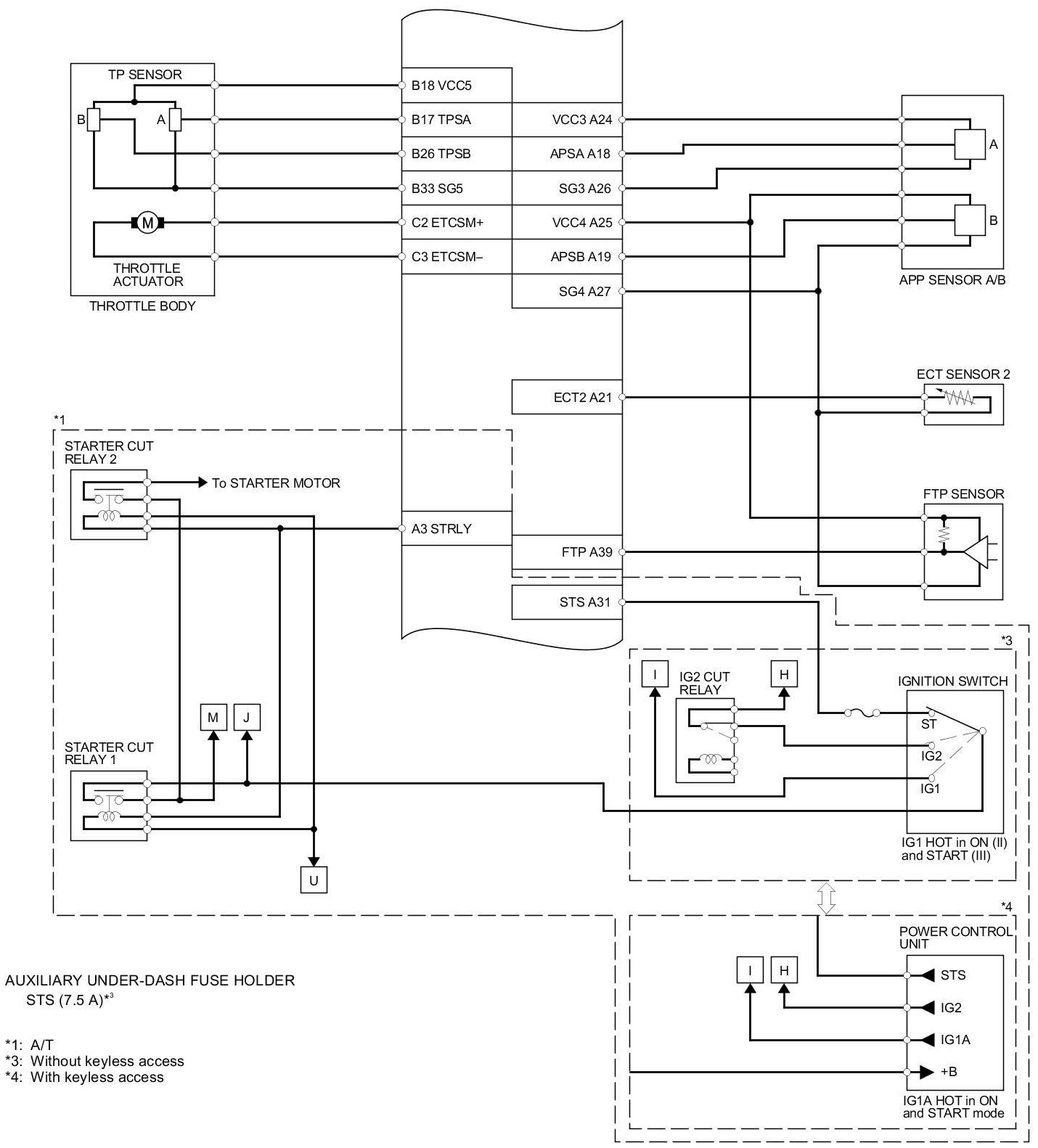
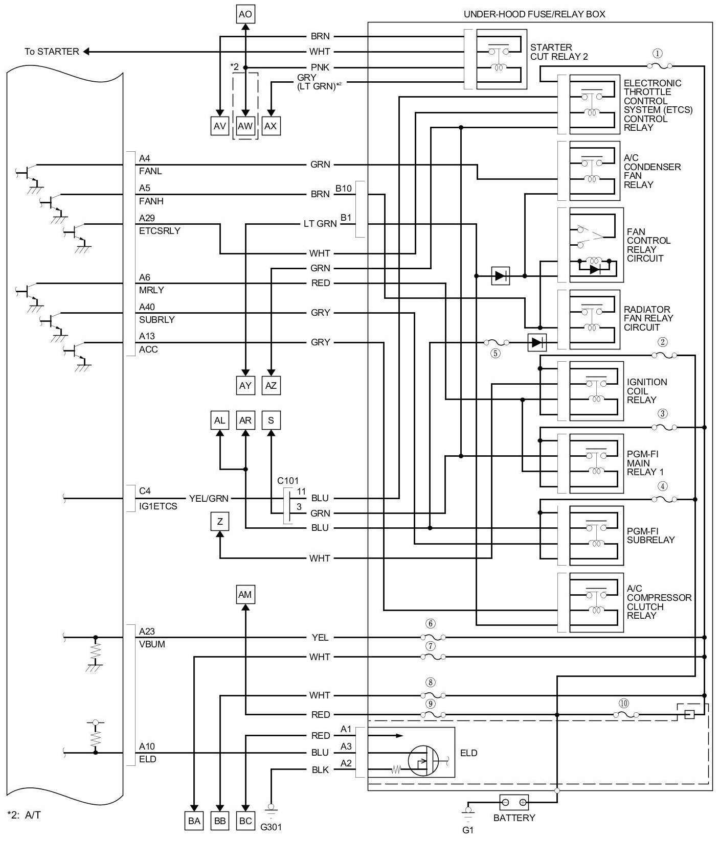
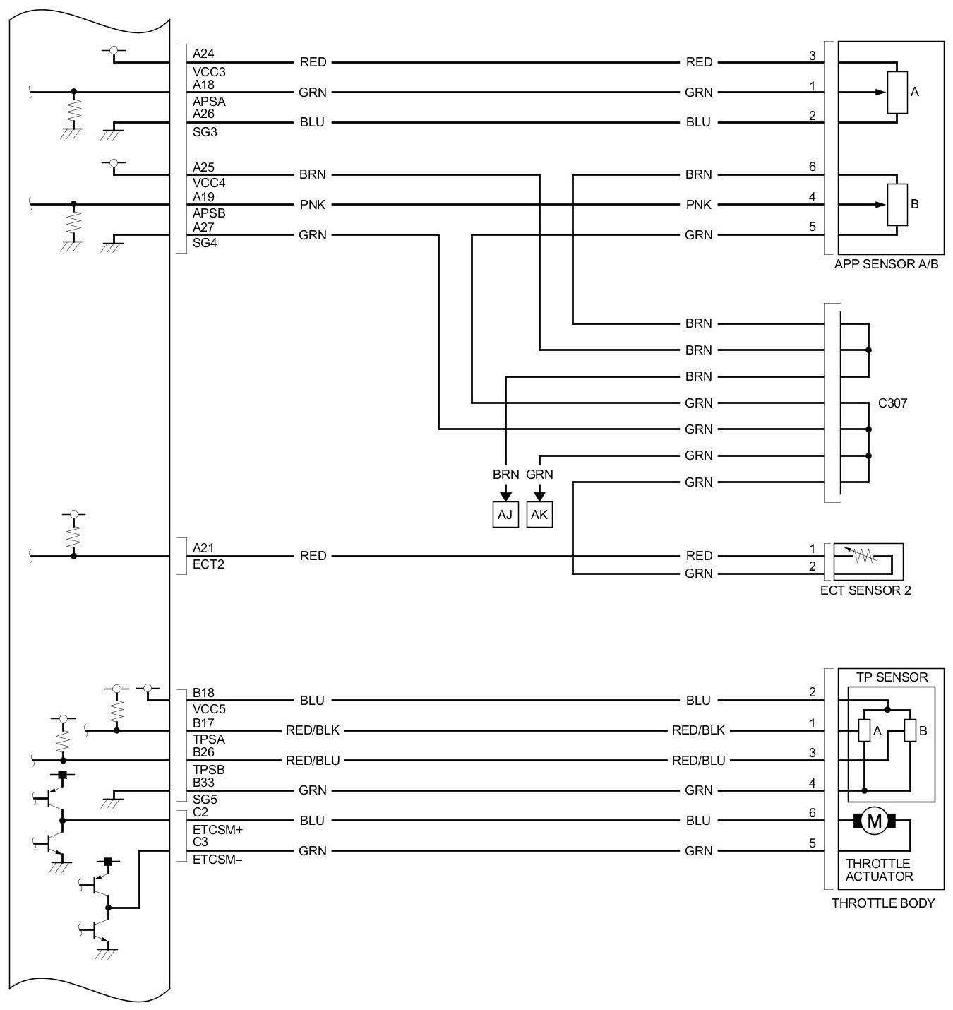
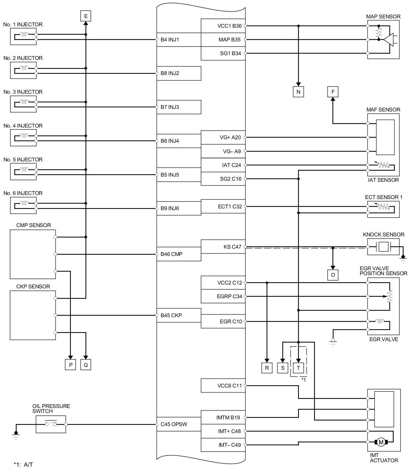
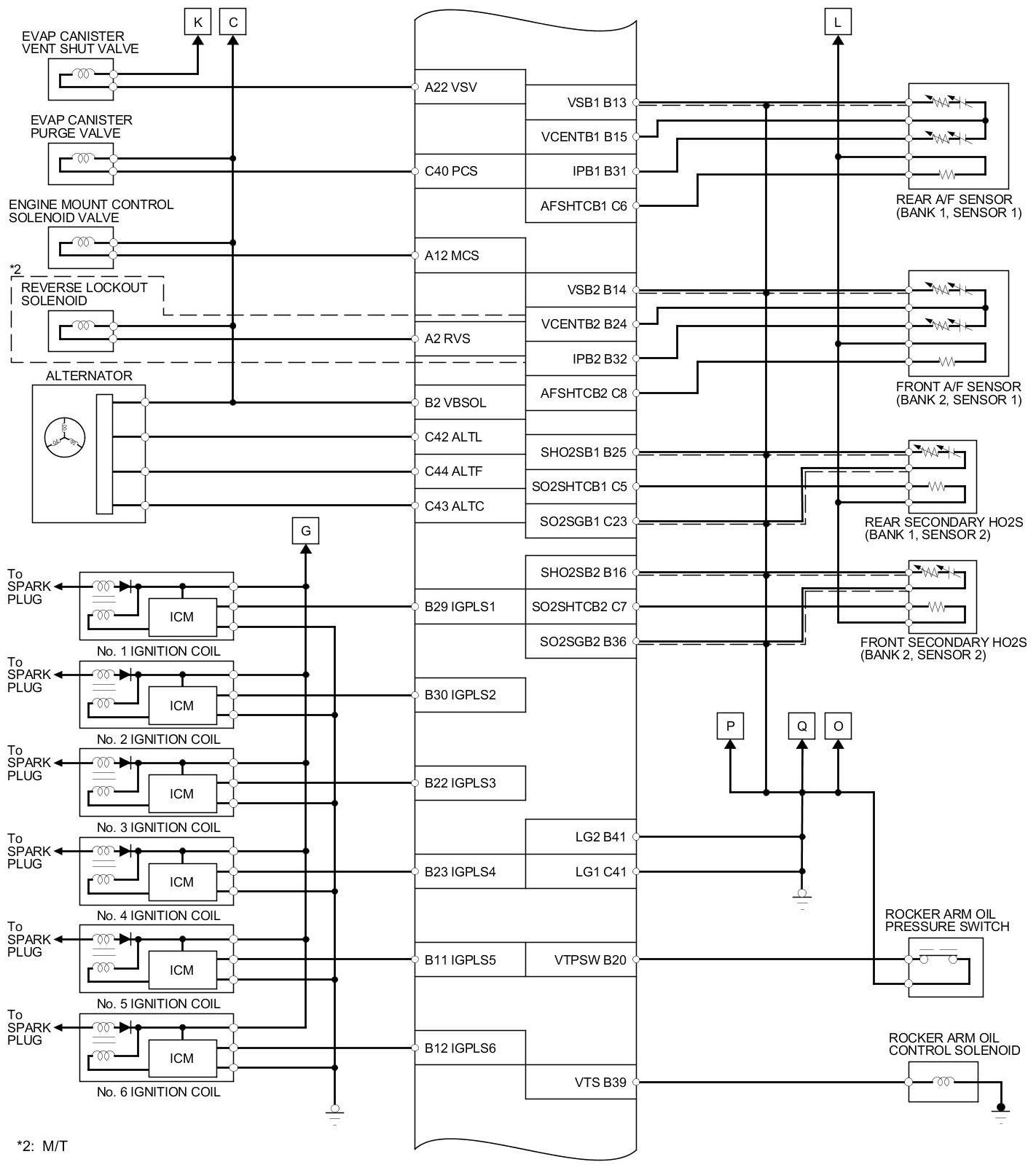
ECM/PCM Inputs and Outputs at ECM/PCM Connector A (square) (49P)









*1: M/T

*2: A/T

ECM/PCM Inputs and Outputs at ECM/PCM Connector A (square) (49P)









*1: M/T

*2: A/T

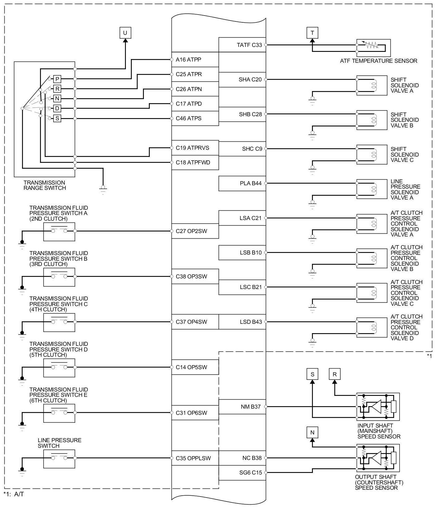
ECM/PCM Inputs and Outputs at ECM/PCM Connector A (square) (49P)










ECM/PCM Inputs and Outputs at ECM/PCM Connector A (square) (49P)









*2: A/T

ECM/PCM Inputs and Outputs at ECM/PCM Connector A (square) (49P)









*1: M/T

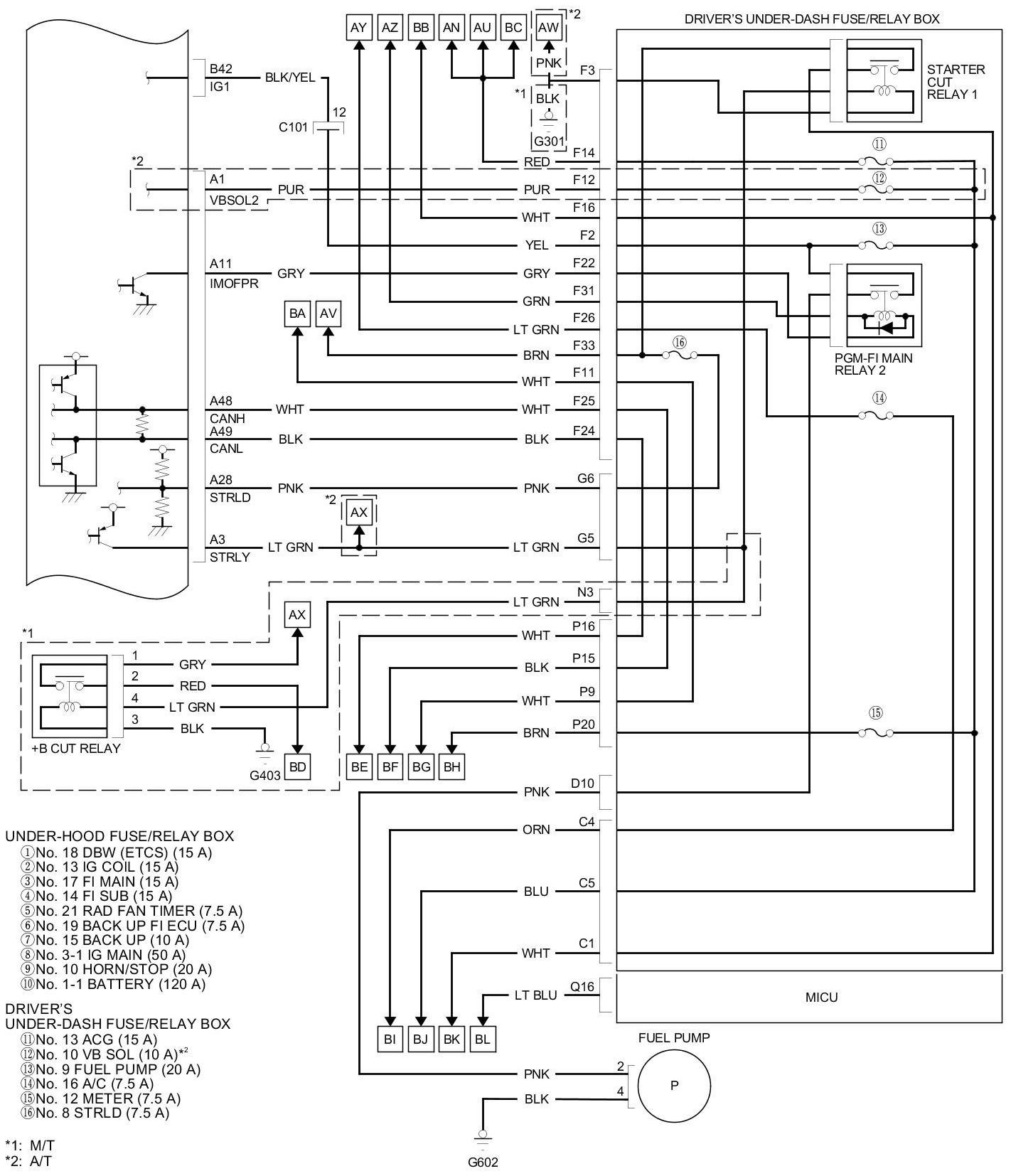
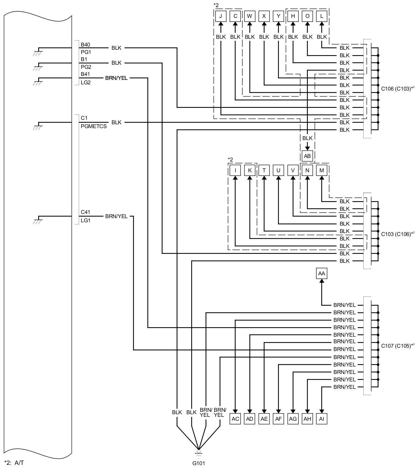
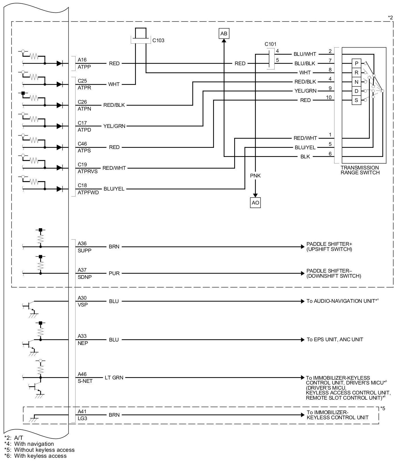
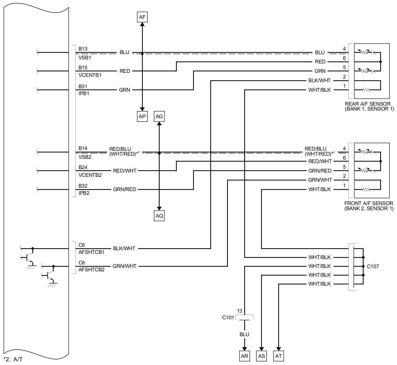
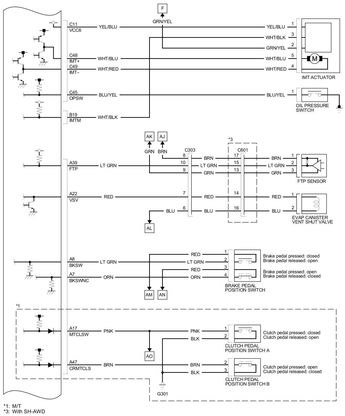
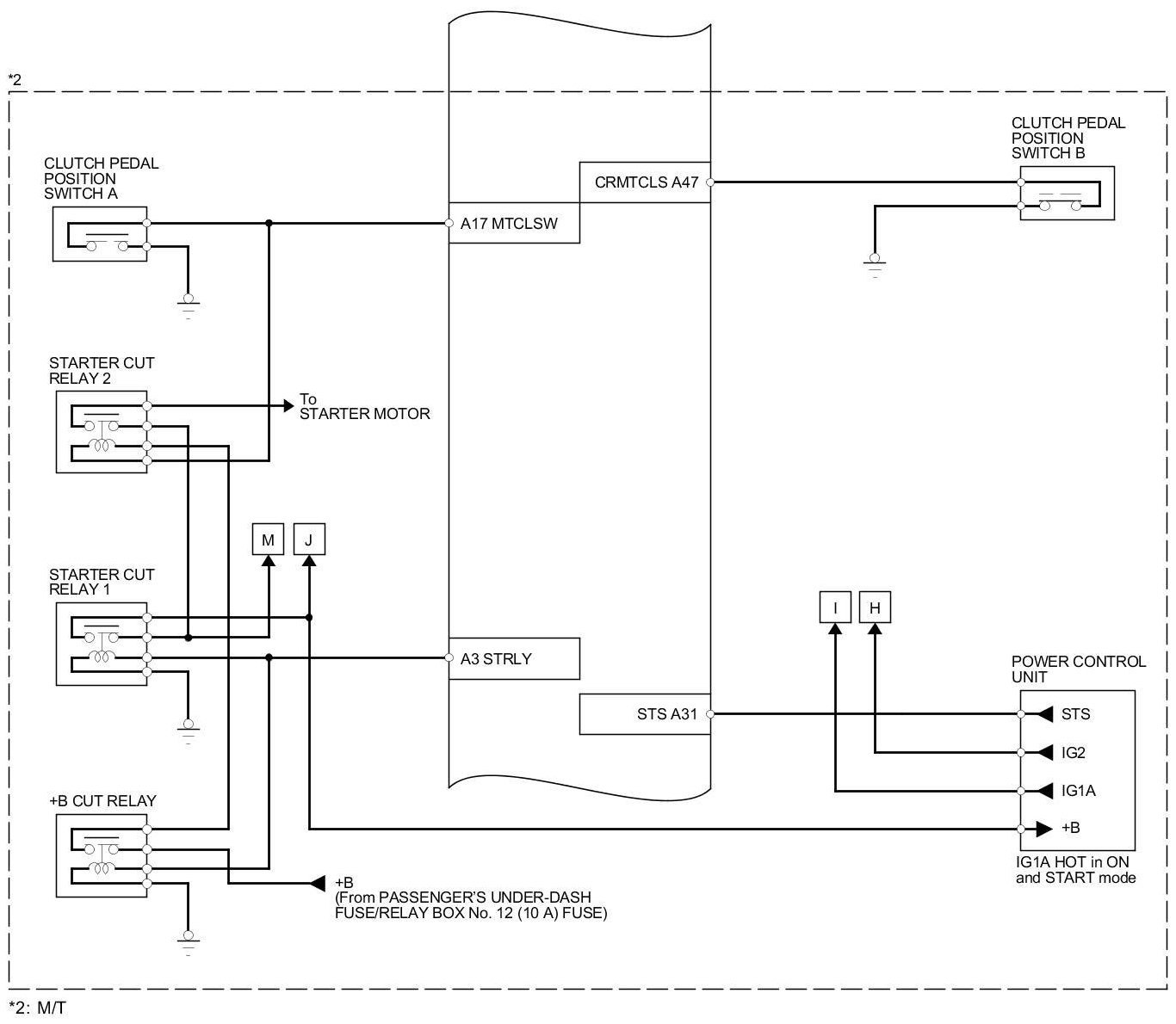
ECM/PCM Inputs and Outputs at ECM/PCM Connector B (triangle) (49P)









*2: A/T

ECM/PCM Inputs and Outputs at ECM/PCM Connector B (triangle) (49P)









*2: A/T

ECM/PCM Inputs and Outputs at ECM/PCM Connector B (triangle) (49P)









*2: A/T

ECM/PCM Inputs and Outputs at ECM/PCM Connector B (triangle) (49P)










ECM/PCM Inputs and Outputs at ECM/PCM Connector B (triangle) (49P)









*2: A/T

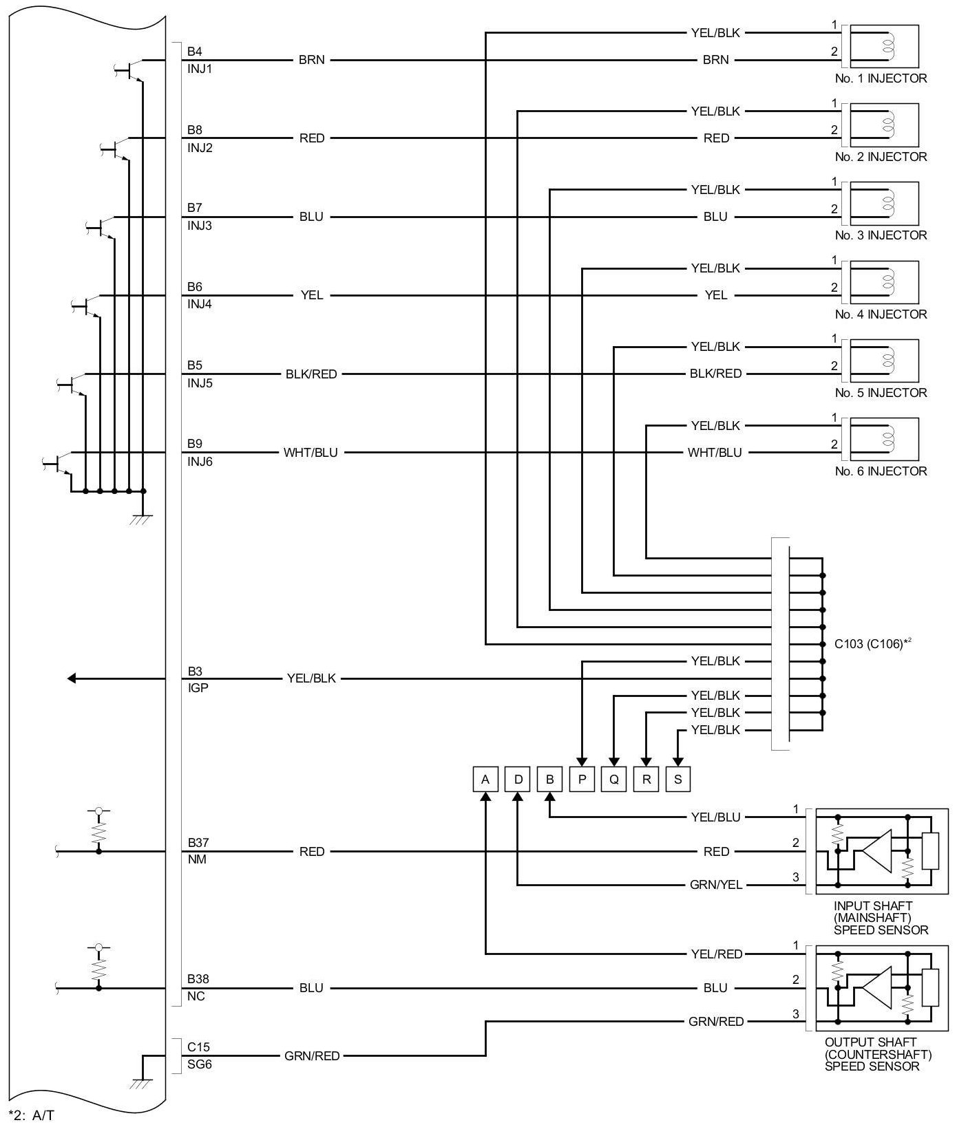
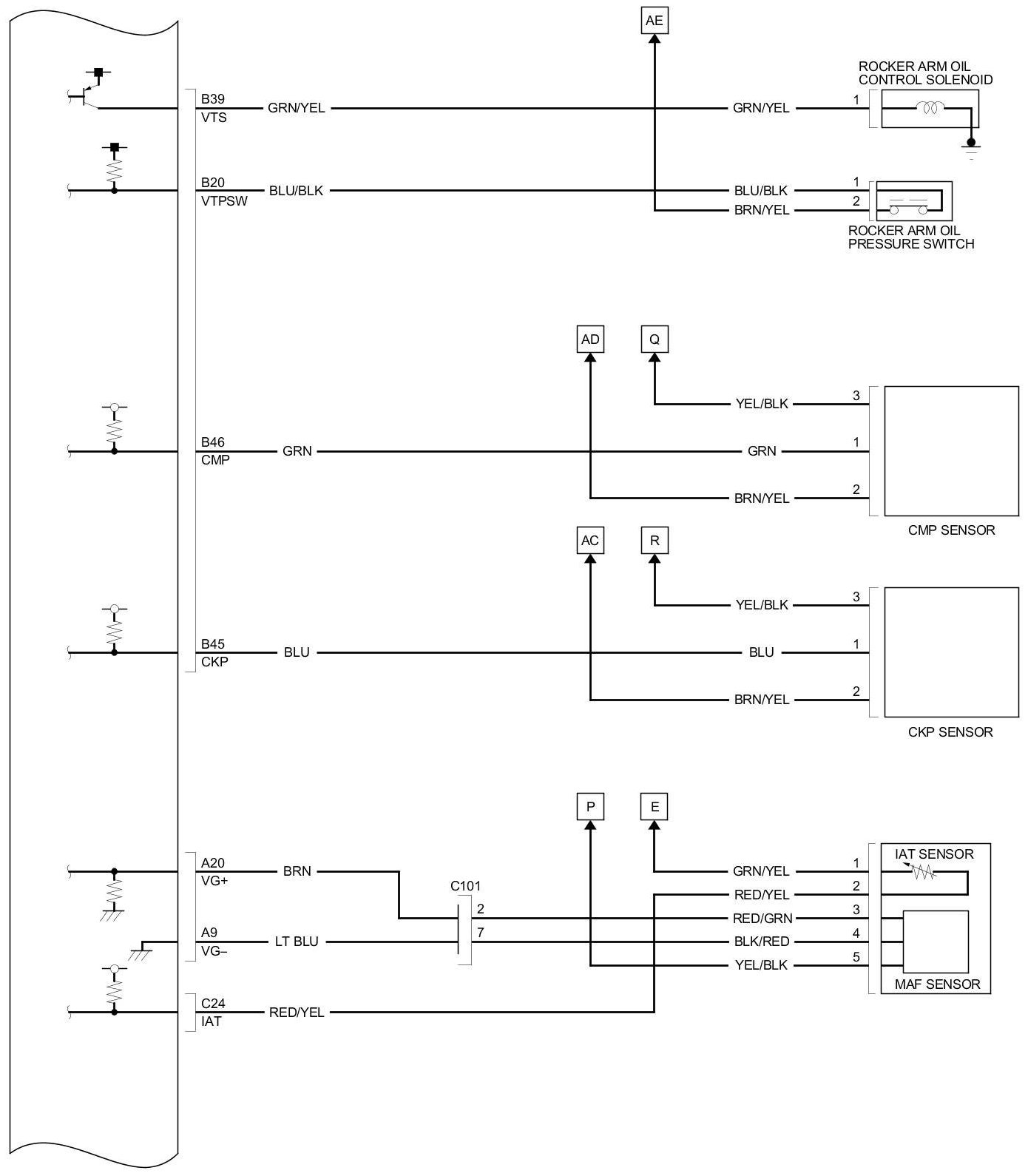
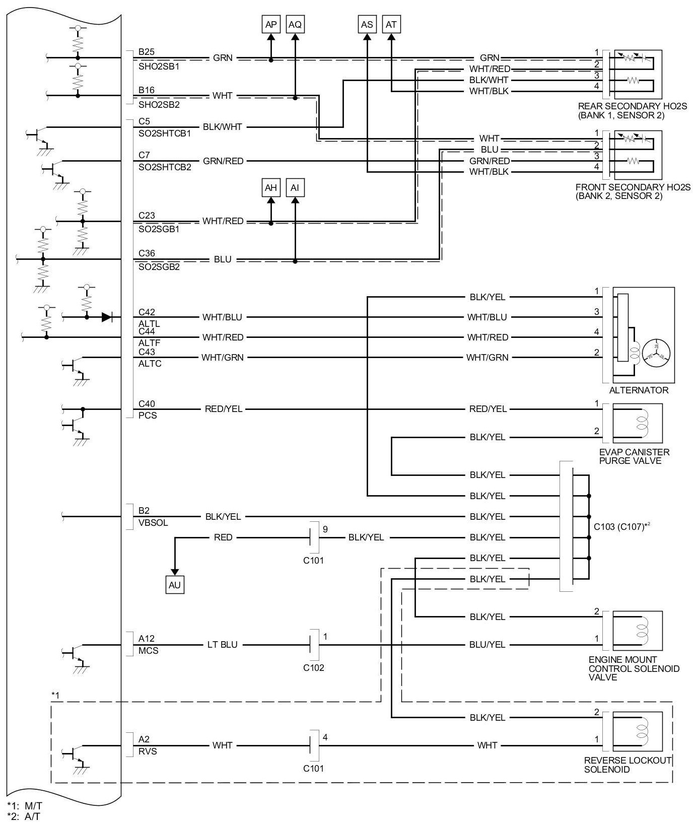
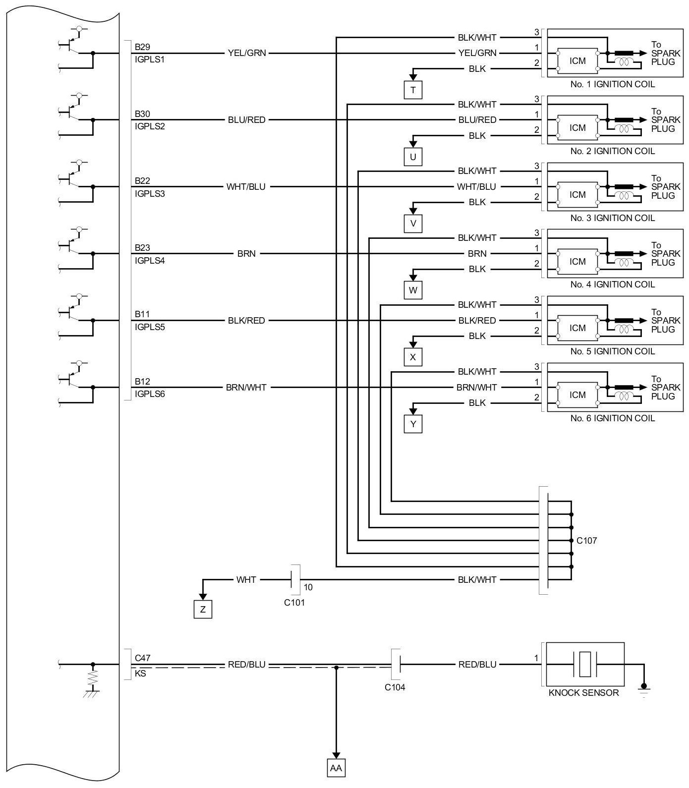
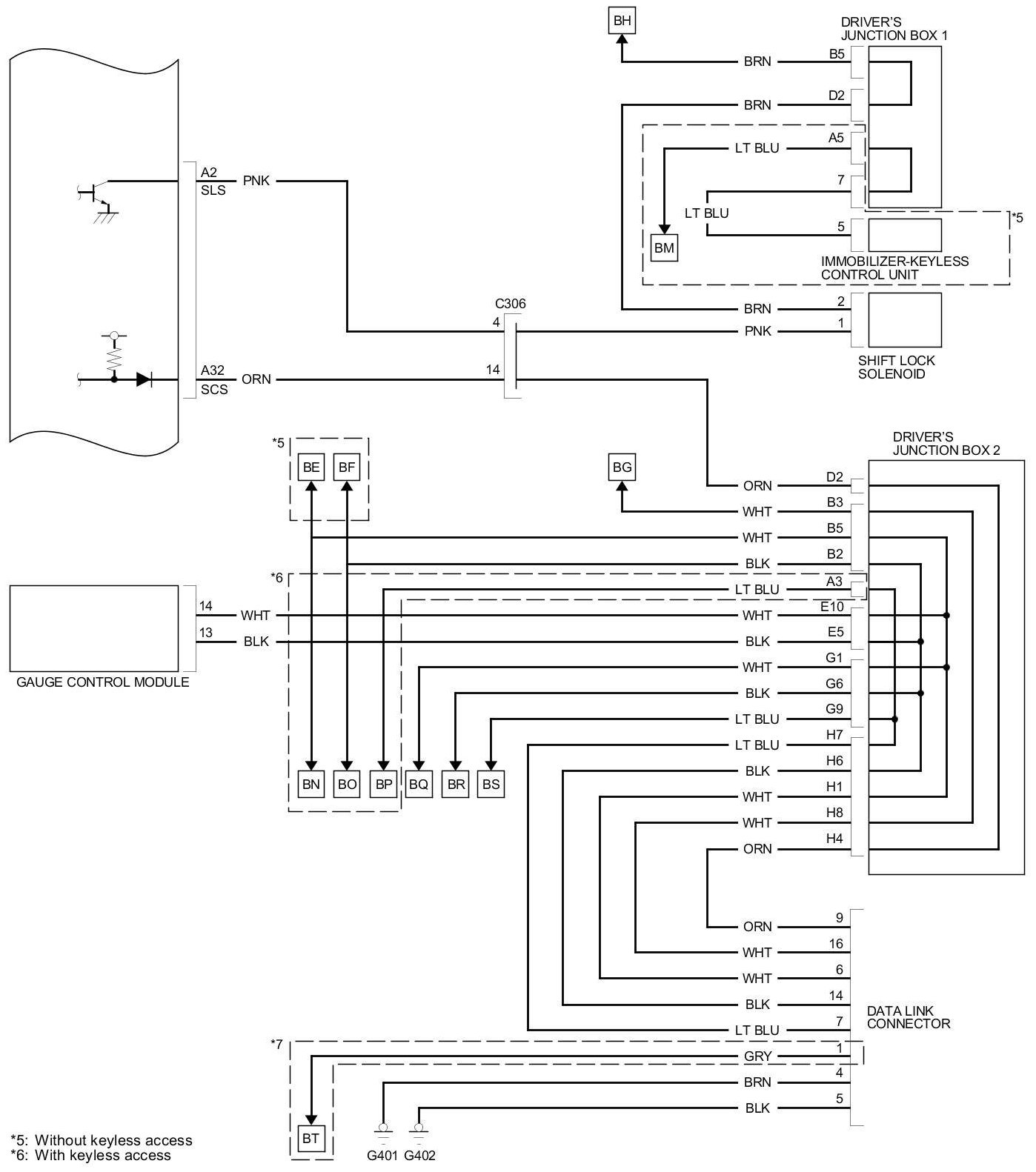
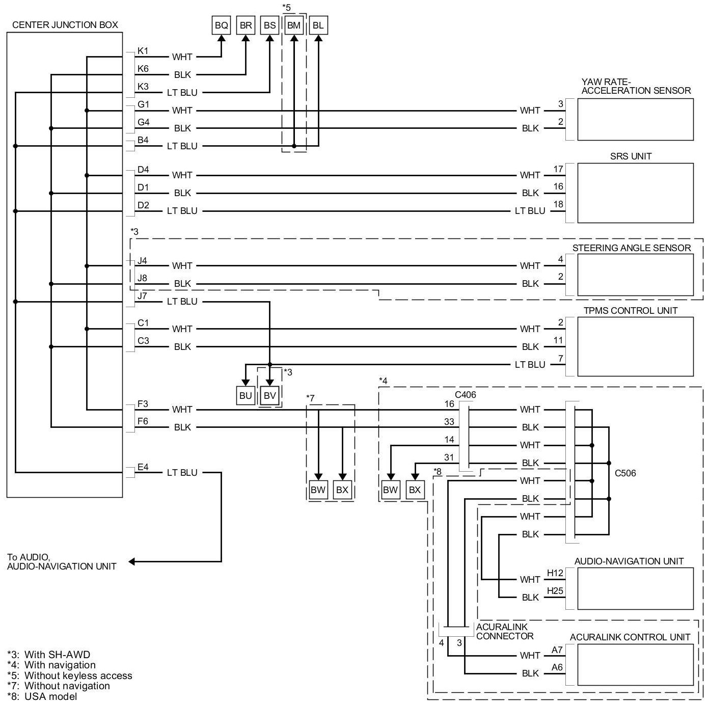
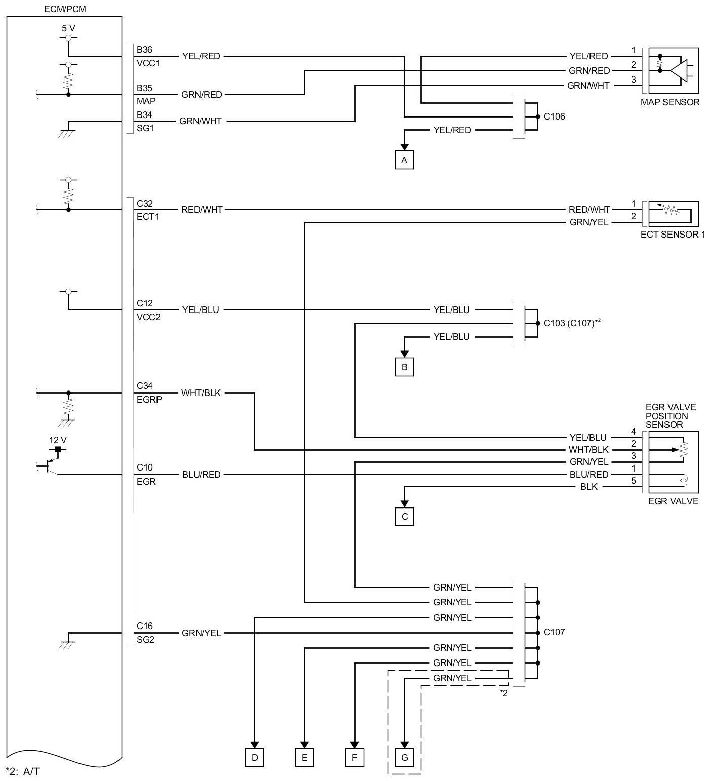
ECM/PCM Inputs and Outputs at ECM/PCM Connector C (circle) (49P)










ECM/PCM Inputs and Outputs at ECM/PCM Connector C (circle) (49P)









*2: A/T

ECM/PCM Inputs and Outputs at ECM/PCM Connector C (circle) (49P)









*2: A/T

ECM/PCM Inputs and Outputs at ECM/PCM Connector C (circle) (49P)









*2: A/T

ECM/PCM Inputs and Outputs at ECM/PCM Connector C (circle) (49P)









*2: A/T

ECM/PCM Inputs and Outputs at ECM/PCM Connector C (circle) (49P)









*2: A/T

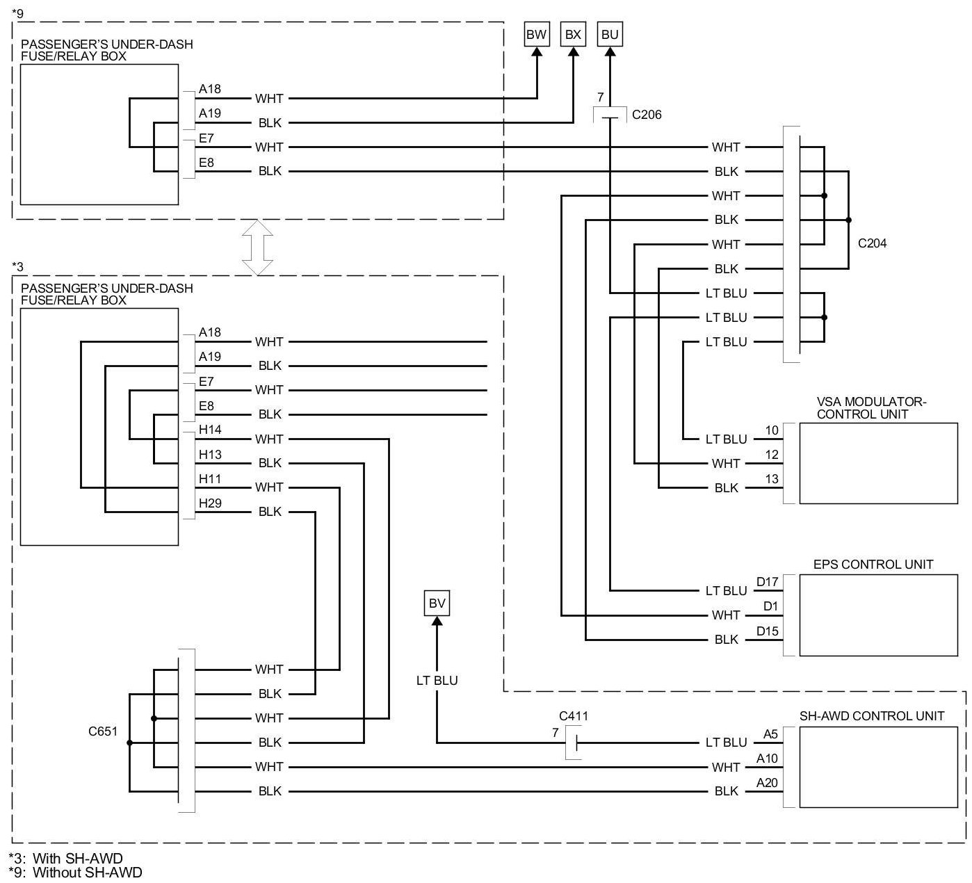
ECM/PCM Electrical Connections






























ECM/PCM Circuit Diagram