Operation CHARM: Car repair manuals for everyone.
Manuals through 2025 now available!

Our trusted friends have launched a new website named LEMON, which has newer manuals. It also contains all the CHARM manuals.

LEMON is the spiritual successor to CHARM, I recommend you try it!

Link: lemon-manuals.la or lemon-manuals.org.ua

(Some people have issue connecting. LEMON is investigating. For now, use Firefox or change your DNS server)

Or, hide this message: temporarily or permanently

Electric Load Sensor: Service and Repair




ELD Replacement

1. Do the battery terminal disconnection procedure Procedures.

2. Remove the upper cover (A), then remove the two positive (+) terminals (B).





3. Remove the under-hood fuse/relay box (C) from the bracket.

4. Remove the lower cover (A).





5. Disconnect the ELD 3P connector (B).

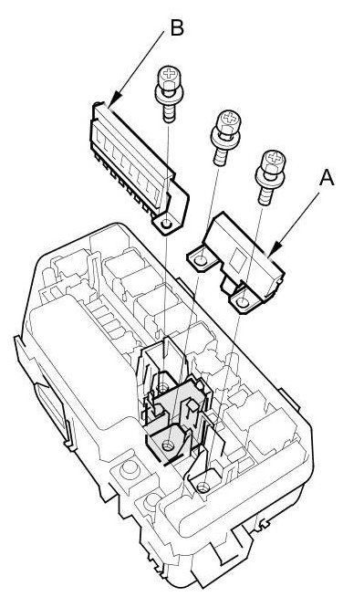
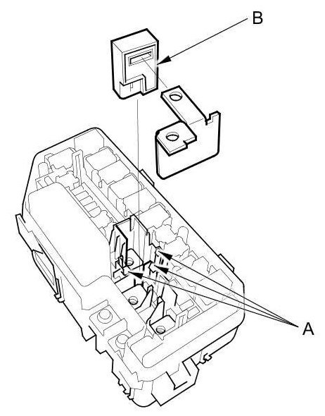
6. Remove the fuses (A and B).






7. Release the three lock tabs (A), then remove the ELD (B).





8. Install the parts in the reverse order of removal.

9. Do the battery terminal reconnection procedure Procedures.