Removal and Replacement
Alternator Removal and Installation
Removal
1. Remove the engine compartment covers Service and Repair.
2. Do the battery terminal disconnection procedure.
3. Raise the vehicle on the lift.
4. Remove the front splash shield Front Splash Shield Replacement.
5. Disconnect the A/C condenser fan motor connector (A), and remove the harness clamp (B).
6. Loosen the A/C condenser fan shroud mounting bolts (C).
7. A/T model: Remove the hose clamp (D).
8. Lower the vehicle on the lift.
9. Remove the coolant reservoir (A), then remove the A/C condenser fan shroud assembly (B).
10. Remove the auto-tensioner Drive Belt Auto-Tensioner Replacement.
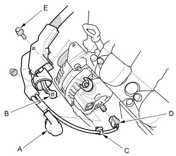
11. Disconnect the alternator connector (A) and the positive alternator cable (B) from the alternator.
12. Remove the harness clamp (C) from the alternator and disconnect the A/C compressor clutch connector (D) from the A/C compressor.
13. Remove the bolt (E) securing the harness holder.
14. Remove the mounting bolt (A) and the alternator bracket mounting bolt (B), then remove the alternator.
Installation
1. Install the alternator, then tighten the mounting bolt (A) and the alternator bracket mounting bolt (B).
2. Install the bolt (A) securing the harness holder.
3. Install the harness clamp (B) to the alternator and connect the A/C compressor clutch connector (C) to the A/C compressor.
4. Connect the alternator connector (D) and the positive alternator cable (E) to the alternator. Make sure the crimped side of the ring terminal faces away from the alternator when you connect it.
5. Install the auto-tensioner Drive Belt Auto-Tensioner Replacement.
6. Install the A/C condenser fan shroud assembly (A), then install the coolant reservoir (B).
7. Raise the vehicle on the lift.
8. A/T model: Install the hose clamp (A).
9. Tighten the A/C condenser fan shroud mounting bolts (B).
10. Connect the A/C condenser fan motor connector (C), and install the harness clamp (D).
11. Install the front splash shield Front Splash Shield Replacement.
12. Lower the vehicle on the lift.
13. Do the battery terminal reconnection procedure.
14. Install the engine compartment covers Service and Repair.