Fan Control Module
Purpose and Operation
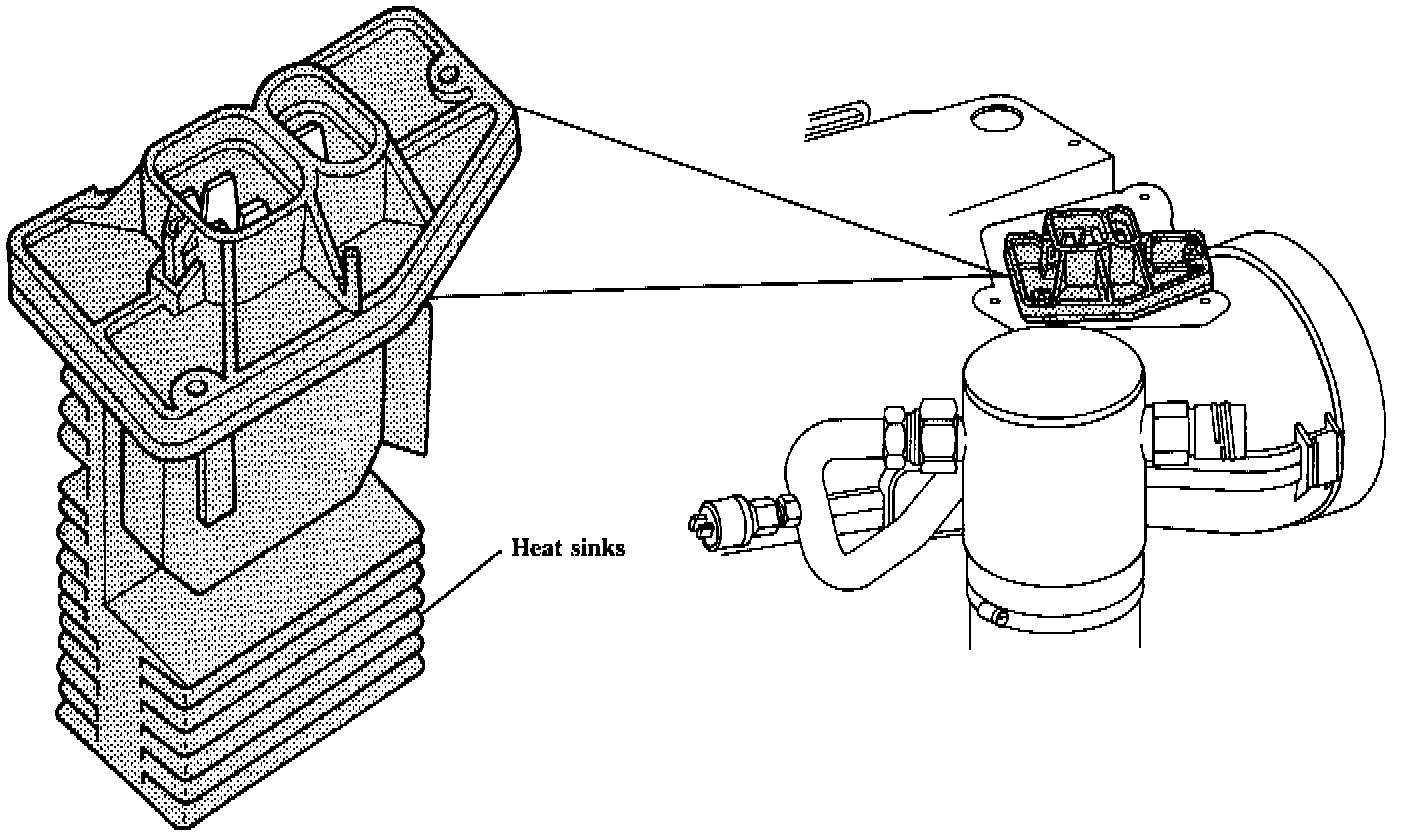
The blower control unit is located in the evaporator assembly. It controls the operation of the blower motor. The unit will regulate the amount of power supplied to the blower motor depending on a control signal it receives from the control panel head.
The heat sinks are cooled by the air from the blower motor. Use caution if removing the blower control unit as these can become very hot.
The blower control unit no longer operates the A/C compressor clutch relay.
The blower fan thermo-switch, which previously prevented the blower motor from running when the engine is cold, has also been eliminated. The control panel head now calculates what engine temperature is by measuring the outside ambient air temperature and timing how long the car has been running or shut-off. It will then activate the fan when it calculates that the engine is warm enough to deliver heat.
This feature can be overridden by depressing the DEFROST button or the HI blower speed button. The fan will then start immediately.