Operation CHARM: Car repair manuals for everyone.
Manuals through 2025 now available!

Our trusted friends have launched a new website named LEMON, which has newer manuals. It also contains all the CHARM manuals.

LEMON is the spiritual successor to CHARM, I recommend you try it!

Link: lemon-manuals.la or lemon-manuals.org.ua

(Some people have issue connecting. LEMON is investigating. For now, use Firefox or change your DNS server)

Or, hide this message: temporarily or permanently

System Specifications

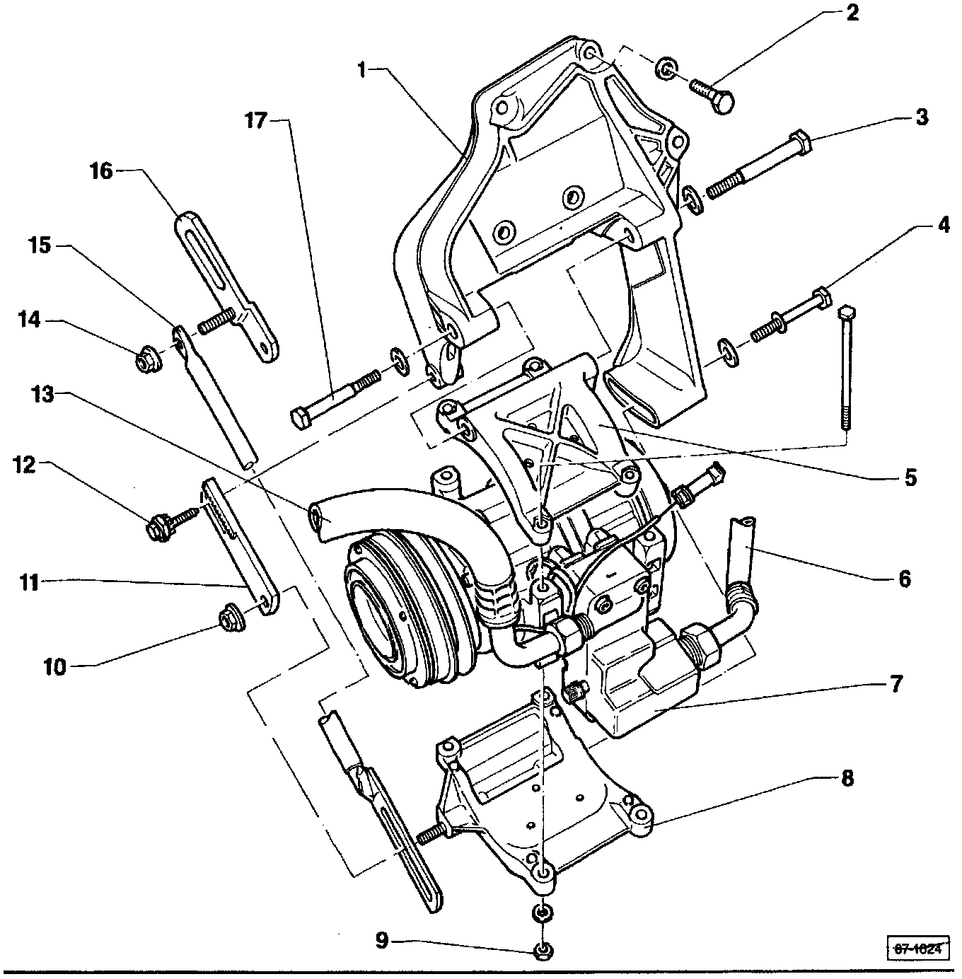
A/C Compressor And Mountings:





1. A/C compressor bracket
2. Bolt 40 Nm (31.0 ft lb)
3. Bolt 40 Nm (31.0 ft lb)
4. Bolt with spring washer 40 Nm (31.0 ft lb)
5. Upper A/C compressor bracket
6. A/C refrigerant low pressure hose
7. A/C compressor and clutch
8. Lower A/C compressor bracket
9. Self-locking nut 22 Nm (18.0 ft lb) always replace
10. Self-locking nut 40 Nm (31.0 ft lb) always replace
11. Tensioning bracket for A/C compressor bracket
12. Tensioning bolt 32 Nm (26.0 ft lb)
13. A/C refrigerant high pressure hose
14. Self locking nut 40 Nm (31.0 ft lb) always replace
15. Tensioning bracket
16. Tensioning bracket for alternator
17. Bolt 40 Nm (31.0 ft lb)