Operation CHARM: Car repair manuals for everyone.
Manuals through 2025 now available!

Our trusted friends have launched a new website named LEMON, which has newer manuals. It also contains all the CHARM manuals.

LEMON is the spiritual successor to CHARM, I recommend you try it!

Link: lemon-manuals.la or lemon-manuals.org.ua

(Some people have issue connecting. LEMON is investigating. For now, use Firefox or change your DNS server)

Or, hide this message: temporarily or permanently

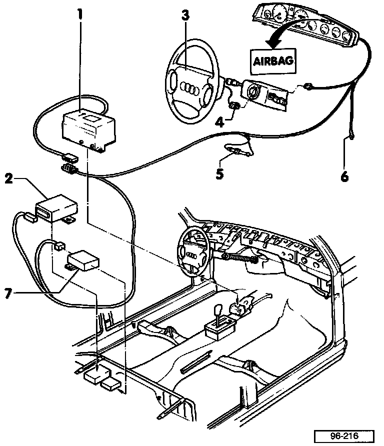
Air Bag Systems





NOTE:
^ After switching the ignition on, the airbag Malfunction Indicator Light (MIL) will be illuminated for approximately 10 seconds.
^ When the MIL goes out, the system is functional.
^ Check using airbag tester VAG 1619 if the airbag MIL does not go out after approx. 10 seconds, or if it does not come on (check bulb first).

1. Triggering unit
2. Energy reserve
3. Steering wheel with airbag unit
4. Connector for airbag spiral spring
5. Airbag power supply connector

WARNING: Airbag power supply connector must always be disconnected before working on the airbag or related systems.

6. Ground connection
^ Under rear seat

7. Voltage transformer

WARNING: DO NOT re-use any fasteners that are worn or deformed in normal use. Many fasteners are designed to be used only once and become unreliable and may fail when used a second time. This includes, but is not limited to, nuts, bolts, washers, self-locking nuts or bolts, circlips, and coffer pins. Always follow the recommendations given in this publication. For replacements always use new parts.