Operation CHARM: Car repair manuals for everyone.
Manuals through 2025 now available!

Our trusted friends have launched a new website named LEMON, which has newer manuals. It also contains all the CHARM manuals.

LEMON is the spiritual successor to CHARM, I recommend you try it!

Link: lemon-manuals.la or lemon-manuals.org.ua

(Some people have issue connecting. LEMON is investigating. For now, use Firefox or change your DNS server)

Or, hide this message: temporarily or permanently

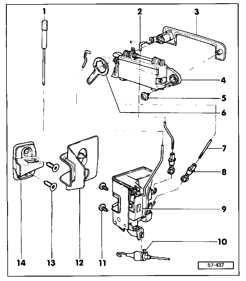
Door Locks

Door lock, assembly





1 - Locking rod
2 - Locking rod for lock cylinder
3 - Outer door handle
4 - Door handle
5 - Screw
6 - Lock clip
7 - Lock rod
8 - Release mechanism clip
9 - Door lock
10 - Bowden cable for door remote control
11 - Screw
12 - Lock packing plate
13 - Socket-head screw
14 - Locking wedge