Operation CHARM: Car repair manuals for everyone.
Manuals through 2025 now available!

Our trusted friends have launched a new website named LEMON, which has newer manuals. It also contains all the CHARM manuals.

LEMON is the spiritual successor to CHARM, I recommend you try it!

Link: lemon-manuals.la or lemon-manuals.org.ua

(Some people have issue connecting. LEMON is investigating. For now, use Firefox or change your DNS server)

Or, hide this message: temporarily or permanently

System Identification

A/C REFRIGERANT SYSTEM (R-134A), SYSTEM IDENTIFICATION

Vehicles equipped with R-134a A/C systems can be identified as follows:

^ a sticker in the engine compartment or on the condenser indicating "R-134a" or "CFC-free refrigerant"

^ a new service valve connection on the condenser.

Note!
All repairs for A/C, heating and ventilation components that DO NOT affect the refrigerant system can be performed as described for R-12 equipped vehicles.




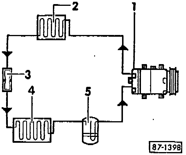
Refrigerant circuit with restrictor and accumulator

1 - Compressor
2 - Condenser
3 - Restrictor
4 - Evaporator
5 - Accumulator

Note!
Arrows indicate direction of refrigerant flow.