Operation CHARM: Car repair manuals for everyone.
Manuals through 2025 now available!

Our trusted friends have launched a new website named LEMON, which has newer manuals. It also contains all the CHARM manuals.

LEMON is the spiritual successor to CHARM, I recommend you try it!

Link: lemon-manuals.la or lemon-manuals.org.ua

(Some people have issue connecting. LEMON is investigating. For now, use Firefox or change your DNS server)

Or, hide this message: temporarily or permanently

Work Procedure





REVISED

The Following Work Procedure Contains:

Subject

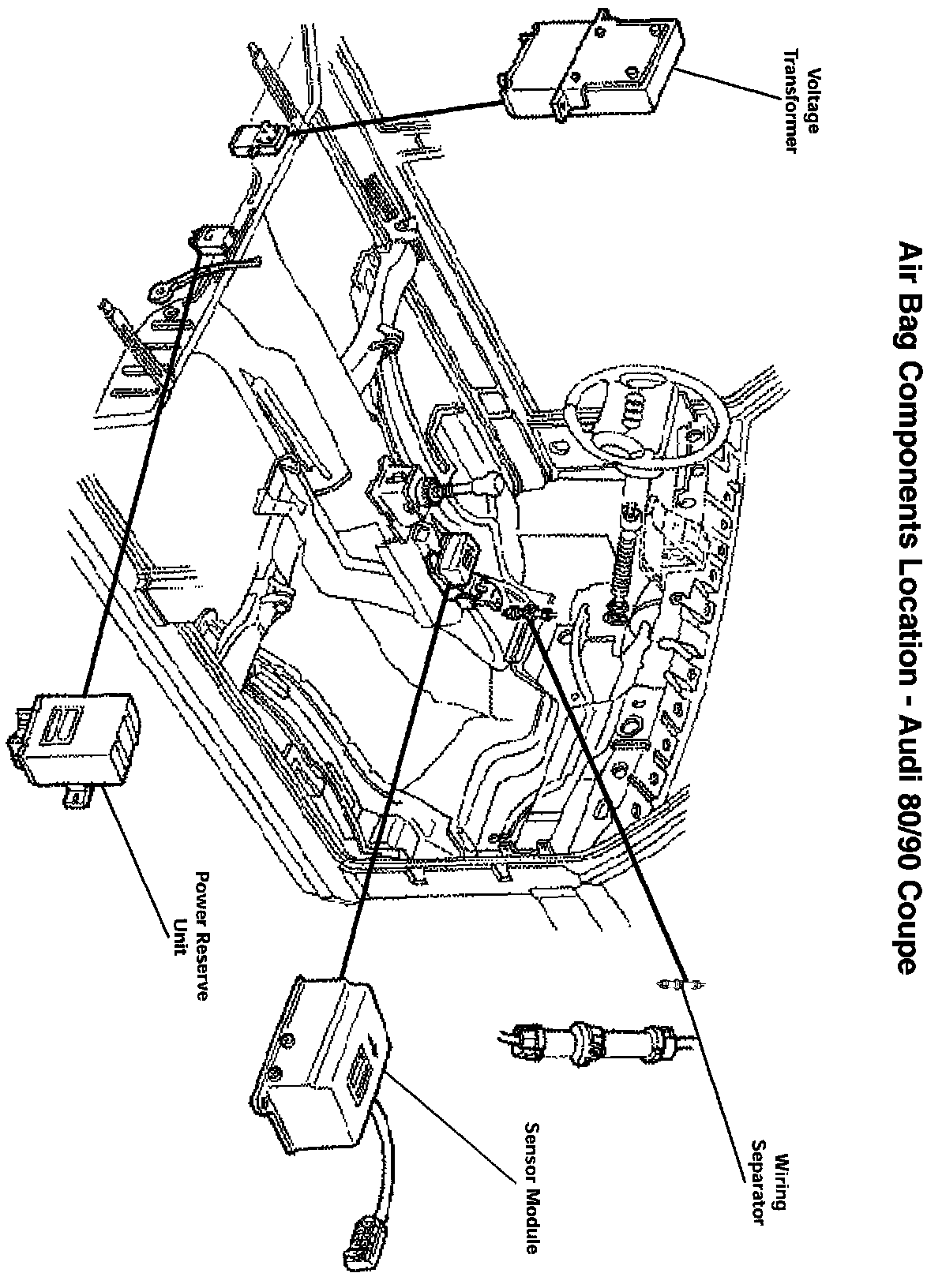
Air Bag Components Illustration/Location
Important Repair Steps And Sequence
Points Of Caution/Hints
Replacement Parts
Remove And Replace Air Bag Sensor Module/Bracket
Air Bag System Functional Check














Air Bag Components Illustration/Location

Important Repair Steps And Sequence

^ Record preset radio stations and obtain radio code.

^ Disconnect battery and current supply (wiring separator) to air bag.

^ Disconnect and remove power reserve unit and voltage transformer and discard both items (no longer required).

^ Replace air bag sensor module and bracket.

^ Reconnect battery and current supply to air bag.

^ Perform functional check.

Points Of Caution/Hints

- Always disconnect battery ground cable and reserve power unit prior to starting any work on an air bag system.

- Use adequate lighting when performing this recall work.

- Do not activate ignition key with air bag components disconnected.

- Do not attempt using a "chisel/hammer" when loosening mounting screws.

- Work with a test lamp; a voltmeter or an ohmmeter is not permitted.

- Checking/testing is to be done ONLY with a VAG 1551 scan unit with new part installed.

- Do not drop the new air bag sensor module.

- Do not disrupt air bag system work.

- Upon installation of the new air bag sensor module, the wiring harness must be routed such that it eliminates any tension and/or possibility of "rattling" noises.

Replacement Parts

Model Kit Part Number

80/90/Coupe 8A0 998 998C
100/200(1989-1991 M.Y.) 443 998 998C
S4/100 (1992-1993 M.Y.) 4A0 998 998B
V8 441 998 998

















Remove and Replace Air Bag Sensor Module/Bracket





Air Bag System Functional Check