Instruments In Console - Changes
Group: 90Number: 92-03
Date: November 30, 1992
Subject:
Instruments in Console, Changes
Model(s):
90CS, 90CS Quattro Sport 1993 m.y.
From February 1992 to July 1992, the instruments in the console are a single assembly instead of separate instruments. Vehicles produced after July 1992 no longer have these instruments.
The instruments can be replaced but not with the old separate instruments. Only replace voltmeter together with the circuit board. The procedure for testing the instruments has not changed, See Repair Manual.
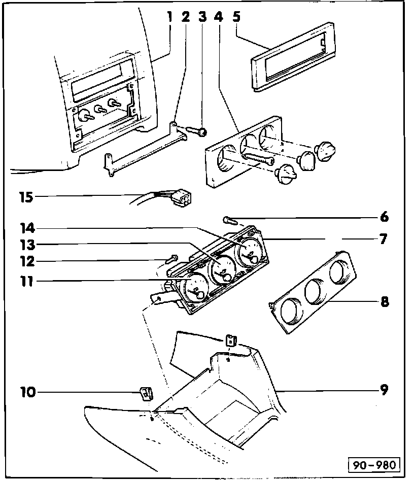
Instruments in console, component overview
Note:
See also wiring diagram.
1 - Instrument panel
2 - Mounting strip
3 - Screw (2x)
^ 2 N-m (1.5 ft.lb.)
^ trim panel has to be removed before screws can be reached.
4 - Trim panel
^ Manual A/C only; not applicable to 90CS and 90CS Quattro Sport models
5 - Trim panel
^ automatic climate coritrol only.
^ carefully pry off with screwdriver.
6 - Screws (6x)
^ 2 N-m (1.5 ft.lb.)
7 - Instrument assembly
^ remove center console, See Repair Group 70.
^ to remove, disconnect electrical connector and remove screw -12-.
^ terminal identification
8 - Trim panel
^ secured with screws - 6 - (6x)
9 - Center console
^ to remove See Repair Group 70
10 - Clip nut (2x)
11 - Oil temperature gauge (G9)
^ to remove unscrew nut with washer
12 - Hex screw (2x)
13 - Oil pressure gauge (G11)
^ removing
14 - Voltmeter (G14)
^ removing
15 - Harness connector
^ terminal identification
Console instruments, assembly
1 - Housing with glass cover
^ welded by ultra-sound
2 - Multi-pin connector
^ use wiring diagram
^ terminal identification
1 - from instrument cluster illumination to amplifier for additional instrument illumination
2 - ground connection from sensor to oil pressure gauge
3 - ground to bulbs for instrument illumination for oil pressure gauge, oil temperature gauge and voltmeter
4 - positive from light switch to amplifier for instrument illumination
5 - ground from sensor to oil temperature gauge
6 - B + positive (terminal 15)
3 - Bulbs (L24, L25, L27)
^ 12 V, 1.2 W
4 - Screw (7x)
^ for circuit board
5 - Circuit board
6 - Voltmeter
^ only replace together with circuit board
7 - Oil pressure gauge
8 - Oil temperature gauge