Operation CHARM: Car repair manuals for everyone.
Manuals through 2025 now available!

Our trusted friends have launched a new website named LEMON, which has newer manuals. It also contains all the CHARM manuals.

LEMON is the spiritual successor to CHARM, I recommend you try it!

Link: lemon-manuals.la or lemon-manuals.org.ua

(Some people have issue connecting. LEMON is investigating. For now, use Firefox or change your DNS server)

Or, hide this message: temporarily or permanently

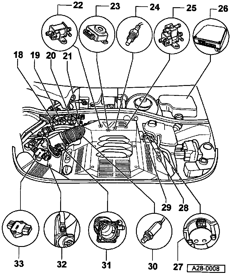
Computers and Control Systems: Locations

MULTIPORT FUEL INJECTION AND IGNITION SYSTEM

WARNING: Fire hazard! Do not smoke, work near heaters or open flame, or have anything in the area that could ignite fuel.

Component Overview:



1. Sensor for EVAP canister -G172-.
2. Evaporative Emission (EVAP) canister purge regulator valve -N80-.
3. Fuel pressure regulator.
4. Engine Coolant Temperature (ECT) sensor -G62-.
- On coolant line behind cylinder head.
5. Ground connection.
- On intake manifold
6. Harness connector:
- 3-pin.
- For Knock Sensor (KS) 2 -G66-.
7. Harness connector:
- 4-pin, black.
- For Heated Oxygen Sensor (HO2S) 2 -G108- and Oxygen Sensor (HO2S) 2 heater -Z28- (bank 2).
8. Heated Oxygen Sensor (HO2S) 2 -G108-.
- Bank 2.
9. Harness Connector:
- 2-pin, black.
- For EGR temperature sensor -G98-.
10. Harness connector:
- 3-pin, white, voltage supply.
- For ignition coils 1, 2 and 3, -N-, -N128- and -N158-.
11. Crankshaft Position (CKP) sensor -G4-.
- Timing reference mark on left side of cylinder block.
12. Knock Sensor (KS) 2 -G66-.
13. Engine speed (RPM) sensor -G28-.
14. Ignition coils 1, 2 and 3; -N-, -N128- and -N158-.
15. Fuel injectors.
16. Knock Sensor (KS) 1 -G61-.
17. Idle Air Control (IAC) valve -N71-.



18. Harness connector:
- 4-pin, green.
- For Heated Oxygen Sensor (HO2S) behind Three Way Catalytic Converter (TWC) -G130- and Oxygen Sensor (O2S) heater -Z29- (bank 1).
19. Harness connector:
- 4-pin, brown.
- For Heated Oxygen Sensor (HO2S) 2 behind Three Way Catalytic Converter (TWC) -G131- and Oxygen Sensor (O2S) 2 heater -Z30- (bank 2).
20. Harness connector:
- 4-pin, black.
- For Heated Oxygen Sensor (HO2S) -G39- and Oxygen Sensor (O2S) heater -Z19- (bank 1).
21. Harness connector:
- 3-pin.
- For Knock Sensor (KS) 1 -G61-.
22. Intake manifold change-over valve -NI56-.
23. Throttle Position (TP) sensor -G69-.
- With integral Closed Throttle Position (CTP) switch -F60-.
24. EGR temperature sensor -G98-.
- On intake manifold under throttle body.
25. EGR vacuum regulator solenoid valve -N18-.
26. Engine Control Module (ECM) -J192-.
- In plenum in electronics box.
27. Camshaft Position (CMP) sensor -G40-.
28. Harness connector:
- 3-pin, gray.
- For engine speed (RPM) sensor -G28-.
29. Harness connector:
- 3-pin, black.
- For Crankshaft Position (CKP) sensor -G4- (timing reference mark sensor).
30. Heated Oxygen Sensor (HO2S) -G39-.
- Bank 1.
31. Mass Air Flow (MAF) sensor -G70-.
32. Ground connection:
- Right engine mount.
33. Power output stage -N122-.
- For ignition coils.
- A: 4-pin signal wires from ECM.
- B: 3-pin ignition coil primary connections.

NOTE: Not Shown
- Oxygen Sensor (O2S) behind Three Way Catalytic Converter (TWC) -G130- (bank 1, directly behind right-side three-way catalytic converter).
- Oxygen Sensor (O2S) 2 behind Three Way Catalytic Converter (TWC) -G131- (bank 2, directly behind left-side three-way catalytic converter).