Operation CHARM: Car repair manuals for everyone.
Manuals through 2025 now available!

Our trusted friends have launched a new website named LEMON, which has newer manuals. It also contains all the CHARM manuals.

LEMON is the spiritual successor to CHARM, I recommend you try it!

Link: lemon-manuals.la or lemon-manuals.org.ua

(Some people have issue connecting. LEMON is investigating. For now, use Firefox or change your DNS server)

Or, hide this message: temporarily or permanently

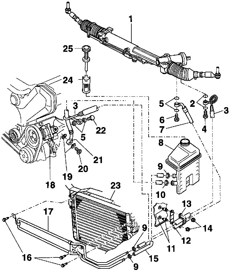
Steering








Legend
1 Power Steering Gear With Tie Rods And Steering Damper
2 Sealing Ring
3 Pressure Line
4 Banjo Bolt
5 Sealing Ring
6 Banjo Bolt
7 Return Line
8 Expansion Tank
9 Clamp
10 Clamp
11 Bonded Rubber Mount
12 Retaining Strap
13 Retaining Clamp
14 Nut
15 Return Line
16 Bolt With Washer
17 Oil Cooler
18 Power Steering Pump
19 Sealing Ring
20 Banjo Bolt
21 Supply Line
22 Banjo Bolt
23 Radiator
24 Strainer For Expansion Tank
25 Cap With Dipstick