Operation CHARM: Car repair manuals for everyone.
Manuals through 2025 now available!

Our trusted friends have launched a new website named LEMON, which has newer manuals. It also contains all the CHARM manuals.

LEMON is the spiritual successor to CHARM, I recommend you try it!

Link: lemon-manuals.la or lemon-manuals.org.ua

(Some people have issue connecting. LEMON is investigating. For now, use Firefox or change your DNS server)

Or, hide this message: temporarily or permanently

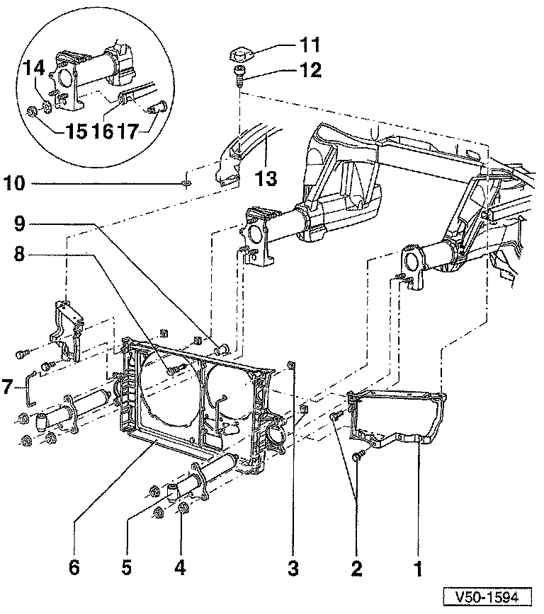
Radiator Support









Frames For Radiator And Headlights
2. Bolt + washer (4x)
- 6 Nm (63 in. lb)
3. Square nut (4x)
- No torque specified.
4. Nut (6x)
- 14 Nm (10 ft lb)
8. Stud bolt
- 30 Nm (22 ft lb)
12. Socket-head bolt (2x)
- 14 Nm (10 ft lb)
15. Nut
- 100 Nm (74 ft lb)

Note: For identification of items not listed, please refer to Mechanical Diagrams for the Frames For Radiator and Headlights. Diagrams