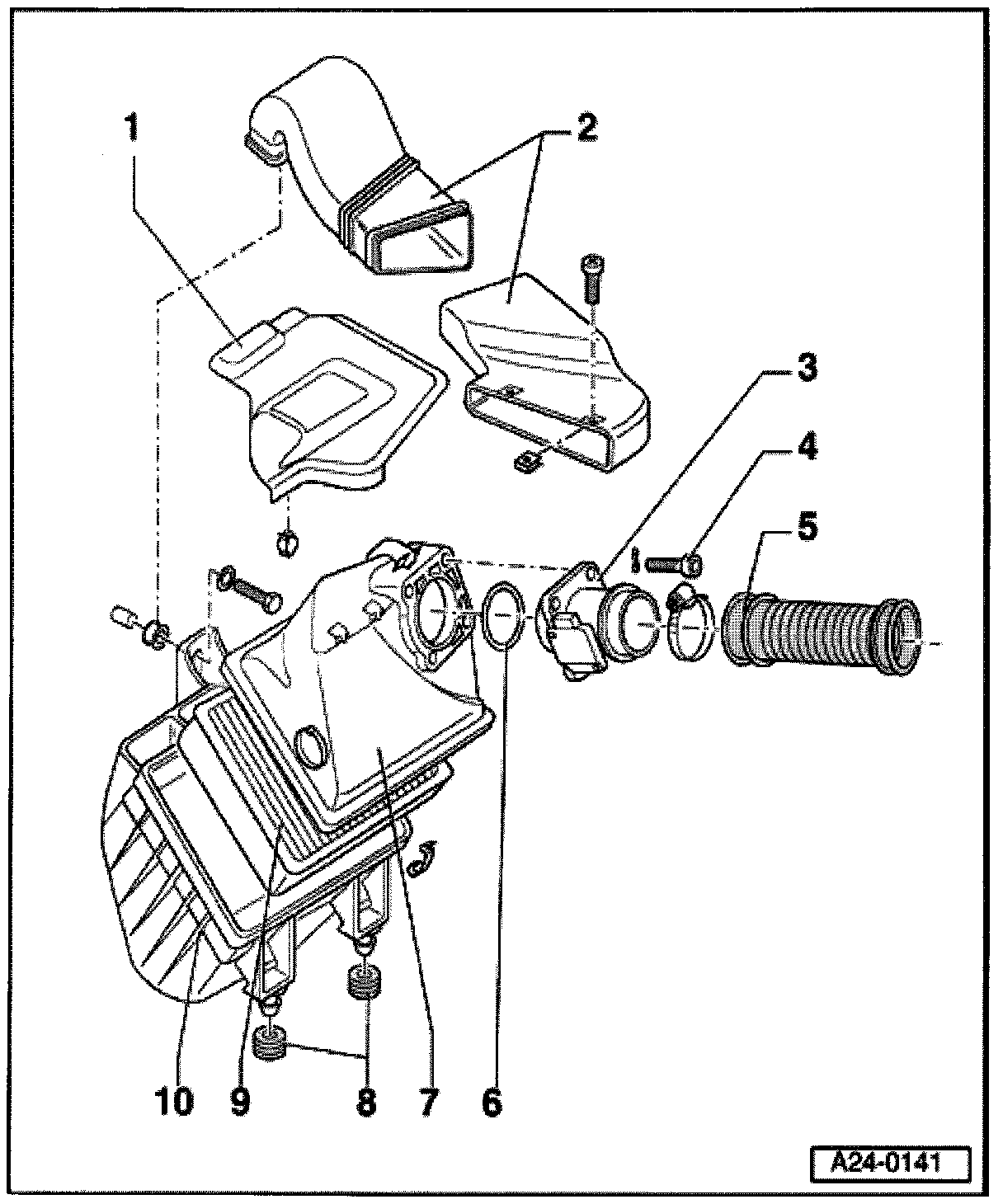
Air Flow Meter/Sensor: Service and Repair
Air Filter, Disassembling And Assembling
1 - Cover
2 - Air duct
- to metering unit
3 - Mass Air Flow (MAF) sensor -G70-
4 - 10 Nm
5 - Connection hose
6 - Seal
7 - Air filter, upper portion
8 - Rubber grommet
9 - Filter element
10 - Air filter, lower portion