Operation CHARM: Car repair manuals for everyone.
Manuals through 2025 now available!

Our trusted friends have launched a new website named LEMON, which has newer manuals. It also contains all the CHARM manuals.

LEMON is the spiritual successor to CHARM, I recommend you try it!

Link: lemon-manuals.la or lemon-manuals.org.ua

(Some people have issue connecting. LEMON is investigating. For now, use Firefox or change your DNS server)

Or, hide this message: temporarily or permanently

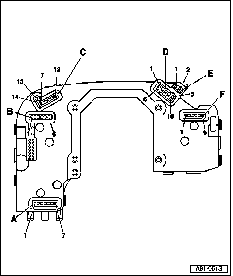
Front




Terminal Assignments/Harness Connectors On Steering Column Electronic Systems Control Module -J527- (Front)







A - Cruise Control System (CCS) connector
1 - Ground (GND)
2 - Hold
3 - Distance
4 - 12 V power supply
5 - Activation/push-button function "Off"
6 - Acceleration/deceleration
7 - Engages in "Off" position

B - Turn signal switch connector
1 - Ground (GND)
2 - Radio link (special vehicles)
3 - Alarm (special vehicles)
4 - Not used
5 - Headlight flasher/headlight switch
6 - Turn signal

C - Connector for multi-function steering wheel/Tiptronic/steering wheel heating
7 - Push-button "-"
8 - Multi-function steering wheel "+" - Power supply
9 - Multi-function steering wheel data
10 - Heater sensor/push-button "+"
11 - Multi-function steering wheel dimmer
12 - Tiptronic Ground (GND)
13 - Steering wheel heating "+"
14 - Steering wheel heating "-"

D - Steering angle sensor
1 - Light barrier 5
2 - Light barrier 3
3 - Light barrier 1
4 - 12 V power supply
5 - 5 V power supply
6 - Light barrier 6
7 - Light barrier 4
8 - Light barrier 2
9 - Steering angle sensor Ground (GND)
10 - Light barrier 7

E - Signal horn
1 - Horn Ground (GND)
2 - Horn

F - Windscreen/rear window wash/wipe system
1 - Ground (GND)
2 - Wiper delay potentiometer
3 - Trip computer
4 - Not used
5 - Washer
6 - Wipers