Operation CHARM: Car repair manuals for everyone.
Manuals through 2025 now available!

Our trusted friends have launched a new website named LEMON, which has newer manuals. It also contains all the CHARM manuals.

LEMON is the spiritual successor to CHARM, I recommend you try it!

Link: lemon-manuals.la or lemon-manuals.org.ua

(Some people have issue connecting. LEMON is investigating. For now, use Firefox or change your DNS server)

Or, hide this message: temporarily or permanently

Overview of Component Locations



Overview Of Component Locations

Components A through N are not depicted in the exploded view illustration.

A Exhaust Malfunction Indicator Lamp (MIL)
- In instrument cluster (Meaning of lamp)
- Fig. 4
B "EPC" warning lamp
- In instrument cluster(Meaning of lamp)
- Fig. 5
C Throttle Position (TP) Sensor -G79- and Sender -2- for accelerator pedal position -G185-
- In footwell on accelerator pedal (both sensors are stored in one housing)
D Fuel Pump (FP) Relay -J17-
- 5-pin relay carrier in passenger's footwell, position 4
- Fig. 1
E Fuel Pump (FP) 2 Relay -J49-
- Relay- and fuse holder in luggage compartment, right side, relay position 3
- Fig. 2
F Secondary Air Injection (AIR) Pump Relay -J299-
- 3-pin relay carrier in E-box plenum chamber, relay position 3
- Fig. 3
G Motronic Engine Control Module (ECM) Power Supply Relay -J271-
- 4-pin relay carrier in E-box plenum chamber, relay position 3
- Fig. 3
H Starter relay 1
- Fig. 1
I Starter relay 2
- Fig. 1
J 3-pin harness connector for Engine Speed (RPM) Sensor -G28-
- Fig. 8
K 4-pin harness connector for Heated Oxygen Sensor (HO2S) -G39- and Oxygen Sensor (O2S) Heater -Z19- before catalytic converter
- Bank 1
- Fig. 6
L 4-pin harness connector for Heated Oxygen Sensor (HO2S) 2 -G108- and Oxygen Sensor (O2S) 2 Heater -Z28- before catalytic converter
- Bank 2
- Fig. 6
M 4-pin harness connector for Oxygen Sensor (O2S) Behind Three Way Catalytic Converter (TWC) -G130- and Oxygen Sensor (O2S) Heater 1 -Z29- behind catalytic converter
- Bank 1
- Fig. 8
N 4-pin harness connector for Oxygen Sensor (O2S) 2 Behind Three Way Catalytic Converter (TWC) -G131- and Oxygen Sensor (O2S) Heater 2 -Z30- behind catalytic converter
- Bank 2
- Fig. 8


Component Location Overview:






1 Evaporative Emission (EVAP) Canister Purge Regulator Valve -N80-
- Fig. 6
2 Engine Control Module (ECM) -J623-
- in plenum chamber
- Fig. 7
3 Mass Air Flow (MAF) Sensor -G70- with Intake Air Temperature (IAT) Sensor -G42-
4 Valve -1- for camshaft adjustment -N205-
5 Throttle Valve Control Module -J338-
- With Throttle drive (power accelerator actuation) -G186-, Angle sensor -1- for throttle drive (power accelerator actuation) - G187-, and Angle sensor -2- for throttle drive (power accelerator actuation) -G188-
6 Secondary Air Injection (AIR) Solenoid Valve -N112-
- Fig. 11
7 Camshaft Position (CMP) Sensor 2 -G163-
- Cylinder bank 2
8 Fuel pressure regulator
9 Ignition coils with power output stages
- Cylinder bank 2
10 Valve -2- for camshaft adjustment -N208-
11 3-pin harness connector
- For Knock Sensor (KS) 1 -G61-
- For Knock Sensor (KS) 2 -G66-
- Fig. 9
12 Vacuum diaphragms for intake manifold change-over
13 Intake Air Switch-over valve -N335-
- Activation for flap in air filter
- Fig. 10
14 Intake Manifold Change-Over Valve -N156-
- Activation for both vacuum diaphragms
- Fig. 10
15 Camshaft Position (CMP) Sensor -G40-
- Cylinder bank 1
16 Ignition coils with power output stages
- Cylinder bank 1
17 Secondary Air Injection (AIR) Pump Motor -V101-
- Below right longmember
- Fig. 12

Fig. 1 Relay carrier in front passenger's footwell







2 Starter relay 1
3 Starter relay 2
4 Fuel Pump (FP) Relay -J17-

Fig. 2 Relay- and fuse holder, in luggage compartment, right side







3 Fuel Pump (FP) 2 Relay -J49-

Fig. 3 Relay carrier in E-box, plenum chamber







1 Secondary Air Injection (AIR) Pump Relay -J299-, relay position 1
2 Motronic Engine Control Module (ECM) Power Supply Relay -J271-, relay position 3
3 Fuse for secondary air pump -S130-

Fig. 4 Exhaust Malfunction Indicator Lamp (MIL)







The Malfunction Indicator Lamp (MIL) lights up when exhaust relevant malfunctions are recognized by the Engine Control Module (ECM).







Component location of exhaust MIL

NOTE: The Malfunction Indicator Lamp (MIL) can blink or remain lit continuously. DTC memory should be checked in any case.

Exhaust MIL blinking
- There is a malfunction that causes damage to the catalytic converter in this driving condition. In this case, drive must only be performed at reduced power (until the MIL goes out or remains constantly lit) and malfunction must be eliminated as quickly as possible.

Exhaust MIL continuously lit
- There is a malfunction that causes increased emissions. Check DTC memory for Engine Control Module (ECM) and automatic transmission.
- If there are driveability problems or customer complaints and the MIL is not lit, DTC memory must be checked after function test of exhaust MIL, since malfunctions can also be stored without causing the MIL to light immediately.

Fig.5 warning lamp







"EPC" is an abbreviation and stands for Electronic Power Control.







Installation location of EPC warning lamp

With ignition on, Engine Control Module (ECM) activates the EPC warning lamp.
After engine start, ECM tests all components important for the function of the EPC system.

During the test of these components, the EPC lamp is lit for approx. 3 seconds. If a malfunction is recognized during the test, the lamp will remain constantly lit.

If malfunctions are recognized in the E-Gas system during operation of the engine, the ECM switches on the EPC warning lamp in instrument cluster. An entry is made in DTC memory at the same time.

Fig. 6 Connector assignment







1 Evaporative Emission (EVAP) Canister Purge Regulator Valve -N80-
2 4-pin harness connector for Heated Oxygen Sensor (HO2S) 2 -G108- and Oxygen Sensor (O2S) 2 Heater -Z28- before catalytic converter, bank 2
3 4-pin harness connector for Heated Oxygen Sensor (HO2S) -G39- and Oxygen Sensor (O2S) Heater -Z19- before catalytic converter, bank 1

Fig. 7 E-box in plenum chamber 1







1 Engine Control Module (ECM) -J623-

Fig. 8 Connector strip (bolted to underside of transmission)







1 3-pin harness connector for Engine Speed (RPM) Sensor -G28-
2 4-pin harness connector for Oxygen Sensor (O2S) Behind Three Way Catalytic Converter (TWC) -G130- and Oxygen Sensor (O2S) Heater 1 -Z29- behind catalytic converter, bank 1
3 4-pin harness connector for Oxygen Sensor (O2S) 2 Behind Three Way Catalytic Converter (TWC) -G131- and Oxygen Sensor (O2S) Heater 2 -Z30- behind catalytic converter, bank 2

Fig. 9 Connector for knock sensors







1 3-pin harness connector for Knock Sensor (KS) 1 -G61-, cylinder bank 1
2 3-pin harness connector for Knock Sensor (KS) 2 -G66-, cylinder bank 2

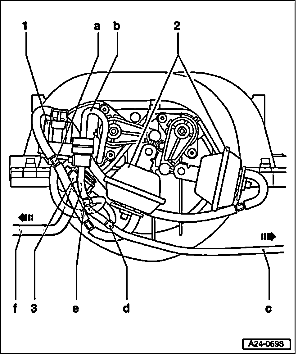
Fig. 10 View from front







1 Intake Manifold Change-Over Valve -N156-
- Activation for both vacuum diaphragms
2 Vacuum diaphragms for intake manifold change-over
3 Intake Air Switch-over valve -N335-
- Activation for flap in air filter

a T-connector for vacuum supply from intake manifold change-over valve
b Vacuum supply from intake manifold
c Vacuum line to low pressure reservoir (vacuum reservoir)
d T-connector for vacuum supply from Intake Air Switch-over valve -N335- and low pressure reservoir
e T-connector for vacuum supply from Intake Manifold Change-Over Valve -N156-
f Vacuum line to flap in air filter

Fig. 11 Secondary Air Injection (AIR) solenoid valve







1 Secondary Air Injection (AIR) Solenoid Valve -N112-

Fig. 12 Secondary Air Injection (AIR) pump (below right longmember)







1 Secondary Air Injection (AIR) Pump Motor -V101-