Operation CHARM: Car repair manuals for everyone.
Manuals through 2025 now available!

Our trusted friends have launched a new website named LEMON, which has newer manuals. It also contains all the CHARM manuals.

LEMON is the spiritual successor to CHARM, I recommend you try it!

Link: lemon-manuals.la or lemon-manuals.org.ua

(Some people have issue connecting. LEMON is investigating. For now, use Firefox or change your DNS server)

Or, hide this message: temporarily or permanently

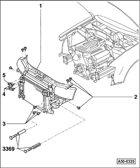
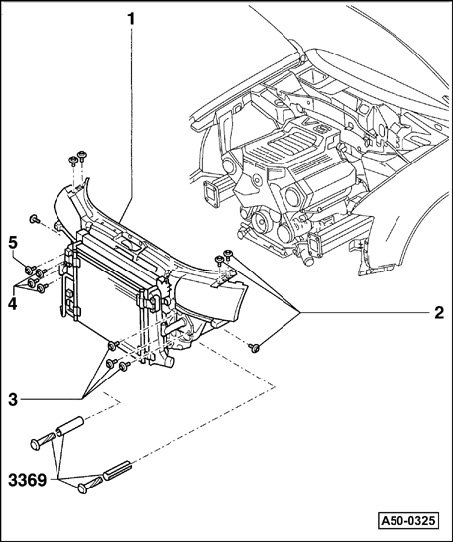
Radiator Support: Service and Repair



Lock Carrier, Service Position

Notes:
- Do not remove noise insulation panel.
- Loosen front quick-release screws only.
- Bumper must be removed.







1 - Lock carrier
For service position:
- Remove intake air duct between lock carrier and air cleaner housing at lock carrier.
- On right side, remove bolt - 5 - and install 3369 support tool.
- On left side, install 3369 support tool into threaded hole Fig. 1.
- Remove bolts - 2 - on left and right.
- Remove bolts - 3 - and - 4 - and pull lock carrier - 1 - forward.
- Secure lock carrier Fig. 2.







2 - Torx(R) bolts
- 10 Nm (7 ft lb)
3 - Bolt w/washer assembly
- 50 Nm (37 ft lb)
4 - Bolt w/washer assembly
- 50 Nm (37 ft lb)
5 - Bolt w/washer assembly
- 50 Nm (37 ft lb)
- For service position: remove bolt and install 3369 support tool

NOTE: After installing the lock carrier, check the headlight settings and adjust if necessary.







Fig. 1 Inserting 3369 support tool
- Screw in 3369 support tool on left and right as shown.
- Pull lock carrier forward until rear hole in lock carrier aligns with front threaded hole in fender flange.







Fig. 2 Securing lock carrier
- Secure lock carrier in service position on left and right using bolts as shown.