Operation CHARM: Car repair manuals for everyone.
Manuals through 2025 now available!

Our trusted friends have launched a new website named LEMON, which has newer manuals. It also contains all the CHARM manuals.

LEMON is the spiritual successor to CHARM, I recommend you try it!

Link: lemon-manuals.la or lemon-manuals.org.ua

(Some people have issue connecting. LEMON is investigating. For now, use Firefox or change your DNS server)

Or, hide this message: temporarily or permanently

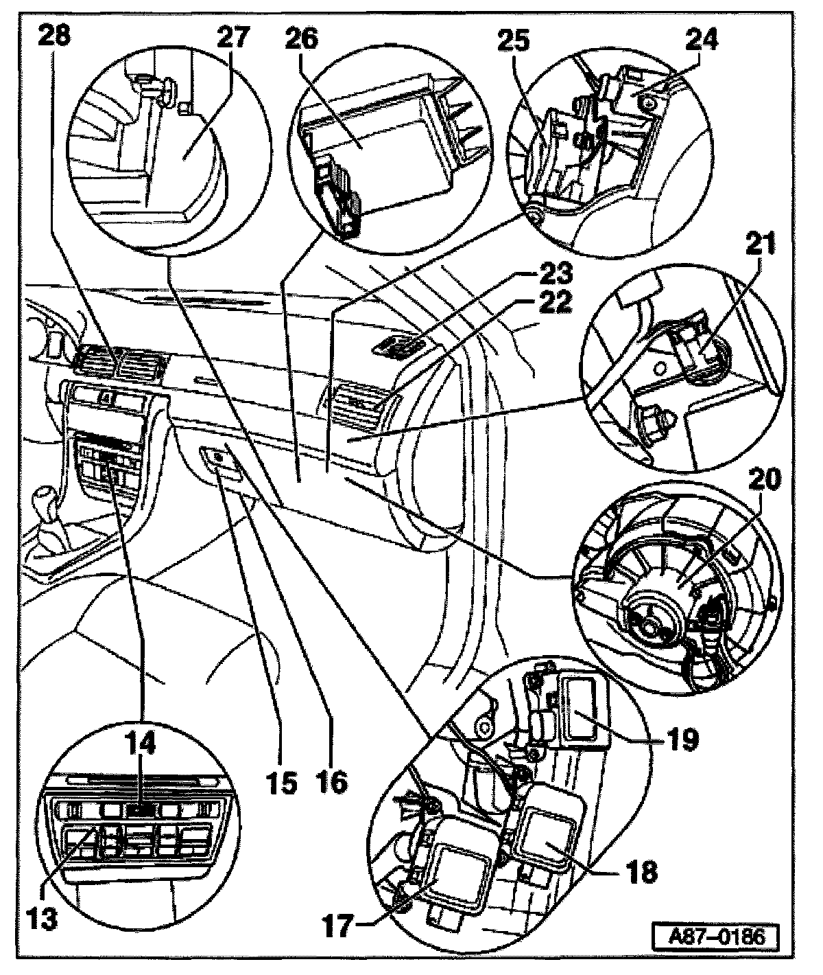
Control Assembly: Locations




A/C System Components (in Passenger Compartment)


NOTE:
- After completing service work, always check and erase DTC memory, carry out basic setting and check coding of A/C control head -E87-.
- Components marked with an * will be activated during the output Diagnostic Test Mode (DTM).
- Electrical testing is possible on all components marked with **.
- Rear passenger vent "Center" and air ducts in climate control unit in passenger compartment.







1 - Actuator for temperature flap left -V158- *
- With Potentiometer- actuator for temperature flap left -G220-
2 - Sender for outlet temperature, floor outlet - G192- **
3 - Not for USA Heater element for auxiliary heater -Z35- *
4 - Heater core
5 - Kick down switch
- The A/C clutch can be switched off by the Engine Control Module (ECM), depending on the current vehicles speed and the desired acceleration (Read Measuring Value Block "function 08").
6 - Data Link Connector (DLC) for VAG 1551 Scan Tool
- Connect VAG 1551 scan tool and check Climate Control System.
7 - Left Vent Temperature Sensor -G150- **
8 - Instrument panel vent, left
9 - Defroster vent for side window, left
10 - Outside Air Temperature Display -G106- *
- The outside air temperature can be displayed in °C or in °F, depending on setting of A/C Control Head -E87-.


NOTE: If the display shows incorrect temperatures, check measuring values of temperature sensors (Read Measuring Value Block "function 08").


11 - Windshield defroster vent
12 - Sunlight Photo Sensor -G107- **







13 - A/C control head -E87-
- Different versions on vehicles with or without heated seats.
- Different versions on vehicles with or without Radio-Navigation system.
- Different versions on vehicles with Climate Control systems "1", "2" and "3"
- Different versions on vehicles up to model year 2001 and from model year 2002.


NOTE: The display panel and control buttons are illuminated with LEDs.


14 - Instrument Panel Interior Temperature Sensor -G56- and Interior Temperature Sensor Fan -V42-
- Integrated into A/C Control Head -E87-, cannot be replaced individually.
15 - Air conditioning unit with evaporator
- Different versions


WARNING!
Only remove the air conditioning unit (condenser) when the refrigerant has been discharged from the A/C system.



16 - Footwell vent
- Can only be replaced when air conditioner unit is removed.
17 - Central Air Flap Motor - V70- *
- With Potentiometer-actuator for temperature flap left -G112-
18 - Actuator for temperature flap right -V159- *
- With Potentiometer-actuator for temperature flap left -G221-
19 - Defroster flap motor -V107- *
- With Potentiometer-actuator for temperature flap left -G135-
- Different versions on vehicles with air conditioning units "1" and as version "2".
20 - Fresh Air Blower -V2- **
- Different versions on vehicles with air conditioning units version "1" and version "2".
21 - Right Vent Temperature Sensor -G151- **
22 - Instrument panel vent, right
23 - Defroster vent for side window, right
24 - Fresh Air Intake Duct Temperature Sensor -G89- **
25 - Air Flow Flap Motor -V71- * (on vehicles up to model year 2001)

- Actuates air flow flap and fresh air/recirculated air flap
- With Back Pressure Flap Motor Position Sensor -G113- (Recirculation Flap Motor Position Sensor -G143-)
26 - Control module for fresh air blower -J126- **
27 - Evaporator housing drain
28 - Instrument panel vent, center







29 - Sealing plug * (Vehicles from model year 2002)

- Only on vehicles with compressor using A/C Clutch -N25- (Evaporator Vent Temperature Sensor -G263- is not installed, the opening in the air conditioning unit is closed using a sealing plug)
30 - Evaporator Vent Temperature Sensor -G263- * (vehicles from model year 2002)
- Only installed in vehicles with compressor using A/C Compressor Regulator Valve -N280-
31 - Recirculation Flap Motor - V113-* (vehicles from model year 2002)
- With Recirculation Flap Motor Position Sensor -G143-
32 - Air Flow Flap Motor -V71- * (vehicles from model year 2002)
- With Back Pressure Flap Motor Position Sensor -G113-