Operation CHARM: Car repair manuals for everyone.
Manuals through 2025 now available!

Our trusted friends have launched a new website named LEMON, which has newer manuals. It also contains all the CHARM manuals.

LEMON is the spiritual successor to CHARM, I recommend you try it!

Link: lemon-manuals.la or lemon-manuals.org.ua

(Some people have issue connecting. LEMON is investigating. For now, use Firefox or change your DNS server)

Or, hide this message: temporarily or permanently

Engine Oil: Testing and Inspection


Oil level, checking

Note:
^ Always check the oil level when the engine is warm (oil temperature must be above 60 °C (140 °F).
^ Check the oil level with the car on level ground.
^ Wait for a few minutes after switching off the engine to allow the oil to flow back into the oil pan.

^ Pull out dipstick, wipe dip stick with a clean cloth and insert dipstick again as far as it will go.
^ Pull out dipstick again and read oil level.





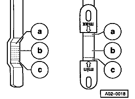
Markings on dipstick:
a Do not add any oil.
b Oil can be topped up (as far as -a-)
c Oil must be topped up.
It is enough when the oil level is within area -b- (grooved area on dipstick).

Oil capacity (with new oil filter)
Refer to Specifications

CAUTION! DO NOT overfill with oil past the MAX mark on the oil dipstick. Damage to the Three Way Catalytic Converter (TWC) could result.