Operation CHARM: Car repair manuals for everyone.
Manuals through 2025 now available!

Our trusted friends have launched a new website named LEMON, which has newer manuals. It also contains all the CHARM manuals.

LEMON is the spiritual successor to CHARM, I recommend you try it!

Link: lemon-manuals.la or lemon-manuals.org.ua

(Some people have issue connecting. LEMON is investigating. For now, use Firefox or change your DNS server)

Or, hide this message: temporarily or permanently

5 SPD. A/T 01V

CAN-bus, function

Bus: The term bus refers to a system that transports and distributes data.

CAN: The Controller Area Network is a bus system that uses two wires. These are called bus wires. Data is transferred to the connected control modules serially (one after the other) across the bus wires.
These control modules communicate with each other via the CAN-bus.





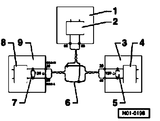
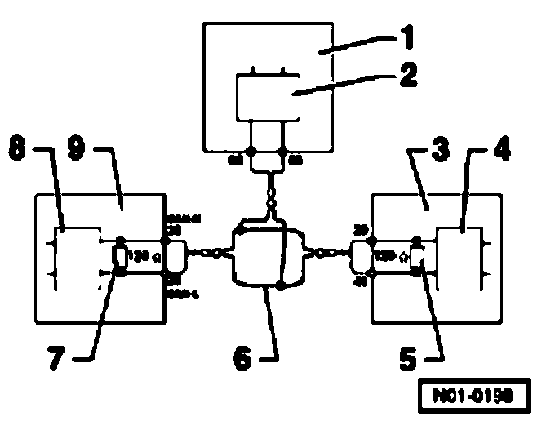
Overview of power train data-BUS
1. Transmission Control Module -J217-
2. Driver for BUS
3. Motronic Engine Control Module (ECM) -J220-
4. Driver for BUS
5. Termination resistance





6. Power train data-BUS (CAN bus, twisted 2 line wire)
7. Termination resistance
8. Driver for BUS
9. ABS control module -J104-

Two-wire bus system, checking
The DTC table Indicated you needed to check the bus:
^ Using the relevant wiring diagram, determine how many control modules communicate with each other via the bus.
^ Press the -0- button twice to select the function "Automatic test sequence".
^ Before checking the bus wires, make sure that none of the control modules connected are malfunctioning.
A malfunction will disrupt communication to other control modules.
Is there Is a malfunction?
^ Fix the malfunction before proceeding.
^ Note malfunction and erase DTC memory of all control modules => Checking and erasing DTC memory of the relevant control module.
^ Press buttons -0- and -6- to select "End Output" function 06. Press -Q- button to confirm input.
^ End output of Scan tool by selecting the function "end output".

You have fixed all malfunctions:
^ Check bus wires if communication to the control modules is still faulty.
While checking the bus wires, make a distinction between the following two situations:
^ Two control modules communicate via a "two-line bus system"
^ Three or more control modules communicate via a "two-line bus system"

Two control modules communicate via a "two-line bus system"
^ Switch ignition off.





^ Disconnect both control modules.
^ Check the bus wires for an open circuit





^ Check whether there is a short circuit between the bus wires.





^ Check the bus wires for a short circuit to B+ or Ground (GND).
If no malfunctions could be found in the bus wires:
^ As a test replace one of the control modules. Select a control module that will take the least amount of time, and cost the least amount of money to replace.
^ If communication between the control modules across the bus is still interrupted, replace the second control module.

Three or more control modules are communicating across a "two-line bus system"
^ Analyze the DTC's's stored in the memories of the control modules.





Example 1:





From the DTC's stored in the memories, you have determined that control module 1 is not communicating with control modules 2 and 3.

^ Switch ignition off.
^ Disconnect the control modules connected across the bus wires and check the bus wires for an open circuit
=> Electrical Wiring Diagrams, Troubleshooting & Component Locations binder
^ Replace control module 1 if no malfunctions can be found in the bus wires.





Example 2:





From the DTC's stored in the memories, you have determined that control module 2 is not communicating with control modules 1 and 3.
^ Switch ignition off.
^ Disconnect the control modules connected across the bus wires and check the bus wires for an open circuit
=> Electrical Wiring Diagrams, Troubleshooting & Component Locations binder
^ Replace control module 2 if no malfunctions can be found in the bus wires.

Example 3:





Using the DTC's stored in the memories, you have determined that none of the control modules are sending or receiving signals.

^ Switch ignition off.





^ Disconnect the control modules connected across the bus wires and check for a short circuit between the bus wires.
=> Electrical Wiring Diagrams, Troubleshooting & Component Locations binder





^ Check the bus wires for short circuit to B+ or Ground (GND).
^ If no malfunctions could be found in the bus wires: Check whether one of the control modules is responsible for a short circuit of the bus wires to each other, to B+ or to Ground (GND).
Disconnect each of the control modules connected via the bus wires one at a time and check whether the malfunction "Hardware faulty" is eliminated.
If it is eliminated, replace the control module that is currently disconnected. If it is not eliminated, re-connect that control module and disconnect the next control module connected via the bus wires.