Operation CHARM: Car repair manuals for everyone.
Manuals through 2025 now available!

Our trusted friends have launched a new website named LEMON, which has newer manuals. It also contains all the CHARM manuals.

LEMON is the spiritual successor to CHARM, I recommend you try it!

Link: lemon-manuals.la or lemon-manuals.org.ua

(Some people have issue connecting. LEMON is investigating. For now, use Firefox or change your DNS server)

Or, hide this message: temporarily or permanently

With Generic Scan Tool



Secondary Air Injection (AIR) Pump Relay - J299- And Activation, Checking.

Recommended special tools and equipment







- VAG1526A hand multimeter
- V.A.G 1527 B Voltage Tester
- VAG1594A connector test kit
- VAG1598/31 test box

Test requirements:


- Battery voltage at least 12.7 V







- Fuse for secondary air pump -S130- (40 A) -item 4- in 3-pin relay carrier, E-box plenum chamber, OK







- Fuse S234 (in fuse holder, position 34) OK.
- Ignition switched off.

Test sequence







- Pull off rubber seal of plenum chamber cover in direction of arrow.
- Remove plenum chamber cover -1- toward front.







- Remove cover for E-box, plenum chamber (arrows).
- Connect test box to wiring harness of Engine Control Module (ECM); ECM is not connected. Test Box, Connecting For Wiring Test
- Using wires e.g.. from connector test kit V.A.G 1594 A, bridge terminals 1 and 46 on test box.
- Switch ignition on.







- Secondary Air Injection (AIR) Pump Relay -2- (in 3-pin relay carrier, E-box plenum chamber) must engage and Secondary Air Injection (AIR) Pump Motor -V101- must run

A - Secondary Air Injection (AIR) Pump Motor runs:
- Check voltage supply of the Secondary Air Injection (AIR) pump relay.
- Check activation of the Secondary Air Injection (AIR) pump relay.

B - Secondary Air Injection (AIR) Pump Motor does not run:
- Check voltage supply of the Secondary Air Injection (AIR) pump motor.

Checking voltage supply of Secondary Air Injection (AIR) pump relay







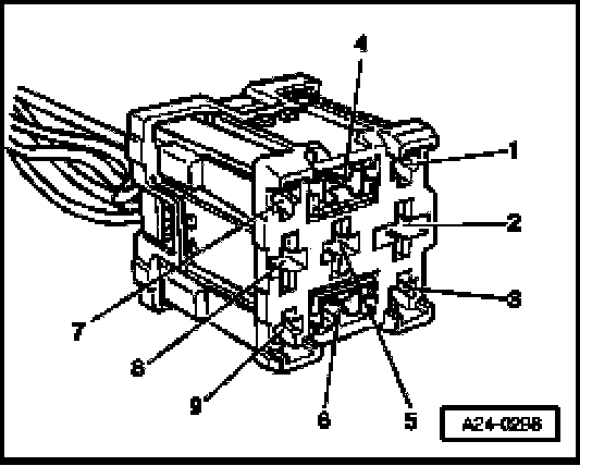
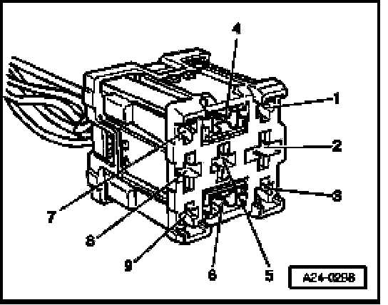
- Remove Secondary Air Injection (AIR) pump relay -2-.







- Connect multimeter for voltage measurement as follows.

3-pin relay carrier, E-box, Measure to
plenum chamber position 3
Terminal
8 Engine Ground (GND)

- Specified value: approx. battery voltage

If specified value is not obtained:
- Check wire connection from battery + (terminal 30) via Fuse for secondary air pump -S130- to Secondary Air Injection (AIR) Pump Relay -J299- (in relay- and fuse-carrier in E-Box, plenum chamber, position 3) for open circuit according to wiring diagram.
- Specified value: Wire resistance max 1.5 Ohms







- Connect multimeter for voltage measurement as follows.

3-pin relay carrier, E-box, Measure to
plenum chamber, position 3
Terminal

4 Engine Ground (GND)

- Operate starter briefly.
- Specified value: approx. battery voltage
- Switch ignition off.

If specified value is not obtained:
- Check wire connection from Secondary Air Injection (AIR) Pump Relay -J299- (in 3-pin relay carrier, E-box plenum chamber) to Fuel Pump (FP) relay via Fuse -S234- (in fuse holder, position 34) for open circuit according to wiring diagram.
- Specified value: Wire resistance max 1.5 Ohm

Check activation of the Secondary Air Injection (AIR) pump relay







- Remove Secondary Air Injection (AIR) pump relay -2-.
- Connect test box to wiring harness of Engine Control Module (ECM); ECM is not connected. Test Box, Connecting For Wiring Test







- Check the following wire connection for open circuit according to wiring diagram:

3-pin relay carrier, E-box, Test box
plenum chamber, position 3
Terminal Socket

6 46

- Specified value: Wire resistance max 1.5Ohms
- Also check the wire for short circuit to B+ and Ground (GND).
- Specified value: Infinity Ohms (no continuity)

If no malfunctions are detected:
- Replace Secondary Air Injection (AIR) pump relay-J299-.

Check voltage supply of the Secondary Air Injection (AIR) pump motor







- Loosen mounting parts -1- to -4- and remove noise insulation.







- Disconnect electrical harness connector -3- at Secondary Air Injection (AIR) Pump Motor -V101-.

NOTE: Disregard items -1- and -2- as well as arrows.







- Connect VAG1527B voltage tester between terminals 1 and 2
- Connect test box to wiring harness of Engine Control Module (ECM); ECM is not connected. Test Box, Connecting For Wiring Test
- Bridge terminals 1 and 46 at test box using wires e.g.. from V.A.G 1594 A adapter test kit.
- LED must light up.

If LED does not light up:
- Check wire connection from terminal 2 of harness connector to Secondary Air Injection (AIR) Pump Relay -J299- (in relay carrier in E-Box, plenum chamber, position 3) for open circuit according to wiring diagram.
- Check wire connection from terminal 1 of harness connector to Ground (GND) for open circuit according to wiring diagram.
- Specified value: Wire resistance max 1.5 Ohm

If no malfunctions are detected:
- Replace Secondary Air Injection (AIR) pump motor -V101-.

Final procedures
After repair work, the following work steps must be performed in the mentioned sequence:
1 - Check DTC memory "Mode 3: Check DTC memory". Diagnostic Mode 3: Check DTC Memory
2 - If necessary, erase DTC memory "Mode 4: Reset/erase diagnostic data". Diagnostic Mode 4: Reset/Erase Diagnostic Data
3 - Generate readiness code. Readiness Code, Generating

- End diagnosis and switch ignition off.