Operation CHARM: Car repair manuals for everyone.
Manuals through 2025 now available!

Our trusted friends have launched a new website named LEMON, which has newer manuals. It also contains all the CHARM manuals.

LEMON is the spiritual successor to CHARM, I recommend you try it!

Link: lemon-manuals.la or lemon-manuals.org.ua

(Some people have issue connecting. LEMON is investigating. For now, use Firefox or change your DNS server)

Or, hide this message: temporarily or permanently

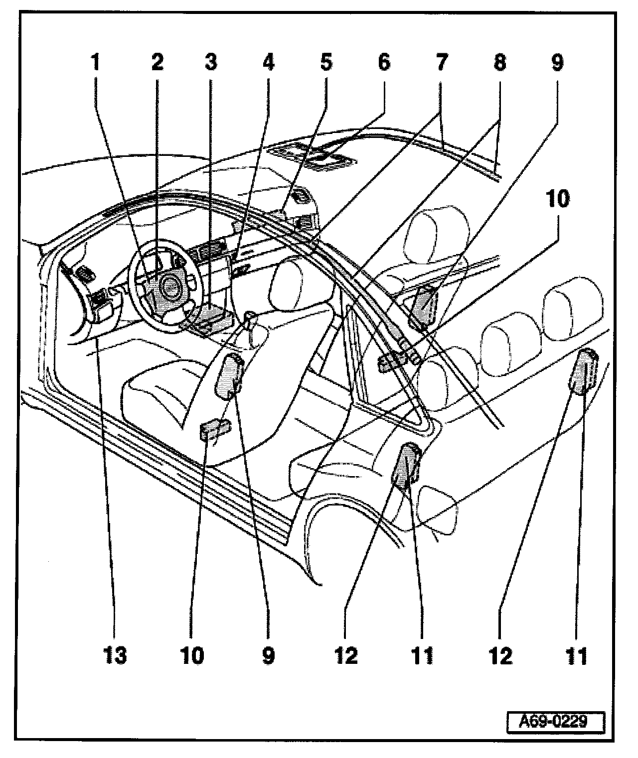
Air Bag Control Module: Locations




Component Locations, Overview







1 - Airbag unit - driver's side
2 - Airbag unit driver's side (sport steering wheel)
3 - Airbag control module
4 - Not applicable for USA/Canada
5 - Passenger side airbag unit
- Deactivation and activation possible via key switch (if equipped).
6 - Not applicable for USA/Canada
7 - Side curtain airbag, sedan
8 - Side curtain airbag, Avant
9 - Side airbag
10 - Lateral - acceleration sensor
11 - Side airbag, rear (folding backrest)
12 - Side airbag, rear (fixed backrest)
13 - Data Link Connector (DLC)