Operation CHARM: Car repair manuals for everyone.
Manuals through 2025 now available!

Our trusted friends have launched a new website named LEMON, which has newer manuals. It also contains all the CHARM manuals.

LEMON is the spiritual successor to CHARM, I recommend you try it!

Link: lemon-manuals.la or lemon-manuals.org.ua

(Some people have issue connecting. LEMON is investigating. For now, use Firefox or change your DNS server)

Or, hide this message: temporarily or permanently

System Specifications








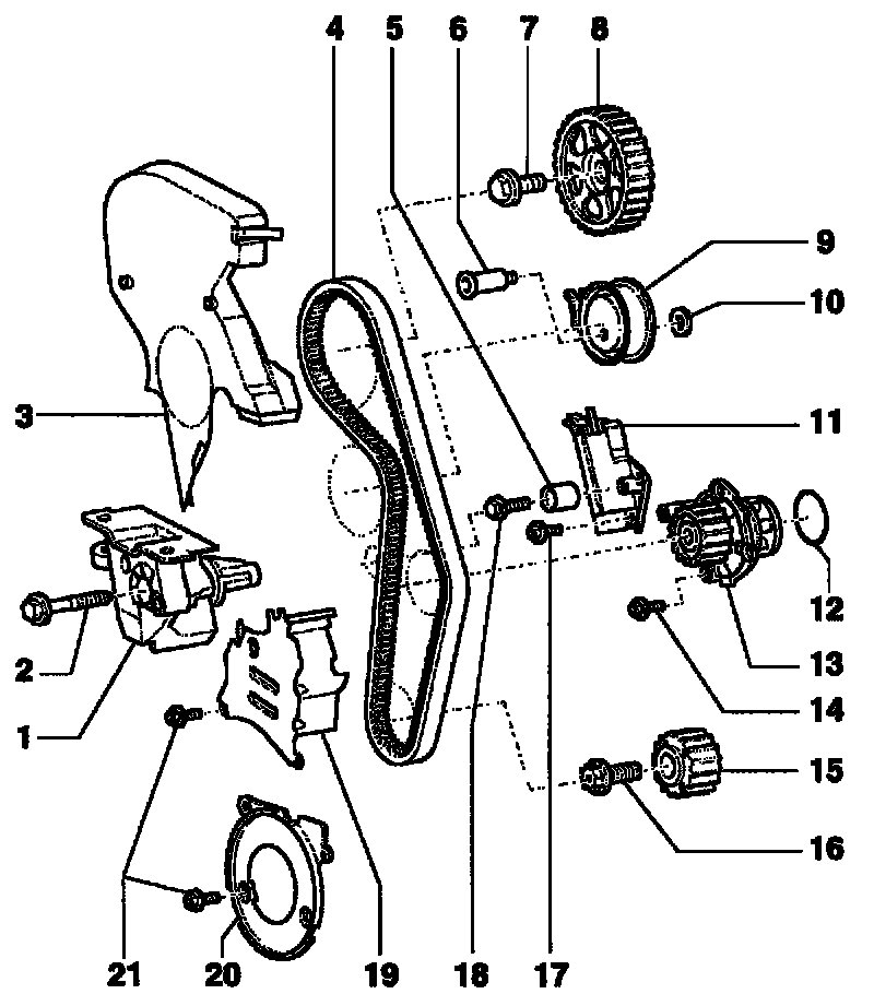
Notes: Mark the direction of rotation before removing the toothed belt. If a used belt rotates in the wrong direction when reinstalled, this can result in breakage.

1 - Engine support
2 - 45 Nm
3 - Toothed belt guard, top
4 - Toothed belt
5 - Idler roller
6 - 27 Nm
7 - 65 Nm
^ Use counter - hold 3036 to loosen and tighten
8 - Camshaft sprocket
9 - Tensioner
10 - Washer
11 - Tensioner for toothed belt
12 - O ring
13 - Coolant pump
14 - 15 Nm
15 - Crankshaft sprocket
16 - 90 Nm + 1/4 turn (90°) further
17 - 15 Nm
18 - 20 Nm
19 - Toothed belt guard, center
20 - Toothed belt guard, bottom
21 - 10 Nm





Tightening Torques
1) Stretch Bolts - replace.
2) 90 degrees is a quarter turn.