Operation CHARM: Car repair manuals for everyone.
Manuals through 2025 now available!

Our trusted friends have launched a new website named LEMON, which has newer manuals. It also contains all the CHARM manuals.

LEMON is the spiritual successor to CHARM, I recommend you try it!

Link: lemon-manuals.la or lemon-manuals.org.ua

(Some people have issue connecting. LEMON is investigating. For now, use Firefox or change your DNS server)

Or, hide this message: temporarily or permanently

Navigation System



Radio Head Unit And Navigation System With CD Drive Control Module J401, Multi-pin Connector Assignments

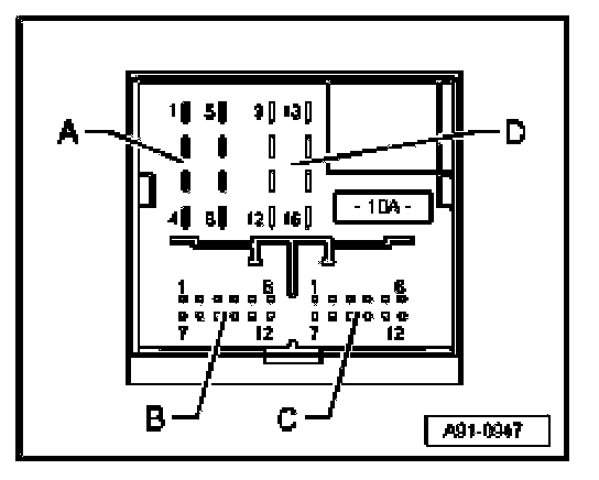
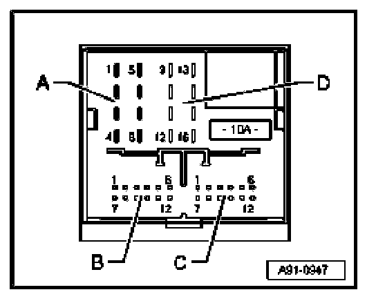
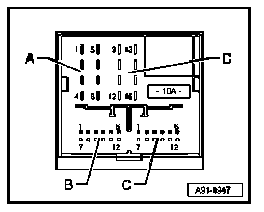
Radio Navigation head unit, rear view







1. Not applicable to US/CDN
2. Connection for Radio, Telephone, Navigation System Antenna R52
3. Connection block with four multi-pin connectors and one fuse
4. Connection (IF) to Antenna Selection Control Module J515 / Left Antenna Module R108
5. Connection (HF) to Antenna Selection Control Module J515 / Left Antenna Module R108

Radio Navigation head unit, multi-pin connector assignments

Separate CD changer only where applicable.

NOTE: Terminals which are not listed are vacant/unassigned.







Multi-pin connector A (8-pin)
2. Right front loudspeaker (+) (not with BOSE)
3. Left front loudspeaker (+) (not with BOSE)
6. Right front loudspeaker (-) (not with BOSE)
7. Left front loudspeaker (-) (not with BOSE)







Multi-pin connector B (12-pin)
2. CD - Ground (GND), to CD Changer R41
3. Vehicle speed signal
4. Battery positive (B+) - Terminal 30 to CD Changer R41
5. Data Link Connector (DLC)
6. CD data output to CD Changer R41
7. BOSE coding to Ground (only with BOSE)
8. Line output - left, from CD Changer R41
9. Line output - right, from CD Changer R41
10. Switched positive to CD Changer R41
11. CD data input from CD Changer R41
12. CD-Clock from CD Changer R41







Multi-pin connector C, 12-pin
2. Line output from Back-Up Light Switch F4
3. Line output - left front, to Amplifier R12 (only with BOSE)
5. Line output - left rear, to Amplifier R12
6. Vacant
8. Line output - Ground, to Amplifier R12
9. Line output (front right) to Amplifier R12 (only with BOSE)
11. Line output - right rear, to Amplifier R12
12. Vacant







Multi-pin connector D, 8-pin
9. CAN-Bus High (Infotainment)
10. CAN-Bus Low (Infotainment)
11. Vacant
12. Ground (GND) - Terminal 31
13. Switched positive to Amplifier R12
14. Anti-theft alarm Ground from Comfort System Central Control Module J393
15. Battery positive (B+) - Terminal 30
16. Battery positive (B+) - Battery positive (B+) - Terminal 30