Communication
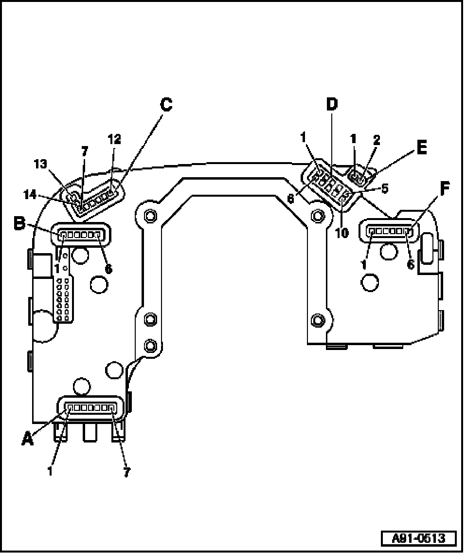
Steering Column Electronic Systems Control Module J527, Multi-pin Connector Assignments
Module, front view
A. Cruise Control System
1. Ground (GND) - Terminal 31
2. Fix
3. Distance
4. Battery positive (B+) - Terminal 30
5. Activation/touch function "Off
6. Acceleration/deceleration
7. Locked "Off"
B. Turn signals
1. Ground (GND) - Terminal 31
2. Radio telephone (special-purpose vehicles)
3. Alarm (special-purpose vehicles)
5. Headlight flasher/light control
6. Turn signal indicators
C. Multi-function steering wheel / Tiptronic / Heated steering wheel
7. Tiptronic (-)
8. Multi-function steering wheel (Terminal 30)
9. Multi-function steering wheel (LIN Data bus)
10. Heater sensor / tiptronic (+)
11. Multi-function steering wheel dimmer
12. Tiptronic Ground
13. Steering wheel heating (+)
14. Steering wheel heating (-)
D. Steering Angle Sensor G85
1. Light barrier 5
2. Light barrier 3
3. Light barrier 1
4. Battery positive (B+) - Terminal 30
5. Voltage supply (5 V)
6. Light barrier 6
7. Light barrier 4
8. Light barrier 2
9. Ground (GND) - Terminal 31
10. Light barrier 7
E. Horn H1
1. Ground (GND) - Terminal 31
2. Horn
F. Wipers / Washers
1. Ground (GND) - Terminal 31
2. Intermittent wipe potentiometer
3. Trip computer/MFA
5. Wash
6. Wipe
Module, rear view
Multi-pin connector, 16-pin
1. Ground (GND) - Terminal 31
2. Battery positive (B+) - Terminal 30
5. Cruise control switched "Off
6. Alarm (special-purpose vehicles)
7. Radio telephone (special-purpose vehicles)
8. CAN-Bus Low (Convenience)
9. CAN-Bus High (Convenience)
10. CAN-Bus High (Powertrain)
11. CAN-Bus Low (Powertrain)
12. Ignition/Starter Switch - Terminal 75
13. Ignition/Starter Switch - Terminal S
14. Ignition/Starter Switch - Terminal 15
15. Ignition/Starter Switch - Terminal 50
16. Ignition/Starter Switch - Terminal P