Operation CHARM: Car repair manuals for everyone.
Manuals through 2025 now available!

Our trusted friends have launched a new website named LEMON, which has newer manuals. It also contains all the CHARM manuals.

LEMON is the spiritual successor to CHARM, I recommend you try it!

Link: lemon-manuals.la or lemon-manuals.org.ua

(Some people have issue connecting. LEMON is investigating. For now, use Firefox or change your DNS server)

Or, hide this message: temporarily or permanently

Component Locations, Overview



Component Locations, Overview







Components A to F are not shown in the exploded view.

A. Brake Light Switch -F- and Brake Vacuum Vent Valve Switch -F47-
- In footwell on pedal bracket near brake pedal
B. Data Link Connector (DLC)
- In knee protection on driver's side
C. Fuel Pump (FP) Relay -J17-
- In the micro-central electrics behind storage compartment on driver' side, relay position 4
- Installation location, see Fig. 2
D. Clutch Vacuum Vent Valve Switch -F36-
- In footwell on pedal bracket near brake pedal
E. Throttle Position (TP) Sensor -G79- and Sender -2- for accelerator pedal position -G185-
- In footwell on accelerator pedal (both sensors are located in one housing)
F. Electronic Power Control (EPC) warning lamp -K132-
- In instrument cluster
- With Electronic Power Control (EPC) warning lamp -K132-. Notes for EPC warning lamp
- With exhaust Malfunction Indicator Lamp (MIL). Notes for Malfunction Indicator Lamp (MIL)

1. Evaporative Emission (EVAP) Canister Purge Regulator Valve -N80-
2. Heated Oxygen Sensor (HO2S) -G39- 55 Nm
- Constant oxygen sensor
- Check Oxygen Sensor (O2S) and oxygen sensor control before Three Way Catalytic Converter (TWC) Oxygen Sensor (O2S) and Oxygen Sensor Control Before Three Way Catalytic Converter (TWC), Checking
- Check oxygen sensor aging of oxygen sensor before catalytic converter
- Check oxygen sensor heating for Oxygen Sensor (O2S) before Three Way Catalytic Converter (TWC)
3. Oxygen Sensor (O2S) Behind Three Way Catalytic Converter (TWC) -G130- 55 Nm
- Check Oxygen Sensor (O2S) and oxygen sensor control behind Three Way Catalytic Converter (TWC)
- Check oxygen sensor heater for Oxygen Sensor (O2S) behind Three Way Catalytic Converter (TWC)
4. Combi valve for secondary air inlet
5. Engine Coolant Temperature (ECT) Sensor -G62-
- If necessary, release pressure of cooling system before removing
6. Engine Speed (RPM) Sensor -G28-
7. Secondary Air Injection (AIR) Solenoid Valve -N112-
- Location, see Fig. 7.
- Checking
- Connector green
8. Bracket for connectors
- Location, see Fig. 1
- Accessible with coolant expansion tank removed and moved to side
9. Bracket for connectors
- Location, see Fig. 1
- Accessible with coolant expansion tank removed and moved to side
10. Electronics box (plenum chamber)
- Location for Motronic Engine Control Module (ECM) -J220- with Barometric Pressure (BARO) Sensor -F96-
- Location for Motronic Engine Control Module (ECM) Power Supply Relay -J271-
- Installation locations, see Fig. 5 and, see Fig. 6.
- Check voltage supply of Engine Control Module (ECM)
- Procedure to follow after open circuit in voltage supply
- Replacing Engine Control Module (ECM)
- Component location for Engine Electronics Fuse -S282- for Motronic
11. Electronics box (plenum chamber)
- Location for Secondary Air Injection (AIR) Pump Relay -J299-
- Check Secondary Air Injection (AIR) Pump Relay -J299-:
12. Charge Air Pressure Sensor -G31-
- Location: Charge Air Pressure Sensor -G31- is installed into top of charge air cooler
- Checking
13. Throttle Valve Control Module -J338-
- With Throttle drive (power accelerator activation) -G186-, Angle sensor -1- for throttle drive (power accelerator activation) -G187- and Angle sensor -2- for throttle drive (power accelerator activation) -G188-
- When replacing, perform adaptation
14. Intake Air Temperature (IAT) Sensor -G42-
15. Recirculating valve for turbocharger -N249-
- Location, see Fig. 7.
- Checking
16. Knock Sensor (KS) 1 -G61-
17. Knock Sensor (KS) 2 -G66-
18. Camshaft Position (CMP) Sensor -G40-
19. Fuel Injectors
- Cylinder 1 Fuel Injector -N30-
- Cylinder 2 Fuel Injector -N31-
- Cylinder 3 Fuel Injector -N32-
- Cylinder 4 Fuel Injector -N33-
20. Ignition Coils
- Ignition Coil 1 with Power Output Stage -N70-
- Ignition Coil 2 with Power Output Stage -N127-
- Ignition Coil 3 with Power Output Stage -N291-
- Ignition Coil 4 with Power Output Stage -N292-
21. Wastegate Bypass Regulator Valve -N75-
- Checking
22. Mass Air Flow (MAF) Sensor -G70-
23. Secondary Air Injection (AIR) Pump Motor -V101-
- Checking







Fig. 1 Locations on connector bracket

The following connections are located underneath the coolant expansion tank:
1 - 3-pin connector, blue
For Knock Sensor (KS) 2 -G66-

1 - 4-pin connector, brown
For Oxygen Sensor (O2S) Behind Three Way Catalytic Converter (TWC) -G130- and Oxygen Sensor (O2S) Heater 1 -Z29- (bank 1, sensor 2)

3 - 3-pin connector, grey
For Engine Speed (RPM) Sensor -G28-

4 - 3-pin connector, green
For Knock Sensor (KS) 1 -G61-

5 - 6-pin connector, black
For Oxygen Sensor (O2S) -G39- and Oxygen Sensor (O2S) Heater -Z19- (bank 1, sensor 1)







Fig. 2 Location of Fuel Pump (FP) Relay -J17-

- on the 9-unit relay carrier in driver's footwell, left, position 1

Checking Fuel Pump (FP) Relay -J17-.







Fig. 3 Location of Brake Light Switch -F- and Brake Vacuum Vent Valve Switch -F47-, Clutch Vacuum Vent Valve Switch -F36-

1. Brake Light Switch -F-, Brake Vacuum Vent Valve Switch -F47-
2. Clutch Vacuum Vent Valve Switch -F36-

Removing and installing switches







Fig. 4 Location of Throttle Position (TP) Sensor 1 -G79- and Sender -2- for accelerator pedal position -G185-

- Both the Throttle Position (TP) Sensor 1 -G79- and the Sender -2- for accelerator pedal position -G185- are stored in one housing.







Fig. 5 Location of Engine Control Module (ECM) in electronics box (plenum chamber)

Replacing Engine Control Module (ECM) (without metal anti-theft housing).
Replacing Engine Control Module (ECM) (with metal anti-theft housing).







Fig. 6 Component locations in electronics box (plenum chamber).

1.1 Not used
1.2 Not used
2. Motronic Engine Control Module (ECM) Power Supply Relay -J271-
3. Secondary Air Injection (AIR) Pump Relay -J299-
4. Not used

A. Fuse S282 for engine electronics
B. Fuse S130 for secondary air pump
C. Not used







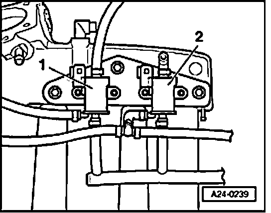
Fig. 7 Location of Secondary Air Injection (AIR) Solenoid Valve -N112- and Recirculating valve for turbocharger -N249-

- Location: underneath intake line
1. Secondary Air Injection (AIR) Solenoid Valve -N112-
2. Recirculating valve for turbocharger -N249-

NOTE: The illustration shows bottom view of intake line.







Fig. 8 Location of Charge Air Pressure Sensor -G31-

Charge Air Pressure Sensor -G31- (arrow) screwed into top of charge air cooler.