Operation CHARM: Car repair manuals for everyone.
Manuals through 2025 now available!

Our trusted friends have launched a new website named LEMON, which has newer manuals. It also contains all the CHARM manuals.

LEMON is the spiritual successor to CHARM, I recommend you try it!

Link: lemon-manuals.la or lemon-manuals.org.ua

(Some people have issue connecting. LEMON is investigating. For now, use Firefox or change your DNS server)

Or, hide this message: temporarily or permanently

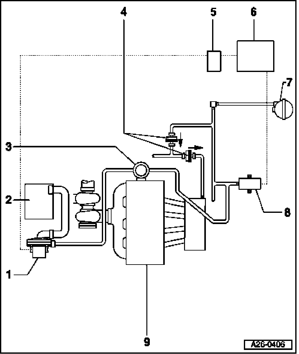
With Generic Scan Tool



Secondary Air System







The Secondary Air Injection (AIR) system causes the catalytic converter to heat up more quickly, resulting in earlier operating readiness following cold start.

Principle

Due to over-enrichment of the mixture during the cold start phase, there is an increased amount of carbon monoxide in the exhaust. Secondary Air Injection (AIR) improves secondary oxidation in the catalytic converter and therefore reduces emissions. The heat produced by secondary oxidation greatly reduces start-up time for the catalytic converter, therefore improving exhaust quality during the cold start phase significantly.

Function

- In the cold start phase, the ECM -6- activates the secondary air pump -1- via the relay for secondary air pump -5-. Air reaches the combination valve for Secondary Air Injection (AIR) system -3-.
- The Secondary Air Injection (AIR) valve -8- is activated in parallel, which allows the vacuum to reach the combination valve for Secondary Air Injection (AIR) -3-. The combination valve for Secondary Air Injection (AIR) thereby opens the path for secondary air to the exhaust channels of the cylinder head.