Operation CHARM: Car repair manuals for everyone.
Manuals through 2025 now available!

Our trusted friends have launched a new website named LEMON, which has newer manuals. It also contains all the CHARM manuals.

LEMON is the spiritual successor to CHARM, I recommend you try it!

Link: lemon-manuals.la or lemon-manuals.org.ua

(Some people have issue connecting. LEMON is investigating. For now, use Firefox or change your DNS server)

Or, hide this message: temporarily or permanently

With Generic Scan Tool



Check Motronic Engine Control Module (ECM) Power Supply Relay -J271- And Activation







Special Tools and Equipment
- V.A.G1526A hand multimeter
- V.A.G1594A connector test kit
- V.A.G1598/31 test box

NOTE: The Motronic Engine Control Module (ECM) voltage supply relay -J271- supplies voltage to the ignition coils with power output stages and the Engine Control Module (ECM) at pin 121.

Test requirement:
- Ignition switched off.

Test sequence







- Remove engine cover(arrows)







- Disconnect the 4-pin harness connector -1- at one ignition coil -2-.

NOTE: For further testing, connect the multimeter to harness connector in place of an ignition coil.







- Connect multimeter for voltage measurement as follows.

Harness connector Terminal Measure to
1 Engine Ground (GND)

- Switch ignition on.

Specified value: approx. battery voltage

- Switch ignition off.

If specified value is not obtained:
- Remove rubber seal for plenum chamber cover.







- Remove plenum chamber cover -1- toward front (arrows).







- Pry off both covers -3- using a screwdriver.
- Loosen hex-nuts -4- by several turns.
- Loosen wiper arm -2- from wiper axle by lightly tilting.
- Remove hex nuts completely and remove wiper arms.
- Disconnect securing clips -1- and remove cowl grill -5-.







- Remove cover for E-box, plenum chamber (arrows).







- Pry off Engine Control Module (ECM) retaining bracket (arrows) using a screwdriver and set control module aside.
- If installed, unclip Transmission Control Module (TCM) retaining bracket and set control module aside.







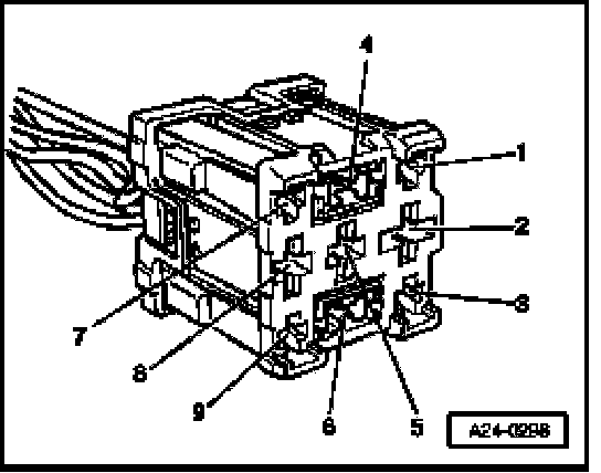
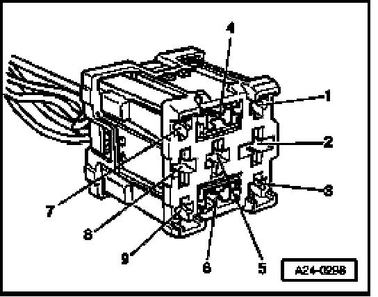
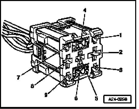
- Disconnect voltage supply relay -3-.







- Check the following wire connection for open circuit according to wiring diagram:

Relay carrier in E-box, Harness connector at ignition
plenum chamber, position coils Terminal
3 Terminal

8 1

Specified value: Wire resistance max 1.5 Ohms

- If necessary, repair wire connection.

If no malfunctions are found in wires:
- Check voltage supply of Motronic Engine Control Module (ECM) voltage supply relay -J271-
- Check activation of Motronic Engine Control Module (ECM) voltage supply relay -J271-

Checking voltage supply







- Connect multimeter for voltage measurement as follows.

Relay carrier in E-box, Measure to
plenum chamber, position
3 Terminal

1 Engine Ground (GND)
2 Engine Ground (GND)

- Specified value: approx. battery voltage

If specified value is not obtained:
- Check wire connections for open circuit according to wiring diagram.

Specified value: Wire resistance max 1.5 Ohms

Checking activation







- Connect multimeter for voltage measurement as follows.

Relay carrier in E-box, Measure to
plenum chamber, position
3 Terminal

4 B+

- Switch ignition on.

Specified value: approx. battery voltage

- Switch ignition off.

If specified value is not obtained:
- Connect test box to wiring harness of Engine Control Module (ECM). Test Box, Connecting For Wiring and Component Test ECM is not connected.







- Check the following wire connection for open circuit according to wiring diagram.

Relay carrier in E-box, Test box Socket
plenum chamber, position
3 Terminal

4 23

Specified value: Wire resistance max 1.5 Ohms

- Also check the wire for short circuit to B+ and Ground (GND).

Specified value: Infinite Ohms (no continuity)

- If necessary, repair wire connection.

If no malfunctions are detected:
- Replace Motronic Engine Control Module (ECM) voltage supply relay -J271-.