Operation CHARM: Car repair manuals for everyone.
Manuals through 2025 now available!

Our trusted friends have launched a new website named LEMON, which has newer manuals. It also contains all the CHARM manuals.

LEMON is the spiritual successor to CHARM, I recommend you try it!

Link: lemon-manuals.la or lemon-manuals.org.ua

(Some people have issue connecting. LEMON is investigating. For now, use Firefox or change your DNS server)

Or, hide this message: temporarily or permanently

Air Bag Control Module: Service and Repair



Airbag Control Module -J234-, Removing And Installing

Special tools, testers and auxiliary items required







- Torque Wrench V.A.G 1410







- Diagnostic Operating System VAS 5051 A

CAUTION: Observe safety precautions for working on airbags.







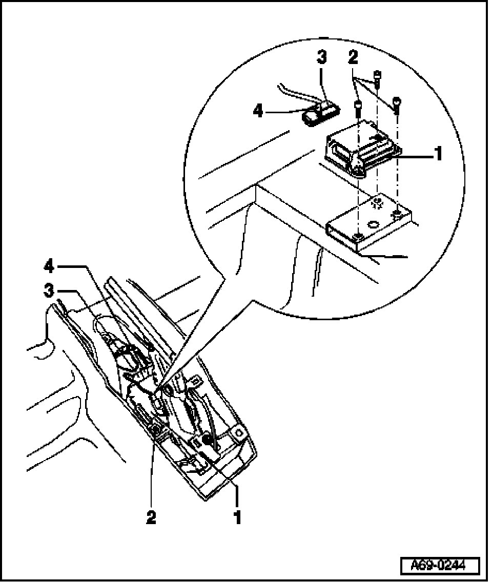
1. Airbag Control Module
- Removing:
- Disconnect battery Ground (GND) strap.
- Remove center console.
- Disconnect securing bracket - 4 - at connector - 3 -.
- Disconnect connector - 3 - from control module -1 -.
- Remove bolts - 2 - (3x).
- Remove control module.
- Installation:
Installation is performed in the reverse order of removal.

NOTE:
- Observe safety precautions after connecting battery.
- If Airbag Malfunction Indicator Lamp (MIL) K75 signals a malfunction after installation, DTC memory must be checked, erased and once again checked using Diagnostic Operating System VAS 5051 A.
- After replacing control module, it must be coded.

2. Screws (3x)
- Tightening torque 7 Nm

3. Connector
4. Securing clip