Operation CHARM: Car repair manuals for everyone.
Manuals through 2025 now available!

Our trusted friends have launched a new website named LEMON, which has newer manuals. It also contains all the CHARM manuals.

LEMON is the spiritual successor to CHARM, I recommend you try it!

Link: lemon-manuals.la or lemon-manuals.org.ua

(Some people have issue connecting. LEMON is investigating. For now, use Firefox or change your DNS server)

Or, hide this message: temporarily or permanently

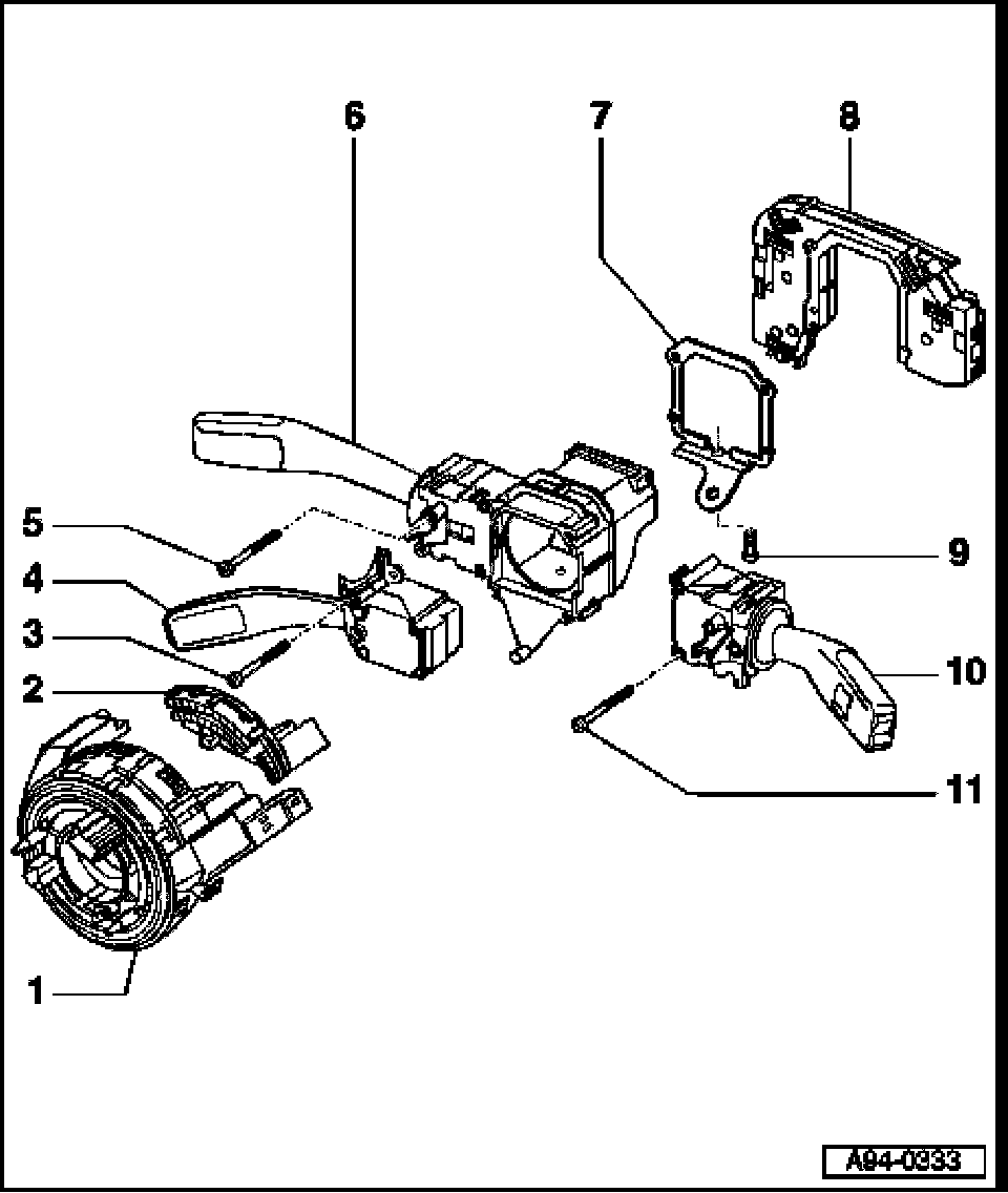
Steering Column Switch Module, Assembly



Steering Column Switch Module, Assembly







1. Spiral spring

CAUTION: Position of spiral spring must not be changed once removed.

2. Steering Angle Sensor G85
3. Socket head bolt
4. Cruise Control Switch E45
5. Socket head bolt
6. Turn Signal Switch E2
7. Retaining clip
8. Steering Column Electronic Systems Control Module J527
- Multi-pin connector assignments.

9. Clamping bolt - 3 Nm
10. Windshield Wiper/Washer Switch E22
11. Socket head bolt