Operation CHARM: Car repair manuals for everyone.
Manuals through 2025 now available!

Our trusted friends have launched a new website named LEMON, which has newer manuals. It also contains all the CHARM manuals.

LEMON is the spiritual successor to CHARM, I recommend you try it!

Link: lemon-manuals.la or lemon-manuals.org.ua

(Some people have issue connecting. LEMON is investigating. For now, use Firefox or change your DNS server)

Or, hide this message: temporarily or permanently

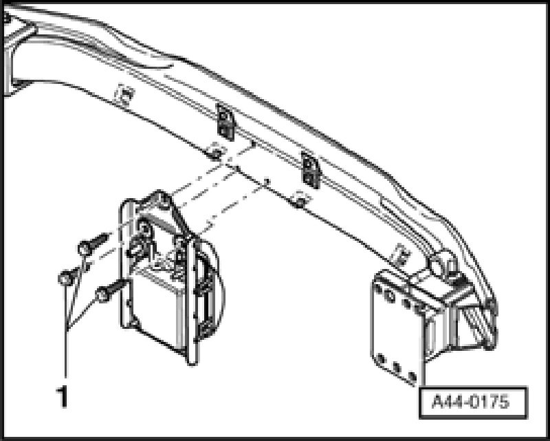
ACC Sensor, Removing and Installing



ACC sensor, removing and installing
Radar sensor is located behind bumper cover.

Removing
- Remove front bumper.





- Remove hex bolts -1-. Tightening torque 8 Nm
- Remove sensor and disconnect harness connector.

Installing
Installation is the reverse of removal.